EasyManua.ls Logo

Panasonic DMR-E53EG - Page 282

Panasonic DMR-E53EG
285 pages
Print Icon
To Next Page IconTo Next Page
To Next Page IconTo Next Page
To Previous Page IconTo Previous Page
To Previous Page IconTo Previous Page
Loading...
H
PAL:576P/576I
NTSC:480P/480I
AV1
AV2
<PS+5V>
<PS+5V>
<BOOSTER+5V>
<PS+12V>
R3990 47K
V
U
T
S
R
Q
P
O
N
M
L
K
J
I
H
G
F
E
D
C
B
A
W
B7
B8
B9
B11B10
A1
A2
A3
A9
A5
A6
A7
A8
J0JGC0000020
LB3911
R3994 47K
10K
R3962
470
R3924
MA2C165001VT
D3901
75
R3901
75
R3902
75
R3903
VMC1450
ZA3901
VMC1450
ZA3902
VMC1450
ZA3904
VMC1450
ZA3903
VIDEO OUT JACK
COMPONENT
K2HA306A0025
JK3901
PR
PB
Y
6
5
4
3
2
1
68
R3968
10K
R3915
1500
R3967
3300
R3969
22K
R3917
15K
R3916
(SWITCH)
UNR521200L
QR3913
2SB0710A0L
Q3906
(SWITCH)
(AV2 BLANKING OUT)
2SD132800L
Q3905
THROUGH :ON)
(AV2 RGB
UNR521200L
QR3908
10K
R3977
(AUDIO MUTE)
UNR521100L
QR3909
10K
R3978
(AUDIO MUTE)
2SB1218A0L
Q3908
MA3Z142D0LG
D3903
1
2
3
820
R3982
820
R3981
(AUDIO MUTE)
2SD132800L
Q3909
(AUDIO MUTE)
2SD132800L
Q3910
100K
R3983
100K
R3984
75
R3935
470P
C3957
470P
C3958
1K
R3992
R3991 47K
C3959 47P
C3960 47P
1K
R3993
R3929 470
R3930 470
75
R3934
100P
C3961
100P
C3962
R3933 75
R3932 75
R3931 75
LB3912 J0JGC0000020
LB3913 J0JGC0000020
75
R3928
470P
C3954
470P
C3953
1K
R3989
1K
R3988
R3987 47K
C3951 47P
C3952 47P
75
R3921
75
R3927
75
R3926
75
R3925
100P
C3956
100P
C3955
R3922 470
R3923 470
LB3908 J0JGC0000020
LB3907 J0JGC0000020
(TV)
AV1
K1FB121A0003
JK3905
21191715131197531
2018161412108642
(DECODER/EXT)
AV2
21
20
19
18
17
16
15
14
13
12
11
10
9
8
7
6
5
4
3
2
GND
VIDEO IN
VIDEO OUT/Y OUT
GND
GND
BLANKING
RED/C OUT
GND
GND
-/DATA
GREEN
-/CONTROL
GND
PB +12V
BLUE
AUDIO IN CH1(L)
GND
GND(A)
AUDIO OUT CH1(L)
AUDIO IN CH2(R)
AUDIO OUT CH2(R)
21
20
19
18
17
16
15
14
13
12
11
10
9
8
7
6
5
4
3
2
GND
VIDEO IN/Y IN
VIDEO OUT
GND
GND
BLANKING
RED/C IN
GND
GND
-/DATA
GREEN
-/CONTROL
GND
AV2 +12V
BLUE
AUDIO IN CH1(L)
GND
GND(A)
AUDIO OUT CH1(L)
AUDIO IN CH2(R)
AUDIO OUT CH2(R)
1
1
K1FB121A0003
JK3904
21191715131197531
2018161412108642
27K
R3907
6V47
C3909
22K
R3905
(VIDEO AMP)
2SD1819A0L
Q3901
1K
R3906
IN THE PARTS LIST,AND MAY BE SLIGHTLY DIFFERNT OR AMENDED SINCE THIS DRAWING WAS PREPARED.
NOTE:DO NOT USE THE PART NUMBER SHOWN ON THIS DRAWING FOR ORDERRING.THE CORRECT PART NUMBER IS SHOWN
2221201918171615141312
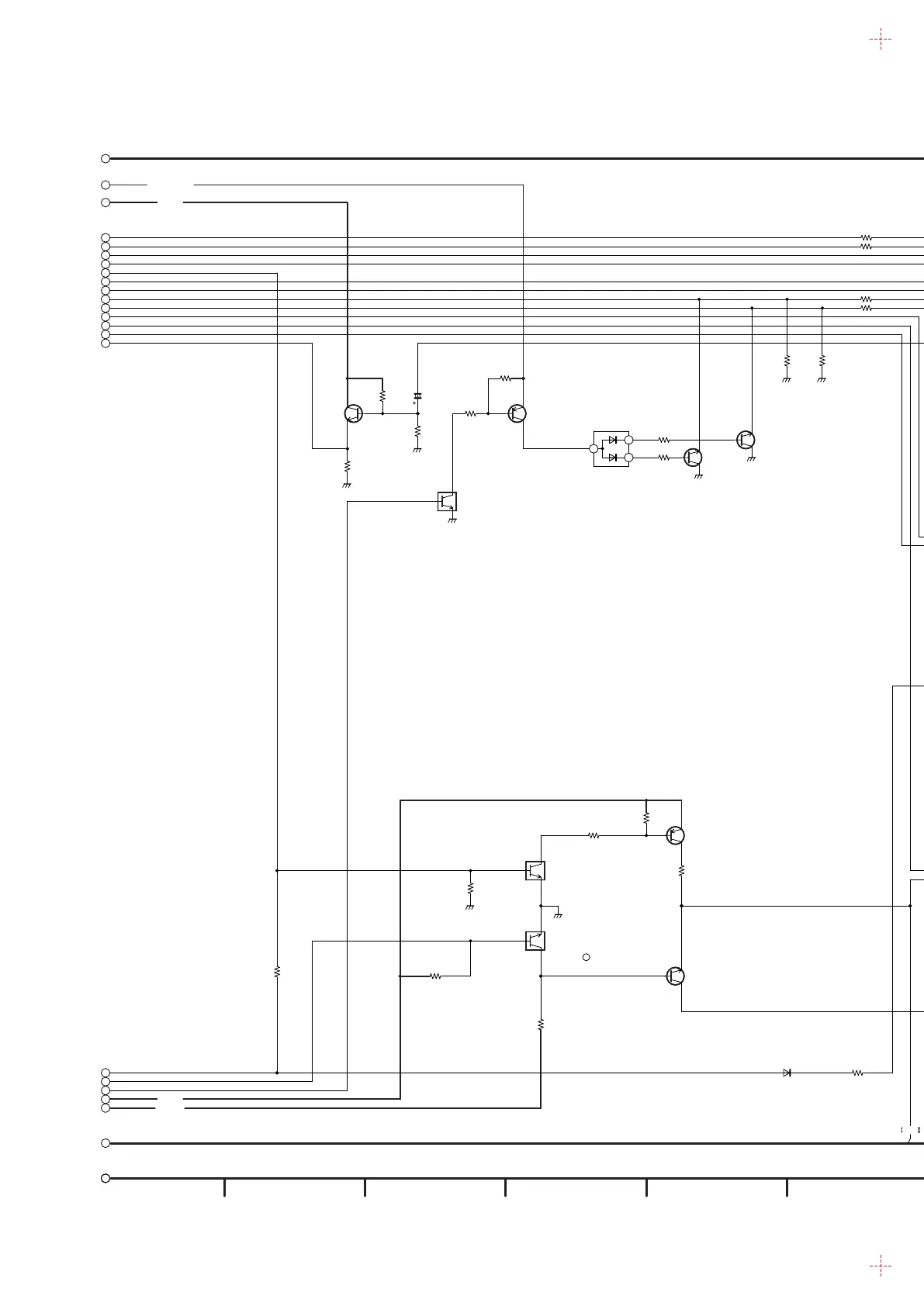
DMR-E53EG,E55EB/EG/EBL/EP
Scart Schematic Diagram
DMR-E53EG,E55EB/EG/EBL/EP
Scart Schematic Diagram
67

Table of Contents

Related product manuals