EasyManua.ls Logo

Panasonic KX-TG1033S

Panasonic KX-TG1033S
98 pages
To Next Page IconTo Next Page
To Next Page IconTo Next Page
To Previous Page IconTo Previous Page
To Previous Page IconTo Previous Page
Loading...
10
KX-TG1032S/KX-TG1033S/KX-TG1034S/KX-TGA101S
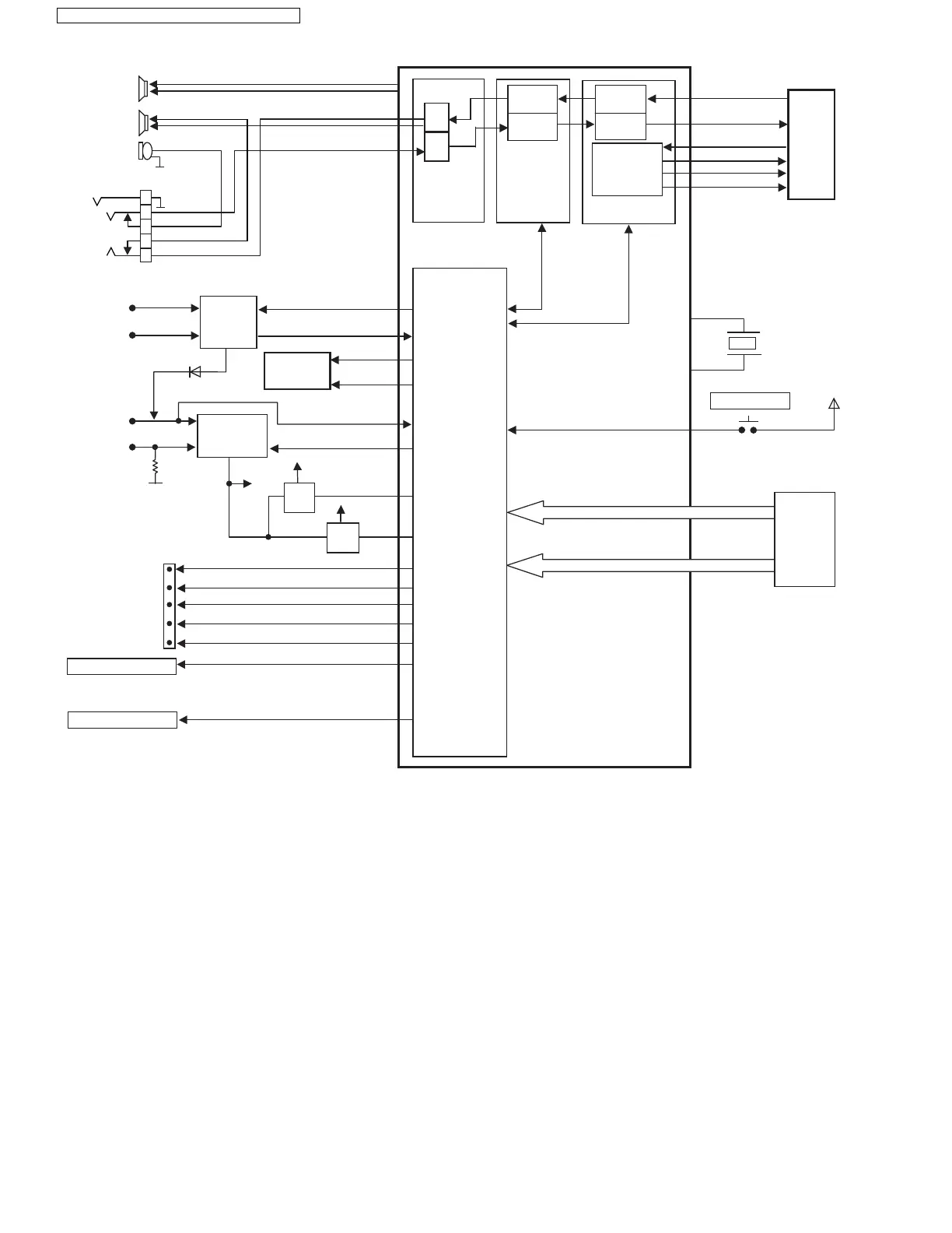
4.3. Block Diagram (Handset)
CHARGE
CIRCUIT
Q4,Q5,Q9
R7
CHARGE
CONTACTS
CHARGE(+)
CHARGE(-)
CHARGE
CHARGE DETECT
EEPROM
SCL
SDA
SWITCHED
SUPPLY
Q1
Q1
BATTERY
TERMINAL
D7
VBAT1
DC/DC-SWITCH
J1
J2
2.5V
Q3
1.8V
Q2
4.0V
2.5V
1.8V
LCD
RS
RESET
CS
SI
SCL
CPU
Analog
Front
End
D/A
A/D
30
32
66
67
72
62
52
45
44
58
56
59
60
6
9
10
77
ADPCM
Codec
Filter
DSP
Speech
Decoding
Speech
Encoding
BMC
Burst
Decoding
Burst
Encoding
RF
Interface
RF
Module
IC4
23
22
RXDA
TXDA
19
26
25
24
RSSI
SYDA
SYEN
SYCL
16
17
XTAL
X1
10.368
MHz
BATTERY
61
ON SWITCH
KEYPAD
ROWS
COLUMNS
1,12,40,76
27,28,34,35,36,74
BBIC
IC1
IC3
11
LCD-BACK LIGHT
Ringer LED
7
46
KX-TGA101 BLOCK DIAGRAM (HANDSET)
SPEAKER
RECEIVER
MIC
CN4
Headset
1
2
3
4
5

Table of Contents

Related product manuals