EasyManua.ls Logo

Panasonic KX-TG1033S

Panasonic KX-TG1033S
98 pages
To Next Page IconTo Next Page
To Next Page IconTo Next Page
To Previous Page IconTo Previous Page
To Previous Page IconTo Previous Page
Loading...
70
KX-TG1032S/KX-TG1033S/KX-TG1034S/KX-TGA101S
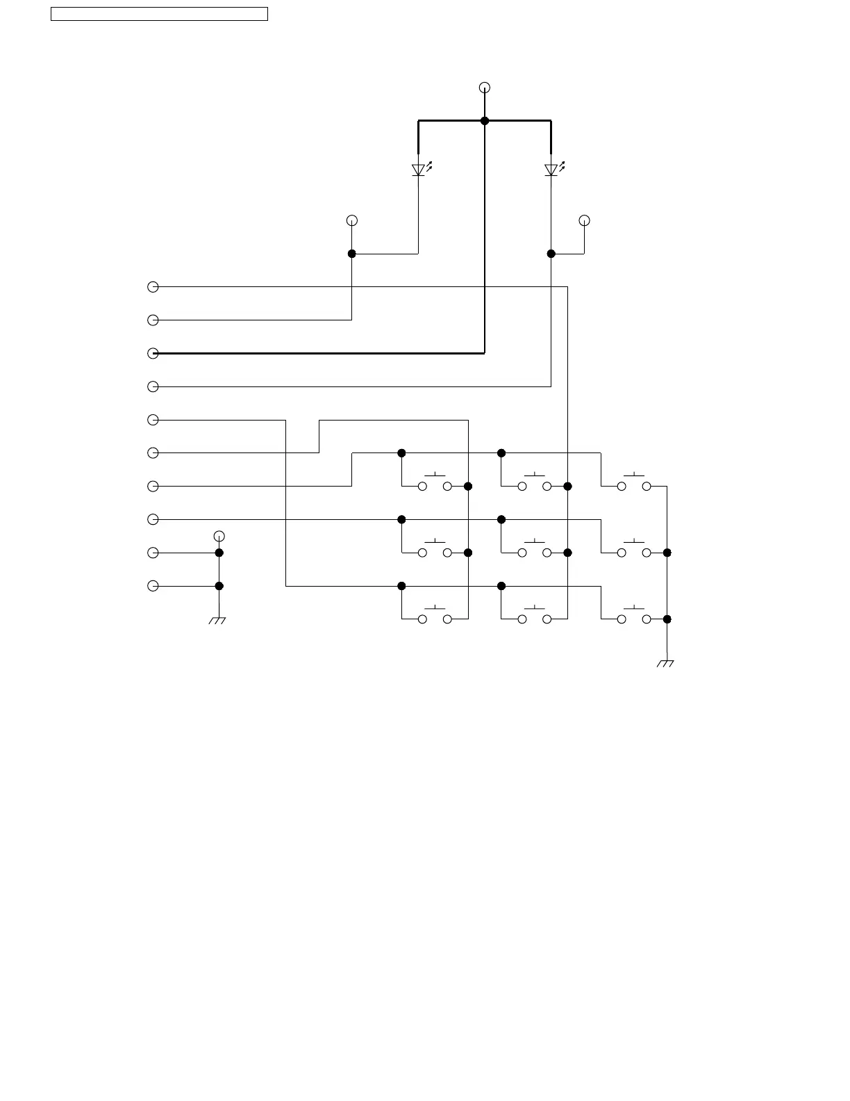
12.3. Schematic Diagram (Base Unit_Operation)
C
LED2
ANS_ON
12
C
STOP
12
ERASE
12
LOCATOR
12
GND
VDD
LED2T
ANS_ON
12
CN10-1
CN10-2
CN10-6(ROW0)
CN10-7(LED1)
CN10-8(VDD)
CN10-9(LED2)
CN10-10(KEY1)
CN10-4(ROW2)
CN10-3(ROW1)
CN10-5(KEY0)
SKIP
12
REPEAT
12
VOL_UP
12
VOL_DOWN
12
PLAY
12
LED1T
PLAY
LED1
12
KX-TG1032/1033/1034 SCHEMATIC DIAGRAM (Base Unit_Operation)

Table of Contents

Related product manuals