EasyManua.ls Logo

Panasonic NV-SD440EG/ - Page 89

Panasonic NV-SD440EG/
192 pages
Print Icon
To Next Page IconTo Next Page
To Next Page IconTo Next Page
To Previous Page IconTo Previous Page
To Previous Page IconTo Previous Page
Loading...
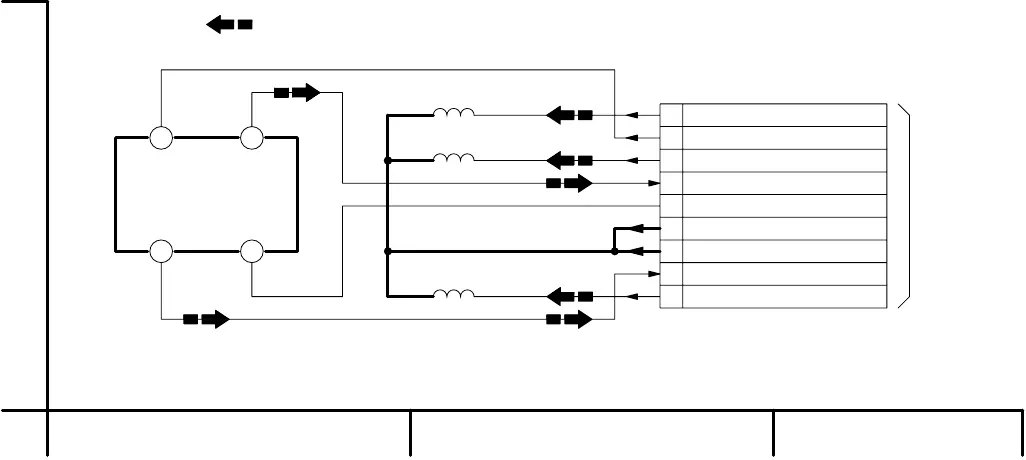
CYLINDER SERVO SPEED LOOP
321
A
P2901
ORDERING.WHEN YOU ORDER A PART,PLEASE REFER TO PARTS LIST.
NOTE:DO NOT USE ANY PART NUMBER SHOWN ON THIS SCHEMATIC DIAGRAM FOR
P2502(Page:66/C-15)
& SERVO SECTION
TO SYSTEM CONTROL
MAIN COIL 1
MAIN COIL 3
MAIN COIL 2
HALL IC
M1
HE-
VM
VM
GND(CYL)
HE+
M3
VH+
9
8
7
6
5
4
3
2
1
M2

Table of Contents

Related product manuals