EasyManua.ls Logo

Panasonic NV-SD440EG/ - Page 91

Panasonic NV-SD440EG/
192 pages
Print Icon
To Next Page IconTo Next Page
To Next Page IconTo Next Page
To Previous Page IconTo Previous Page
To Previous Page IconTo Previous Page
Loading...
SAT
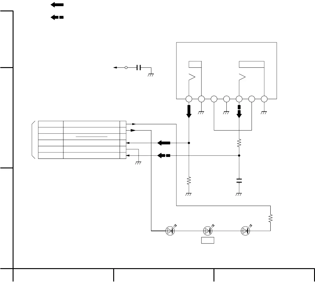
AUDIO MAIN SIGNAL PATH IN REC MODE
VIDEO MAIN SIGNAL PATH IN REC MODE
C
B
A
321
ORDERING.WHEN YOU ORDER A PART,PLEASE REFER TO PARTS LIST.
NOTE:DO NOT USE ANY PART NUMBER SHOWN ON THIS SCHEMATIC DIAGRAM FOR
15
R6504
SLR932AVA
D6503
SLR932AVA
D6502
SLR932AVA
D6501
GND
BOTTOM
0.1
C6503
75
R6501
820P
C6502
1K
R6503
VJJ0575
JK6501
IN
AUDIO
IN
VIDEO
1234567
P7502(Page:65/B-10)
TO TIMER SECTION
P6501
6
5
4
3
2
1
FRONT AUDIO
GND (A)
FRONT VIDEO
UNREG 13V
SAT IR
P7502-1
P7502-2
P7502-3
P7502-4
P7502-5
P7502-6

Table of Contents

Related product manuals