EasyManua.ls Logo

Panasonic PT-AE900U - Cleaning and Replacing Air Filter

Panasonic PT-AE900U
75 pages
To Next Page IconTo Next Page
To Next Page IconTo Next Page
To Previous Page IconTo Previous Page
To Previous Page IconTo Previous Page
Loading...
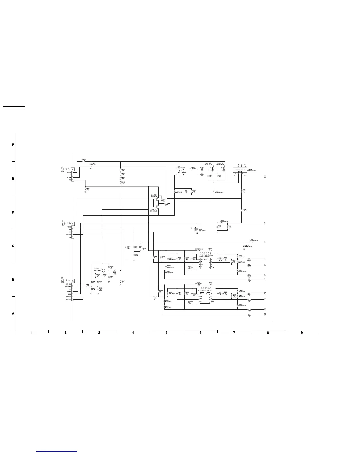
11.11. B-Module (1/2)
B-Module TXANP02VKB4 (1/2) Module Replacement
Only supplied components IC9602-03, Q9603-11, Q9614, D9601, D9604-09, D9611-12, D9616-29,
R9601, R9630-34, R9636-40, R9653, C9603, C9610, C9617-19, T9604, SW9601, S9602, TXJ/L2VJY7
PT-AE900U / PT-AE900E
56

Table of Contents

Other manuals for Panasonic PT-AE900U

Related product manuals