EasyManua.ls Logo

Panasonic S-3650PF3E - Outdoor Units (Electric Wiring Diagram)

Panasonic S-3650PF3E
321 pages
To Next Page IconTo Next Page
To Next Page IconTo Next Page
To Previous Page IconTo Previous Page
To Previous Page IconTo Previous Page
Loading...
3-2-1-1
33
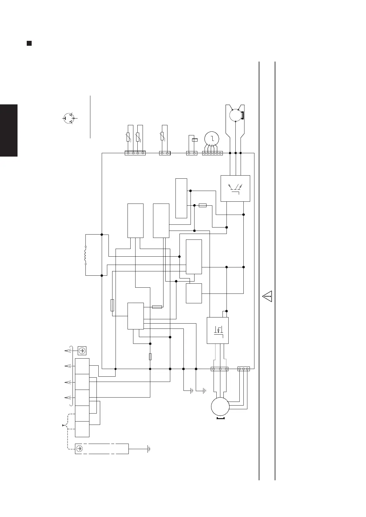
Electric Wiring Diagram
3-2. Outdoor Units
U-36PZ3E5
DUE TO HIGH VOLTAGE, DO NOT TOUCH THE TERMINALS IN THE CONTROL BOARD DURING
OPERATION AND 5 MINUTES AFTER SWITCHING OFF. NEXT, CONFIRM THE VOLTAGE RECTIFICATION
CIRCUIT BETWEEN DIODE BRIDGE (+) AND (-) HAS DROPPED TO BELOW 42V, BEFORE ACCESSING
THE TERMINALS IN THE CONTROL BOARD.
OUTDOORAIRTEMP.
SENSOR
(THERMISTOR)
PIPINGTEMP. SENSOR
(THERMISTOR)
COMP.TEMPERATURE
SENSOR
(THERMISTOR)
U (RED)
P
FUSE103
T3.15A L250V
FUSE102
T3.15A L250V
FUSE104
(15A 250V)
GRY
GRY
REACTOR
NOISE FILTER
CIRCUIT
COMMUNICATION
CIRCUIT
RECTIFICATION
CIRCUIT
PFC
CIRCUIT
RECTIFICATION
CIRCUIT
SWITCHING POWER
SUPPLY CIRCUIT
WIRING DIAGRAM
GRN
GRN
FUSE 101
(20A 250V)
DATA
(
BLK)
AC-L
(BRW)
AC-N
(BLU)
FG 1
(GRN)
FG 2
(GRN)
1
ELECTRONIC CONTROLLER
W
U
V
IC19
CN-MTR2
(WHT)
10
16
14
3
5
FAN
MOTOR
RAT2
(GRY)
RAT1
(GRY)
N
Q1
U
V
W
BLU
YLW
YLW
YLW
V (BLU)
W (YLW)
COMPRESSOR
MS
M
3 ~
CN –TANK
(WHT)
CN –TH
(WHT)
1
4
1
3
ELECTRO-MAGNETIC
COIL
(4-WAYSVALVE)
ELECTRO-MAGNETIC
COIL
(EXPANSIONVALVE)
CN –HOT
(WHT)
CN –STM
(WHT)
1
3
1
6
YELLOW (YEL)
BLUE(BLU)
(TRADEMARK)
COMPRESSORTERMINAL
THEPARENTHESIZED LETTERS IS
INDICATED ONTERMINAL COVER
1
CN-MTR1
(RED)
3
TERMINAL
BOARD
TO INDOOR UNIT
2
(BLU)
1
(BRW)
3
(BLK)
(BLU)
(BRW)
(BLK)
BLK
BRW
BLU
BLU
SINGLE PHASE
POWER SUPPLY
NL
GROUNDINGTERMINAL
BRW
YLW/GRN
MS
3 ~
REMARKS
BLU : BLUE
BLK : BLACK
WHT : WHITE
RED : RED
YLW : YELLOW
GRY : GRAY
GRN : GREEN
BRW : BROWN
YLW/GRN : YELLOW/GREEN
ACXF22-08420
CAUTION
RED
RED(RED)
SM830283-00_欧州向け R32シングル36-71形TD&SM.indb 1 20/01/28 11:25:46

Table of Contents

Other manuals for Panasonic S-3650PF3E

Related product manuals