EasyManua.ls Logo

Panasonic SA-MAX4000E - Main (Damp) Circuit (2;2)

Panasonic SA-MAX4000E
31 pages
Print Icon
To Next Page IconTo Next Page
To Next Page IconTo Next Page
To Previous Page IconTo Previous Page
To Previous Page IconTo Previous Page
Loading...
12
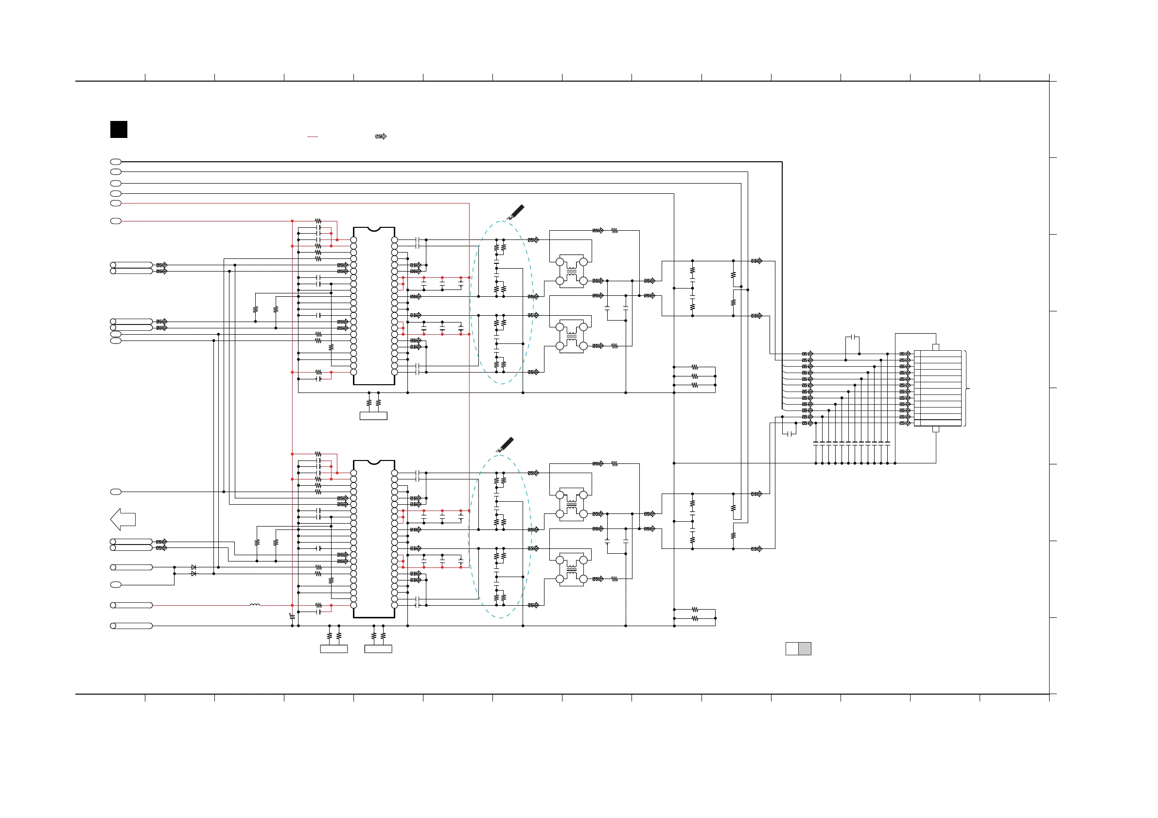
4.6. Main (Damp) Circuit (2/2)
15 16 17 18 19 20 21 22 23 24 25 26 27 28
15 16 17 18 19 20 21 22 23 24 25 26 27 28
A
C
D
B
E
G
H
F
A
MAIN (DAMP) CIRCUIT
SCHEMATIC DIAGRAM - 6
SA-MAX4000E/GM/GS MAIN (DAMP) CIRCUIT
2/21/2
TO MAIN (DAMP)
CIRCUIT (1/2)
TO SPEAKERS
2
6
5
4
P1
1
9
8
7
3
: +B SIGNAL LINE
DS: MAIN (DSP): SCHEMATIC DIAGRAM - 9
VR: MAIN (VREG FAN): SCHEMATIC DIAGRAM - 11 ~ 13
: AUDIO SIGNAL LINE
NOTE: “ * ” REF IS FOR INDICATION ONLY
R3505
100K
R3506
100K
R3507
3.3
R3508
3.3
C3522
0.01
C3523
0.01
R3525
100K
R3526
100K
R3663 0
R3662 0
R3661 0
R3527
3.3
R3528
3.3
C3542
0.01
C3543
0.01
D3001
B0ACCK000005
D3000
B0ACCK000005
G1C4R7MA0172
L3003
C3000
16V33
2
43
1
G0C100M00013
L3300
2
43
1
G0C100M00013
L3301
0
K3200
0
K3201
1
C3566
1
C3565
0.033
C3308
C3310
0.1
C3311
1
C3312
1
C3318
0.1
C3319
1
C3320
1
C3309
0.033
C3306 0.1
C3307 0.1
C3305 0.1
C3304 0.1
C3303 0.1
C3302 0.1
C3301 10
R3302 22K
R3309
100
R3304
0
R3667
0
0.033
C3327
0
R3316
0
R3317
C3326
0.033
R3307 0
R3303 100
R3301 10
R3311 10
R3300 10
R3115 0
2
1
4
43
11
9
10
34
36
35
12 33
6
7
5
39
38
41
40
837
2322
20
18
16
14
13
15
17
19
31
32
28
26
25
27
30
29
21 24
3 42
44
C1AB00003986
DIGITAL AMPLIFIER
IC3301
PVDD_AB
OUT_A
GND
OUT_B
PVDD_AB
PVDD_AB
GND
GND
OUT_A
BST_D
BST_C
OUT_D
OUT_D
GND
OUT_C
PVDD_CD
GND
PVDD_CD
PVDD_CD
GND
/RST
DVDD
GND
GND
OC_ADJ
INPUT_B
C_START
INPUT_A
M1
M3
M2
GND
GND
AVDD
/OTW
/CLIP
GVDD_CD
/FAULT
INPUT_C
INPUT_D
GVDD_AB BST_A
VDD BST_B
HEATSINK*
2
43
1
G0C100M00013
L3000
2
43
1
G0C100M00013
L3001
0
K3000
0
K3001
1
C3554
1
C3553
0.033
C3008
C3010
0.1
C3011
1
C3012
1
C3018
0.1
C3019
1
C3020
1
C3009
0.033
C3006 0.1
C3007 0.1
C3005 0.1
C3004 0.1
C3003 0.1
C3002 0.1
C3001 10
R3002 22K
R3009
100
R3004
0
R3666
0
0.033
C3027
0
R3016
0
R3017
C3026
0.033
R3007 0
R3003 100
R3001 10
R3011 10
R3000 10
R3112 0
2
1
4
43
11
9
10
34
36
35
12 33
6
7
5
39
38
41
40
837
2322
20
18
16
14
13
15
17
19
31
32
28
26
25
27
30
29
21 24
3 42
44
C1AB00003986
DIGITAL AMPLIFIER
IC3001
PVDD_AB
OUT_A
GND
OUT_B
PVDD_AB
PVDD_AB
GND
GND
OUT_A
BST_D
BST_C
OUT_D
OUT_D
GND
OUT_C
PVDD_CD
GND
PVDD_CD
PVDD_CD
GND
/RST
DVDD
GND
GND
OC_ADJ
INPUT_B
C_START
INPUT_A
M1
M3
M2
GND
GND
AVDD
/OTW
/CLIP
GVDD_CD
/FAULT
INPUT_C
INPUT_D
GVDD_AB BST_A
VDD BST_B
HEATSINK*
0
R3018
0
R3019
HEATSINK*
SW+
DS
SW-
DS
SW+
DS
SW-
DS
PW_MUX_+12V
VR
DC_DET_AMP
VR
DAMPGND
VR
0.1
C3502
0.1
C3503
0.1
C3506
0.1
C3504 0.1
C3510
0.1
C3511
0.1
C3512
0.1
C3567
1
C3513
0.1
C3505
0.1
C3507 0.1
C3508
0.1
C3509
10
11
8
6
4
2
1
3
5
7
G1
9
12
G2
JK3500
FRONT_R_HIGH+
FRONT_R_HIGH-
FRONT_R_LOW-
SUBWOOFER_L-
FRONT_L_HIGH-
SUBWOOFER_L+
FRONT_L_LOW-
FRONT_L_LOW+
FRONT_L_HIGH+
SUBWOOFER_R-
SUBWOOFER_R+
FRONT_R_LOW+
FR_L+
FR_L-
FR_H+
FR_H-
FL_L+
FL_L-
FL_H+
FL_H-
SW+
DS
SW-
DS
R3664 0
R3665 0
C3568
1
R3555
6.8
R3014
6.8
R3554
6.8
R3015
6.8
R3557
6.8
R3012
6.8
R3556
6.8
R3013
6.8
1200P
C3021
1200P
C3022
1200P
C3013
1200P
C3014
R3543
6.8
R3314
6.8
R3542
6.8
R3315
6.8
R3544
6.8
R3312
6.8
R3545
6.8
R3313
6.8
1200P
C3313
1200P
C3314
1200P
C3321
1200P
C3322
ADD
(R3012,R3013,
R3014,R3015,
R3554,R3555,
R3556,R3557,
C3013,C3014,
C3021,C3022)
ADD
(R3312,R3313,
R3314,R3315,
R3542,R3543,
R3544,R3545,
C3313,C3314,
C3221,C3222)

Related product manuals