EasyManua.ls Logo

Panasonic SA-MAX4000E - Main (Vreg Fan) Circuit (2;3)

Panasonic SA-MAX4000E
31 pages
Print Icon
To Next Page IconTo Next Page
To Next Page IconTo Next Page
To Previous Page IconTo Previous Page
To Previous Page IconTo Previous Page
Loading...
18
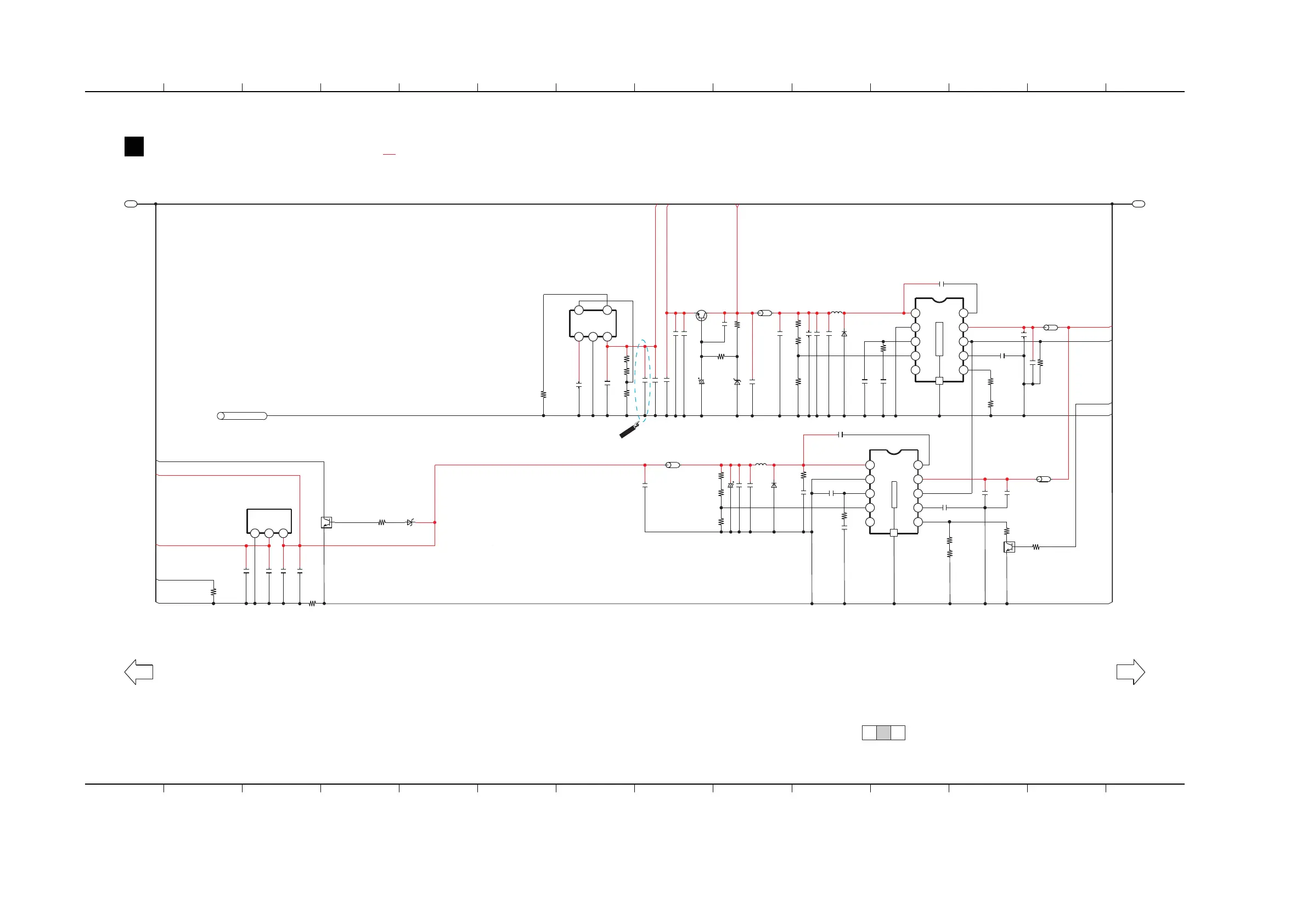
4.12. Main (Vreg Fan) Circuit (2/3)
15 16 17 18 19 20 21 22 23 24 25 26 27 28
15 16 17 18 19 20 21 22 23 24 25 26 27 28
A
MAIN (VREG FAN) CIRCUIT
SCHEMATIC DIAGRAM - 12
SA-MAX4000E/GM/GS MAIN (VREG FAN) CIRCUIT
3/32/31/3
TO MAIN (VREG FAN)
CIRCUIT (3/3)
TO MAIN (VREG FAN)
CIRCUIT (1/3)
P1 P1
: +B SIGNAL LINE
B0JCPG000032
D2106
L2101
G1C470MA0291
C2140 47P
0.1C2117
30K
R2168
27K
R2180
C2139 0.01
2.2KR2237
J0JGC0000063
R2187
4.7
C2128
C2182 0.1
15K
R2167
C2138 1000P
83
T1
4
56
7
9
10
2
1
THERMAL PAD
C0DBAYY01594
+15V DC-DC CONVERTER
IC2103
DAMPGND
DA
DAMPGND
PW_FL_+12V
PW_MUX_+12V
PW_FANOUT_16V
15V_REG_BP
PCONT
PW_+37V
Q2113
B1BACG000023
+12V VOLTAGE REGULATOR
R2156
820
C2191 0.1
0.01
C2136
100R2157
D2104
DZ2J130M0L
0.01C2134
C2135
25V220
C2179 0.1
10KR2166
22C2142
22C2141
0.1C2144
0.1C2188
10
C2189
0.1
C2190
LB2103
J0JHC0000046
82K
R2164
100K
R2165
C2160
10
R2236
2.2K
312
45
IC2106
C0DBEYY00146
+12V VOLTAGE REGULATOR
C2161 10
R2190
4.7K
R2191
33K
R2189
10K
EN
BOOT
VIN
SS/TR
RT/CLK
VIN
FB
VOGND
EN
COMP
VSENSE
PWGND
PH
GND
B0JCPG000032
D2107
G1C330MA0291
L2102
4.7
R2248
C2187
680P
C2148
4.7 0.1
C2181
1K
R2196
R2179
68K
C2152 0.1
C2153
22P
C2151
4700P
83
T1
4
56
7
9
10
2
1
THERMAL PAD
C0DBAYY01594
+5.6V DC-DC CONVERTER
IC2101
C2150 0.01
R2197
1.8M
R2181
0
R2178
270K
Q2116
B1GBCFJJ0041
SWITCH
DGND2
PW_CD_+5R6V
DC_DET_PWR
PW_CD_3R3V
CD3R3_GND
CDMOTOR_GND
R2225
0
213
C0DBGYY03909
+3.3V VOLTAGE REGULATOR
IC2104
C2177 0.1
C2104 10
LB2101
J0JHC0000046
D2111
DZ2J130M0L
1K
R2245
0
R2199
Q2119
SWITCH
B1GBCFJJ0041
C2176 0.1
10C2100
C2180 0.1
C2194 0.1
30K
R2176
10K
R2175
10C2149
10V220C2155
30K
R2177
SS/TRVSENSE
PWGND
BOOT
EN
GND VINVOUT
COMP
GND
PH
RT/CLK
VIN
LB2104
J0JGC0000063
C2162 10
DELETE
(C2162)
DA: MAIN (DAMP): SCHEMATIC DIAGRAM - 5 ~ 6

Related product manuals