EasyManua.ls Logo

Panasonic SA-PM28E - Schematic Diagram - 14

Panasonic SA-PM28E
169 pages
Print Icon
To Next Page IconTo Next Page
To Next Page IconTo Next Page
To Previous Page IconTo Previous Page
To Previous Page IconTo Previous Page
Loading...
1
2
3
4
5
6
8
7
2
4
6
5
3
1
2
1
R517
330
C521
25V33
D520
B0BA9R600002
R518 1.2K
D525
B0AACK000004
C520
0.01
R526
10K
R524 2.2
R520 2.2
R519 2.2
R569
27
R568
15
R571
3.3K
C517
0.01
C516
50V10
R573
2.7K
R572
560
R574
2.7K
R512
150
R511
1K
R549
2.2
R536
2.2
C511
0.01
C512
16V100
C752
16V10
C751
16V10
D515
B0BA9R600002
R556
27
R557
27
R539
3.9K
D524
MTZJ15CTA
C528
0.01
C526
50V33
R537
2.2K
R567
150
C518
0.01
D517
B0BA5R6000016
D541
RL1N4003S-P
D540
RL1N4003S-P
D539
RL1N4003S-P
D743
1DE3
C508 25V3300
C530
0.1
C506 50V2200C507 50V2200
C533
0.1
R780
47K
R781
47K
C537
1000P
C536
6.3V220
R551
100K
R561 100K
R562 390K
R548 180K
R547 68K
R770
3.3K
D530
B0AACK000004
R546 22K
R565
12K
R566
10K
R761 22K
R760 22K
R763 5.6K
R762 5.6K
R534
330
R550
330
R554
330
D508
MTZJ15BTA
R544 4.7K
R545 4.7K
R543 2.2K
R542 2.2K
R541 15K
R540 15K
R533 15K
R532 15K
C515 0.01
C503 820P
C501 820P
C500 820P
C502 820P
R514 56K
C509 33P
R515 56K
C510 33P
R506 56K
C505 39P
R505 56K
C504 39P
C702
50V2.2
C704
6.3V220
D707
Q703
Q517
Q514
Q501
Q505
Q506
Q509
Q508
Q502
Q703
B1AACF000063
SWITCH
HI_L_IN
HI_R_IN
IN_GND
LO_L_IN
LO_R_IN
GND
-VccM
LO_R_OUT
ACDET
LO_L_OUT
HI_R_OUT
-Vcc
+Vcc
HI_L_OUT
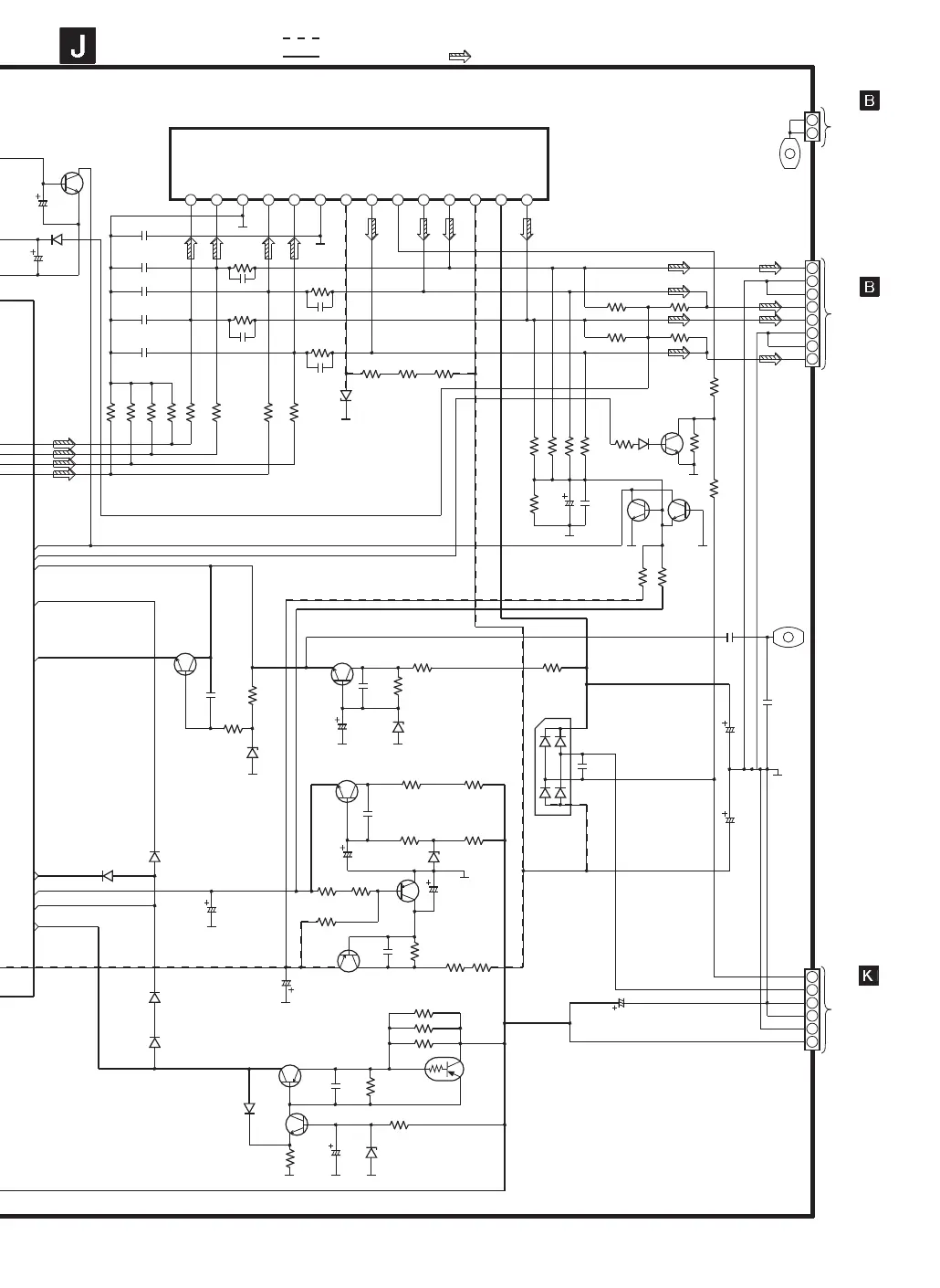
IC500
IC500
RSN314H41A-P
POWER AMP
CN503
E502
E501
HI_R
GND
GND
LO_L
HI_L
GND
GND
LO_R
S3
S4
GND
GND
GND2
SUB+B
DCDET
MUTE_H
+15V
CD7.5V
SW5V
7.5V
+9V
10V
TO
MAIN CIRCUIT
(H303/W303) ON
SCHEMATIC
DIAGRAM - 8
TO
AC TRANSFORMER
CIRCUIT
(CN506) ON
SCHEMATIC
DIAGRAM - 15
POWER CIRCUIT
SCHEMATIC DIAGRAM - 14
: +B SIGNAL LINE
: -B SIGNAL LINE
H503/
W503
CN504
: MAIN SIGNAL LINE
REMASTER
D707
B0AACK000004
Q519
B1AAGC000006
MUTING SWITCH
Q519
Q515
Q516
Q515, 516
KTC3199GRTA
SWITCH (DCDET)
Q514
2SD0592ARA
VOLTAGE REGULATOR
Q517
KTC32030YTA
VOLTAGE REGULATOR
Q501
KTC2026
VOLTAGE REGULATOR
Q505
KTA1267GRTA
REGULATOR
Q506
KTA1046
CURRENT CONTROL
D500
B0EBNL000004
Q509
KRA110MTA
CURRENT LIMITTING
Q502
KTA1046
STABILIZER
Q508
KTC3199GRTA
VOLTAGE REGULATOR
D743
1DE3 (E/EG)
B0EAKM000085 (EB)
C535
0.1
TO
MAIN CIRCUIT
(WH303) ON
SCHEMATIC
DIAGRAM - 5
14
13
12
11 10
9 8 7 6 5 4 3 2 1

Related product manuals