EasyManua.ls Logo

Panasonic SA-PM28E - Signal Lines

Panasonic SA-PM28E
169 pages
Print Icon
To Previous Page IconTo Previous Page
To Previous Page IconTo Previous Page
Loading...
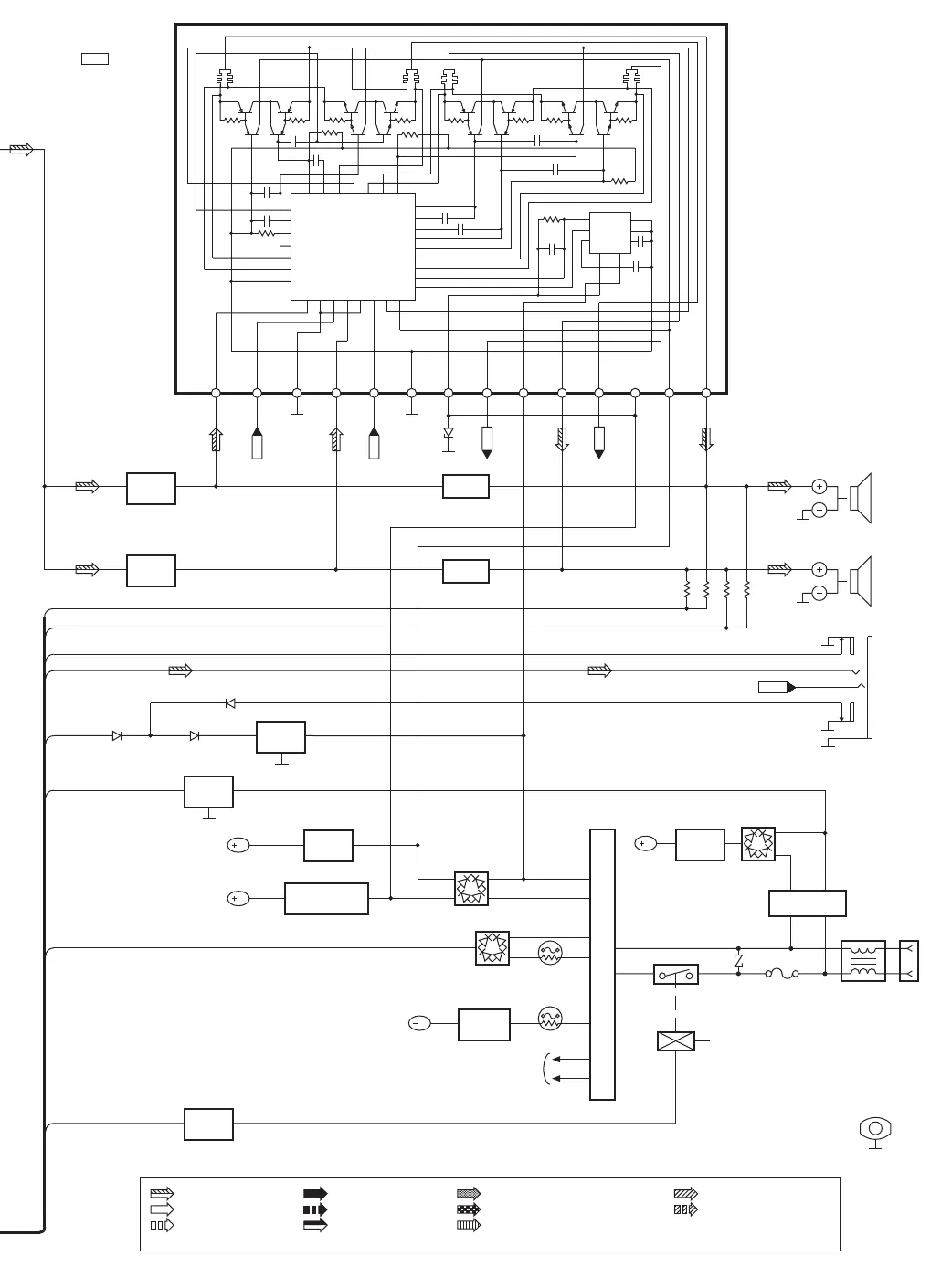
SIGNAL LINES
( ) Indicates the Pin No. of Right Channel.
: MAIN SIGNAL LINE
: FM SIGNAL LINE
: FM OSC SIGNAL LINE
: AM SIGNAL LINE
: AM OSC SIGNAL LINE
: FM /AM SIGNAL LINE
: AUX SIGNAL LINE
: CD-DA (AUDIO /VIDEO) SIGNAL LINE
: CD SIGNAL LINE
: PLAYBACK SIGNAL LINE
: RECORD SIGNAL LINE
NOTE : Signal Lines are applicable to the Left Channel only.
RCH
RCH
RCH
RCH
D508
IC2
4ch DRIVER
D500
E501
D579,D580,
D585,D586
B
IC500
RSN314H41A-P
POWER AMP HIC
JK501
AC INLET
T502
Z501
F1
L503
RL501
SUB-
TRANSFORMER
Q505,Q506
REGULATOR/
CURRENT CONTROL
D584,D587~D589
FP501
Q514,Q517
VOLTAGE
REGULATOR
B
B
D526 D530
D527
HI_LIN
14
HI_RIN
13
IN GND
12
LO_LIN
11
LO_RIN
10
GND
9
LO_ROUT
7
HI_ROUT
4
HI_LOUT
1
7
9
10
811
121516
1
2
3
6
37
40
35
39
38
32
31
3029
28
27
17
19
18
20
21
23
24
26
LO_LOUT
5
4
3
1
2
5
6
7
9
8
-VCC
3
+VCC
2
-VCCM
8
AC DET
6
T501
LCH
JK301
LOW CH
(6Ω)
LCH
JK302
HIGH CH
(6Ω)
Q717(Q716)
MUTING
SWITCH
Q715(Q714)
MUTING
SWITCH
FILTER
FILTER
JK900
HEADPHONE
RCH
KEY SW
HP_L(R)
Q578
SWITCH
Q519
MUTING
SWITCH
MAIN TRANSFORMER
TO FL DISPLAY
Q575
ECONOMY
SWITCH
FAN
DCDET
SYNC
MUTE_H
PCONT
Q577
SYS 6V
REGULATOR
FP502
Q579
-VP VOLTAGE
REGULATOR
B
SUB+B

Related product manuals