EasyManua.ls Logo

Panasonic SA-VK61D - Page 43

Panasonic SA-VK61D
156 pages
Print Icon
To Next Page IconTo Next Page
To Next Page IconTo Next Page
To Previous Page IconTo Previous Page
To Previous Page IconTo Previous Page
Loading...
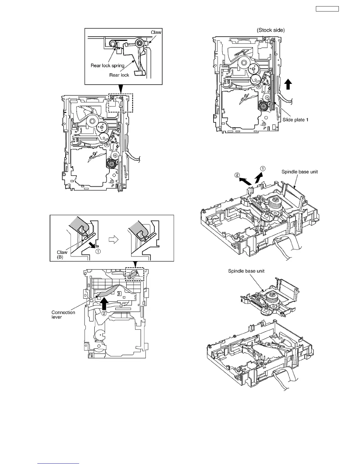
Step 9 Pressing the claw (B) in the direction of arrow (1), force
the connection lever in the direction of arrow (2).
Step 10 Move the slide plate 1 to the end of stock side.
Step 11 Lift up the left end of spindle base unit in the direction
of arrow (1), and then remove the unit in the direction of arrow
(2).
Step 12 Remove slide plate 1 and slide plate 2.
43
SA-VK61DGS

Table of Contents

Related product manuals