EasyManua.ls Logo

Panasonic SA-VK61D - Page 63

Panasonic SA-VK61D
156 pages
Print Icon
To Next Page IconTo Next Page
To Next Page IconTo Next Page
To Previous Page IconTo Previous Page
To Previous Page IconTo Previous Page
Loading...
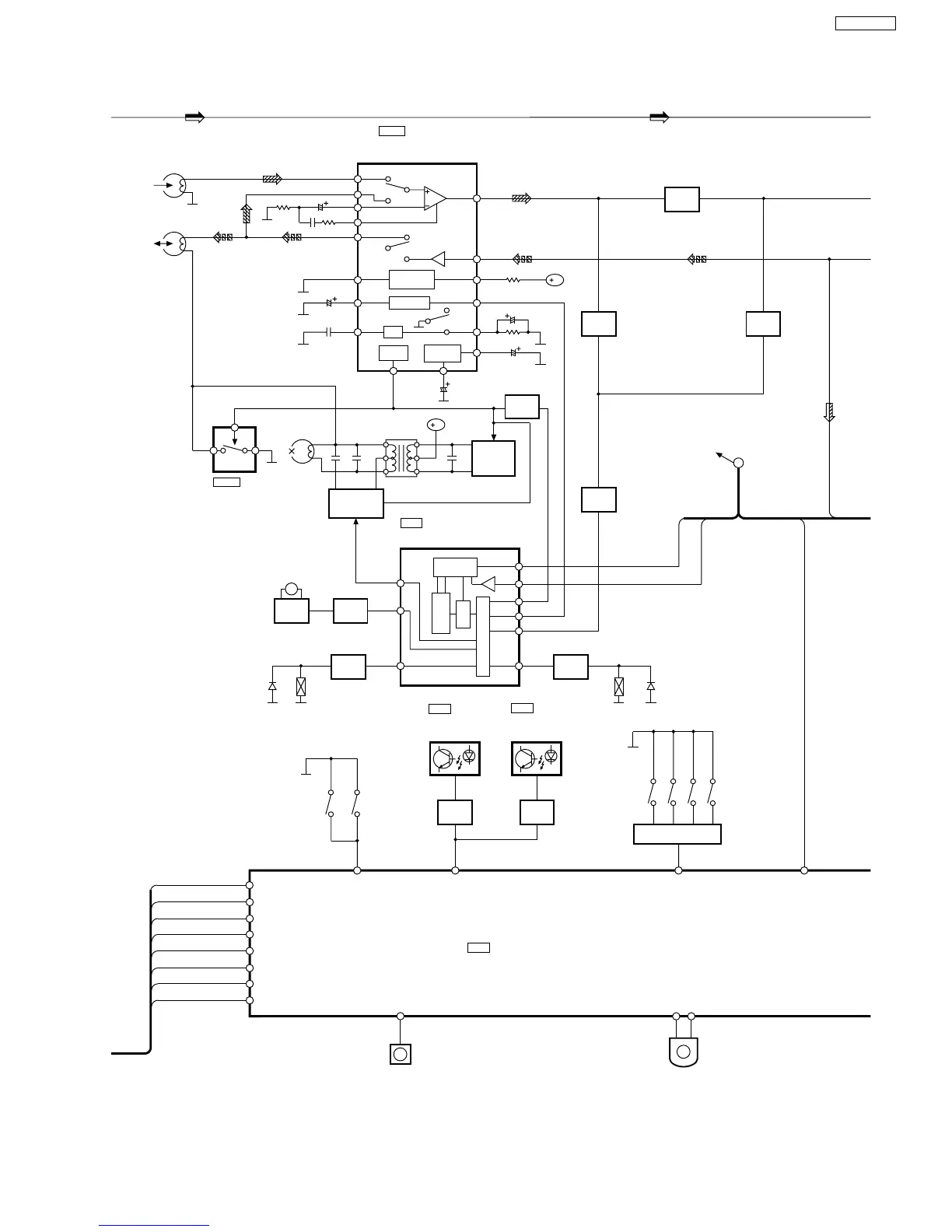
(DECK 2)
ERASE HEAD
LCH
(DECK 1)
P.B. HEAD
LCH
(DECK 2)
R/P HEAD
IC1001
AN7348S-E1
P.B. EQ/REC AMP/
ALC/TPS AMP
B
L1002
IC1004
C1AA00000612
R/P SELECT
B
M
MOTOR
PL971 PL970
SERC
SERA
C
DVD_MUTE
LIN(R)
CE
92
PLL_CE
DI
88
PLL_DA
SD
80
SD
ST/DO
77
PLLD_IF
CL
85
SERB
20(5)
24(23)
NOR/CrO &
HI/LO LOGIC
LOGIC
REC/PB
RIPPLE
REJECTION
LOGIC L/H
ALC
18(7)
1(2)
22(3)
21(4)
17(8)
10
6
16
19
14
15
13
9
11
3
2
4
Q1004~Q1007
BIAS OSC
CONTROL
SWITCHING
(BEAT PROOF/
RECH)
Q1001,Q1003
Q609
Q1014(Q1015)
BUFFER
AMP
12-BIT SHIFT
REGISTER
LATCH
OUTPUT BUFFER
CONTROL
CIRCUIT
11
BP1
CLK
3
DAT
2
REC
12
10
1M
14
1PL
H1
13
DMT
9
2PL
15
Q608
Q615
PLUNGER
ON/OFF
SWITCH
Q1017
MOTOR
SWITCH
D951
Q614
PLUNGER
ON/OFF
SWITCH
D971
Q1012
(Q1013)
MUTING
Q1016
DECK
MUTING
SWITCH
Q1020
(Q1021)
MUTING
SWITCH
DSPCLK
100
DVDCLK
STATUS
99
DVD_STA
CMD
98
DVD_CMD
DVD_MUTE
84
TO DVD BLOCK
SWITCH
(REC:H)
SWITCH
(MOTOR)
S951
(MODE)
S952
(HALF)
DECK1
25
IC601
C1BB00000574
I/O EXPANDER
VOLUME JOG
VR600
79
VOL_B
78
VOL_A
DECK3
26
Q612,
Q613
Q610,
Q611
SWITCH SWITCH
IC951
CNB13030R2AU
PHOTO
INTERRUPTOR
IC971
CNB13030R2AU
PHOTO
INTERRUPTOR
INTERFACE
Z971
S975
(RECINH_F)
S972
(HALF)
S971
(MODE)
S974
(RECINH_R)
DECK2
24
Z600
REMOTE SENSOR
29
RMT
C2BBHF000076
MICROPROCESSOR
IC600
63
SA-VK61DGS

Table of Contents

Related product manuals