EasyManua.ls Logo

Panasonic SA-VK61D - Page 64

Panasonic SA-VK61D
156 pages
Print Icon
To Next Page IconTo Next Page
To Next Page IconTo Next Page
To Previous Page IconTo Previous Page
To Previous Page IconTo Previous Page
Loading...
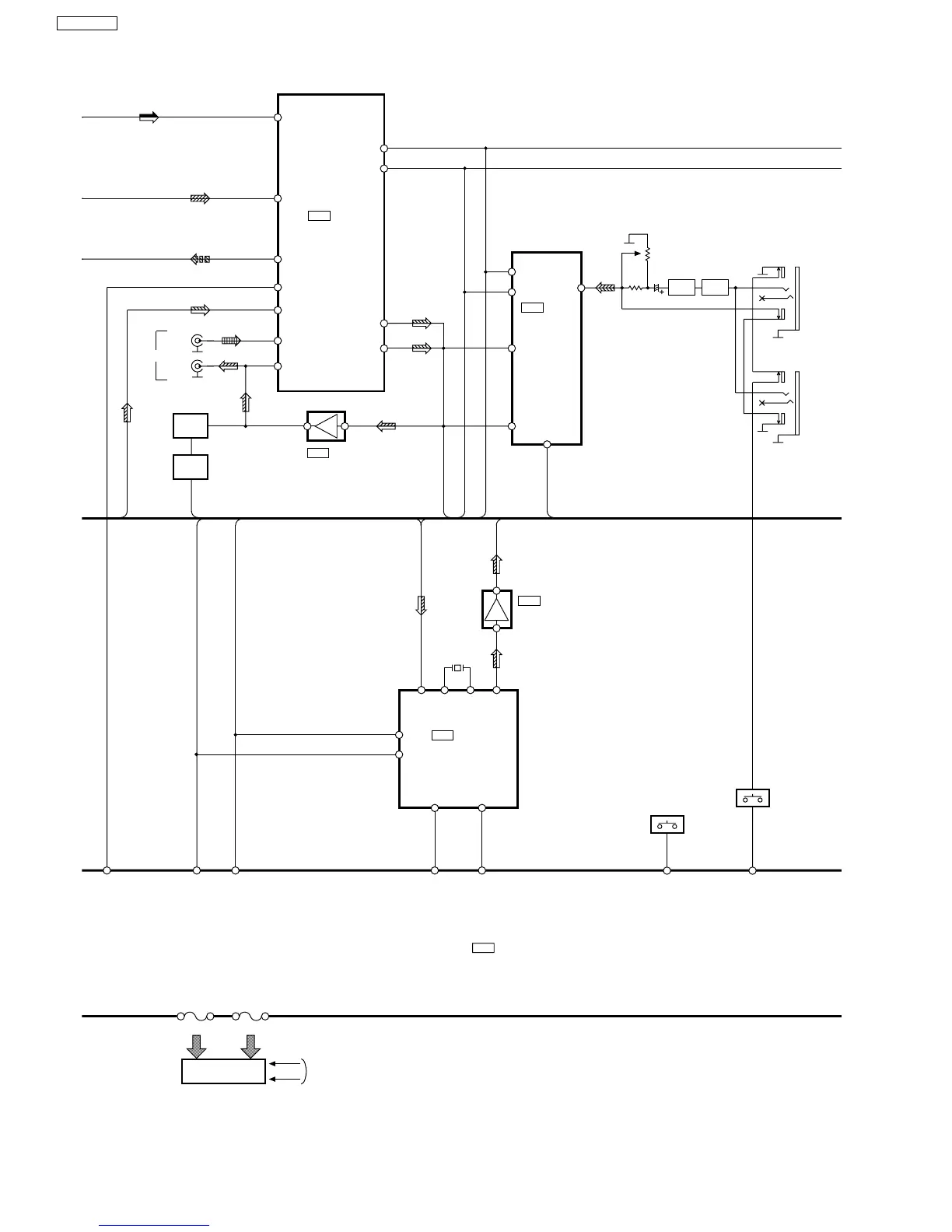
SEG1
42~45,47~50,
52~71,73~76
SEG33
GRID1
GRID11
30~40
FROM POWER
TRANSFORMER
FL DISPLAY
FL600
DATA
17
S2
28(3)
19(12)
C3
27(4)
S3
CK
16
29(2)
S1
S7
21(10)
ST
14
MIXL(R)
S5
24(7)
5(3)
7(1)
IC302
KIA4558FEL
DUAL OP-AMP
C1
25(6)
SPEA
C2
22(9)
DATA
CLOCK
MUTE_L
AUX
JK304
NJU_LAT
8
Q301
MUTING
SWITCH
Q300
MUTING
CONTROL
LINE
OUT
50
/RST
52
/CS
54
IFDI
53
IFCK
LIN(R)
X700
BPL(R)
IC306
KIA4558FEL
DUAL OP-AMP
IC700
C2HBZC000013
DSP IC
XI
3
LIN4(R)
65(69)
XO
4
AOT1(2)
11(14)
5(3)
7(1)
DSP_RST/
94
DSP_CS
93
SERE
95
SERF
97
CLOCK
DATA
34
75(74)
77
32
33
KEYLAT
64(63),
65(62)
Q900
LIMITER
Q606,Q607
MIC
AMP
IC301
C0JZAS000004
ANALOG
SWITCH
IC702
C1BB00000801
KARAOKE IC
JK600
MIC1
JK900
MIC2
S601~S605
KEY SW
KEY1
20
VR602
S901~S910
KEY SW
KEY2
19
C2BBHF000076
MICROPROCESSOR
IC600
64
SA-VK61DGS

Table of Contents

Related product manuals