EasyManua.ls Logo

Panasonic SA-VK61D - Page 65

Panasonic SA-VK61D
156 pages
Print Icon
To Next Page IconTo Next Page
To Next Page IconTo Next Page
To Previous Page IconTo Previous Page
To Previous Page IconTo Previous Page
Loading...
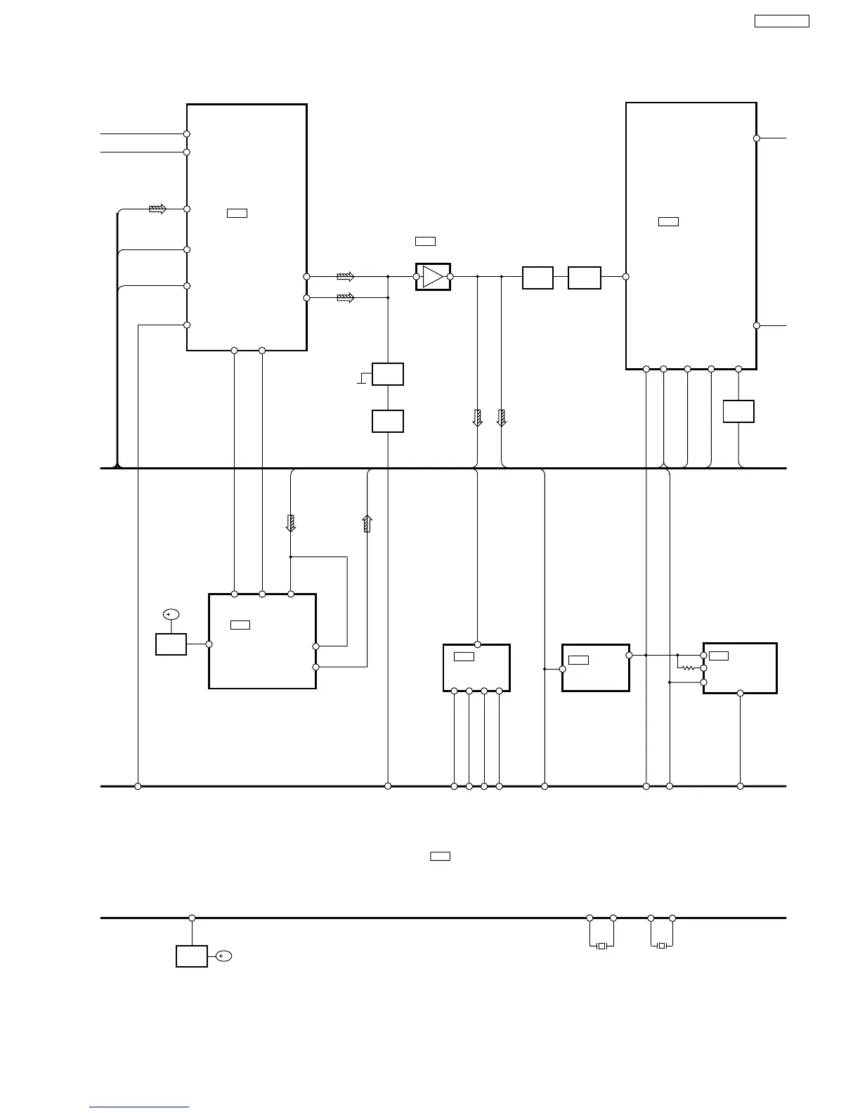
IC307
C1BB00000782
6 CHANNEL
VOLUME
41
CLOCK
40
DATA
39
LATCH
DSP_PCNT
15
DVD_PCNT
8
IC703
C1BB00000574
I/O EXPANDER
2(6)
1(7)
IC308
C0AABB000117
OP-AMP
12
HP_MUTE
LOUT(R)
31(32)
COUT
33
DAT
2
SERA
CLK
3
MUTE_H
MUTE_H
9
MUTE_L
MUTE_L
10
VMUTE
VMUTE
13
18
IFDI
PORT1
1
PORT2
2
Q321
OUTL(R)
SERC
HPL(R)
HPF1-2 (2)
2(23)
NF2
22
FR_L(R)
OUTL(R)
X601
CF1
15
CF2
16
SPEA
SP_A
10
83
IC603
C1BB00000086
SPECTRUM
ANALYSER
SP_B
11
82
SP_C
12
81
SPE
17
23
8
LIN(R)
15(13)
LIN(R)
BPL(R)
17(16)
BYPASSL(R)
VOL_CS
96
WIDE
3
PORT3
Q312
MUTING
CONTROL
LVL1
9
LVL2
10
SWITCH
HPF1-1 (2)
1(24)
MUTE_A
91
Q314
MUTING
SWITCH
SERD
87
IC604
C1BB00000574
I/O EXPANDER
3
2
SERC
86
Q522
MUTING
SWITCH
Q308
MUTING
CONTROL
Q317
MUTING
SWITCH
IC701
M62456FPE1
DIGITAL SOUND
CONTROLLER
1
EECS
3
IC602
BR93LC46FE2
EEPROM
(NOT SUPPLIED)
DSP_RST/
94
B
Q700,Q701
SWITCH
B
XCOUT
13
XCIN
12
X602
SERA
2
SERA
4
5
6
C2BBHF000076
MICROPROCESSOR
IC600
65
SA-VK61DGS

Table of Contents

Related product manuals