EasyManua.ls Logo

Panasonic SA-VK61D - Page 66

Panasonic SA-VK61D
156 pages
Print Icon
To Next Page IconTo Next Page
To Next Page IconTo Next Page
To Previous Page IconTo Previous Page
To Previous Page IconTo Previous Page
Loading...
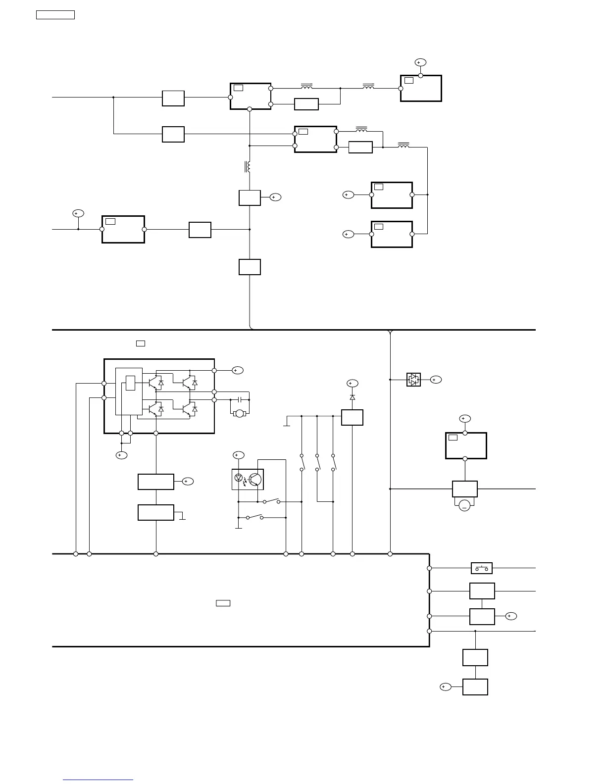
B
B
M
RM1
5
IN1
6
IN2
Vs
8
OUT1
2
OUT2
10
VREF
4
VCC
7
GND
1
REG
IC1
C0GAM0000005
MOTOR DRIVE
SW1
SW2
SW3
SW4
SW5
B
B
D1
B
B
B
L9
L4
L7L6
2
5
4
2
5
4
1
1
DCDET
B
B
B
DCDET
D806
B
B
IC5
C0DBZHE00017
POWER
SUPPLY IC
IC9
C0CBADG00005
5V
REGULATOR
B
L8
OPEN
PUSH
PUSH
LOAD
CD
IC6
C0CBADG00005
5V
REGULATOR
IC2
C0CBADG00005
5V
REGUALTOR
IC8
C0DBCFG00004
1.5V
REGULATOR
IC4
C0DBAMH00009
POWER
SUPPLY IC
IC3
C0DBAMH00009
POWER
SUPPLY IC
B
RESET
11
Q600
RESET
SWITCH
Q616
SYNC
SWITCH
6
CHG_PLGR
KEY3
18
S606~S612,S614
KEY SW
3
CHG_HALF
Q1
POWER
SUPPLY
CONTROL
27
CHG_SW
4
CHG_CW
5
CHG_CCW
21
CHG_AD1
22
CHG_AD2
D2
Q100
PLUNGER MOTOR
SUPPLY CONTROL
SWITCH
Q101
CD MOTOR
SUPPLY SWITCH
Q17
PCONT
SWITCH
Q6
SWITCH
Q5
CURRENT
LIMITER
FILTER
Q18
PCONT
SWITCH
FILTER
Q801
SWITCH
DCDET
7
Q370~Q375
FAN
MOTOR
DRIVE
M
Q605
PCONT
SWITCH
Q603,
Q604
POWER
SUPPLY
SWITCH
PCONT
9
SYNC
28
C2BBHF000076
MICROPROCESSOR
IC600
66
SA-VK61DGS

Table of Contents

Related product manuals