EasyManua.ls Logo

Panasonic SA-VK61D - Page 67

Panasonic SA-VK61D
156 pages
Print Icon
To Next Page IconTo Next Page
To Next Page IconTo Next Page
To Previous Page IconTo Previous Page
To Previous Page IconTo Previous Page
Loading...
E500
KEY SW
SYNC
FAN
-Di SENS
14
-VCC LOW
5
21(20)
L IN(R)
L OUT(R)
3(6)
JK953
FR
-VD
19
DISP HMUT
11
+VD
18
D501
+Di SENS
13
+VCC LOW
4
D500
1
+VCC HI
7
AC IN
D951~D954
D969~D973
B
D970
FP950
D962~D965
B
JK500
AC INLET
T502
Z501
F1
L500
RL502
SUB-
TRANSFORMER
F3
F4
D957,D958
2
-VCC HI
D968
IC500
RSN312H24-P
POWER HIC
IC501
C5BA00000113
VOLTAGE
REGULATOR
+Vin2
1
+Vin1
12
-Vin1
6
HPL(R)
DCDET
RCH
D528~D530
KEY SW
D526
FAN
MUTE_H
Q549,Q550
DCDET SWITCH,
POWER SUPPLY
Q546~
Q548
SWITCH
Q541,Q542
REGULATOR
Q545
SWITCH
MAIN TRANSFORMER
TO FL DISPLAY
Q953
PCONT
SWITCH
SYNC
Q951
REGULATOR
FP951
Q950
REGULATOR
B
Q952
T501
D522,
D523
D520,
D521
Q520,Q521
DCDET
SWITCH
FR_L(R)
Q540
REGULATOR
D987(D984)
D979(D977)
Q543,
Q544
REGULATOR
REGULATOR
JK601
HEADPHONE
FILTER
LCH
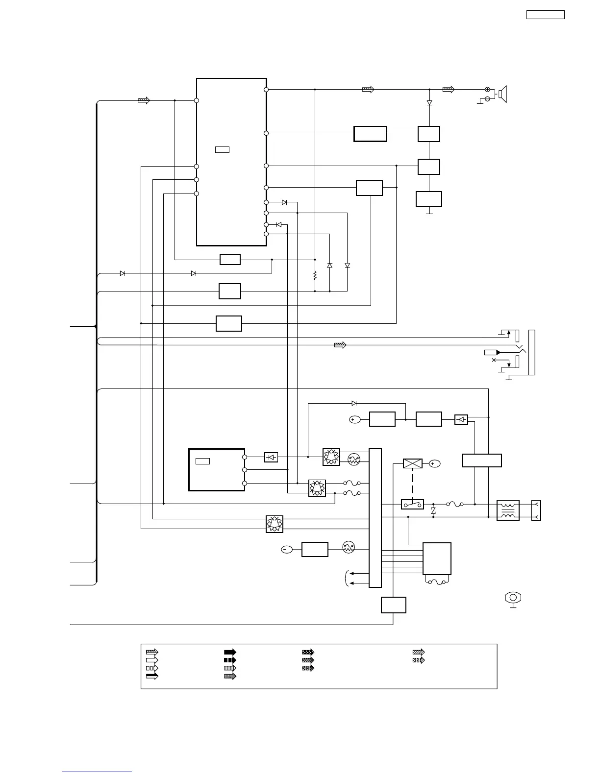
SIGNAL LINES
( ) Indicates the Pin No. of Right Channel.
: MAIN SIGNAL LINE
: FM SIGNAL LINE
: FM OSC SIGNAL LINE
: AM SIGNAL LINE
: AM OSC SIGNAL LINE
: FM /AM SIGNAL LINE
: AUX SIGNAL LINE
: CD-DA (AUDIO /VIDEO) SIGNAL LINE
: CD SIGNAL LINE
: PLAYBACK SIGNAL LINE
: RECORD SIGNAL LINE
NOTE : Signal Lines are applicable to the Left Channel only.
: DVD AUDIO SIGNAL LINE
: DVD VIDEO SIGNAL LINE
VOLTAGE
SELECTOR
F2
S501
67
SA-VK61DGS

Table of Contents

Related product manuals