EasyManua.ls Logo

Panasonic SB-WA310 - Page 162

Panasonic SB-WA310
210 pages
Print Icon
To Next Page IconTo Next Page
To Next Page IconTo Next Page
To Previous Page IconTo Previous Page
To Previous Page IconTo Previous Page
Loading...
17
16
15
14
13
21
20
22
19
18
12
11
10
2
4
6
8
9
7
5
3
1
1
2
5
4
3
3
4
5
2
1
3
4
5
2
1
TC3202
TC3203
TC3204
CB/PB/B
VGND
DSPCLK
STATUS
CMD
DGND
M+9V
MGND
D+5V
DGND
D+2.5V
DGND
D+2.5V
DGND
A+5V
AGND
Y
VGND
C
VGND
CR/PR/R
Y/PY/G
TP6253
TC3206
TC3207
TC3209
TC3208
TC3207
TC3209
TC3208
DSPCLK-MINI
STATUS-MINI
CMD-MINI
AD
AD
AD
PS3201
CPU
CPU
CPU
DSPCLK
STATUS
CMD
LB3201
LB3202
LB3203
IC6253
C0DBCGE00002
VOLTAGE REGULATOR
IN
NC
OUT
ON/OFF
GND
C6253
10V10
C6256
0.1
AVDEC D+1.5V
C6251
10V10
R6253
1K
R6252
100
R6251
100
OUT IN
VR
ON/OFF
GND
IC6251
C0CBCBE00003
POWER SUPPLY
C6254
0.1
SODC
C6252
10V10
IC6252
C0DBFFG00004
VOLTAGE REGULATOR
C6255
0.1
OUT IN
NC
ON/OFF
GND
D+3. 3V FEP/SODC/AVDEC/AD/CPU/CLK
M+9V
D+5V
FEP
FEP/CPU
A+5V
FEP/SODC/AVDEC
LB3205
LB3206
LB3207
Y
C
AVDEC
AVDEC
Y/PY/G
AVDEC
CB/PB/B
AVDEC
CR/PR/R
AVDEC
R3246
1K
R3243
560
L3221
G1C4R7J00008
L3222
G1C4R7J00008
Q3222
C3222
15P
C3223
15P
R3245
100
R3244
10K
C3224
0.01
R3238
1K
R3235
560
L3212
G1C4R7J00008
L3213
G1C4R7J00008
Q3212
C3213
12P
C3214
12P
R3237
100
R3236
10K
C3215
0.01
R3242
1K
R3239
560
L3216
G1C4R7J00008
L3217
G1C4R7J00008
Q3217
C3217
12P
C3218
12P
R3241
100
R3240
10K
C3219
0.01
FL6253
F1H0J1050018
FL6255
F1J1E1040022
FL6251
F1H0J1050018
FL6254
F1H0J1050018
D+1.8V
V+5VAVDEC
Q3222
2SB1218ARL
AMPLIFIER
Q3217
2SB1218ARL
AMPLIFIER
Q3212
2SB1218ARL
AMPLIFIER
C6257
6.3V100
LB3201-LB3203
D0GB101JA002
LB3205-LB3207
J0JCC0000119
LB3208
J0JCC0000119
LB3209
J0JBC0000015
TC3201
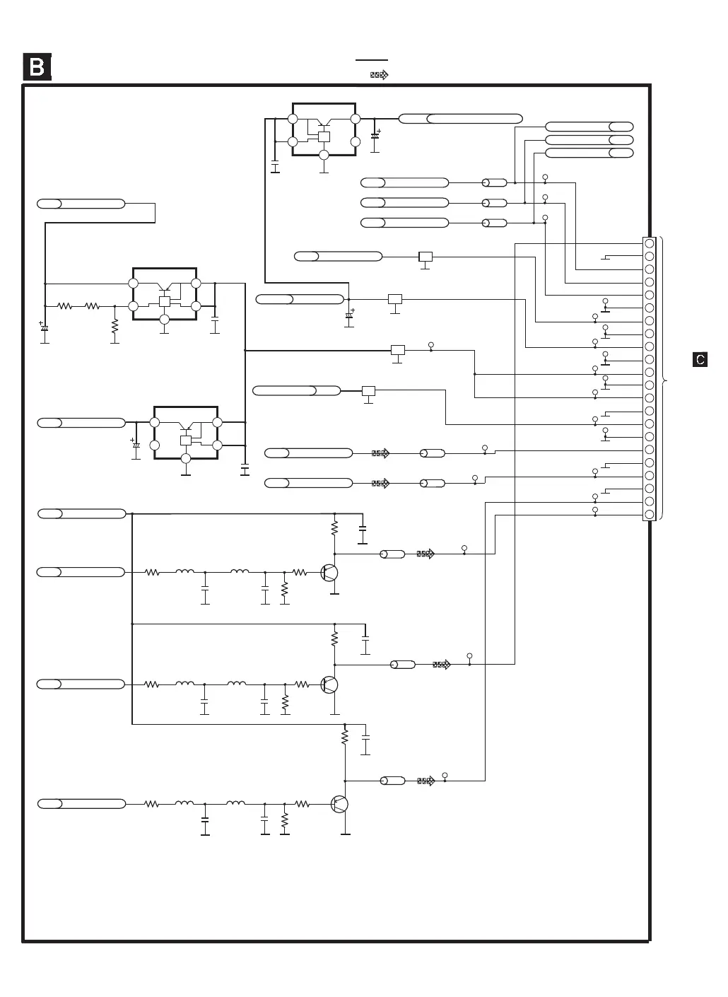
DVD MODULE (2) (VIDEO DAC) CIRCUIT
SCHEMATIC DIAGRAM-14
: DVD VIDEO SIGNAL LINE
TO
MAIN (DVD
INTERFACE
:IF) CIRCUIT
(P30003) ON
SCHEMATIC
DIAGRAM-21
: +B SIGNAL LINE
TC3205
TP6258
TP6256
TP6254
TP6252
TP6259
TP6251
TP6254
TP6255
TP6257

Related product manuals