EasyManua.ls Logo

Panasonic SB-WA310 - Page 163

Panasonic SB-WA310
210 pages
Print Icon
To Next Page IconTo Next Page
To Next Page IconTo Next Page
To Previous Page IconTo Previous Page
To Previous Page IconTo Previous Page
Loading...
10111213
2 3 4 5
14
1
89
6 7
R266
IC102
ANALOG SWITCH
IC102
CN210
H206
R265
C249
C248
R262
R261
R263
R264
TL1002
R1351
Q1354
TUNER 5V
Q1354
C1351
Q1352
5V REG
Q1352
C1352
D1351
TL4506
TL4504
TL4503
R4528
R4581
QR4505
MUTING SWITCH
MUTING SWITCH
QR4505
R4582
R4527
QR4506
QR4506
QR4504
MUTING CONTROL
QR4504
R4513
47K
10K
0.01
0.01
4.7K
1.2K
1.8K
820
820
0.01
6.3V22
470
470
470
470
2.2K
L
C0JBAS000008
B1AAGD000006
B1AAGD000006
MAZ4056NHF
UNR521600L
UNR521600L
UNR511300L
VIDEO_OUT
VIDEO_IN
MIX_TUN_L
MIX_TUN_R
GND
GND
Y
TUN_CTR
TUN_L
TUN_R
MIX_CTRL
AUX_RAUX_R
AUX_LAUX_L
DSP_IN_LDSP_IN_L
DSP_IN_L
DSP_IN_R
DSP_IN_R
DSP_IN_R
CR
CB
-7V
UNREG_6V
MUTE TC
AUDIO_5V
SW_REG_12R3V
TUN_5V
SC
SY
15
14
13
12
11
10
2
4
6
8
9
7
5
3
1
2
4
5
3
1
R
IF
IF
IF
IF
IF
IF
IF
IF
IF
IF
CR
CB
Y
DVD_C_OUT
DVD_Y_OUT
+7V
-7V
MIXROUT
MIXLOUT
D_
V
V
V
AUDIO_5V
VIDEO_OUT_1
VIDEO_IN1
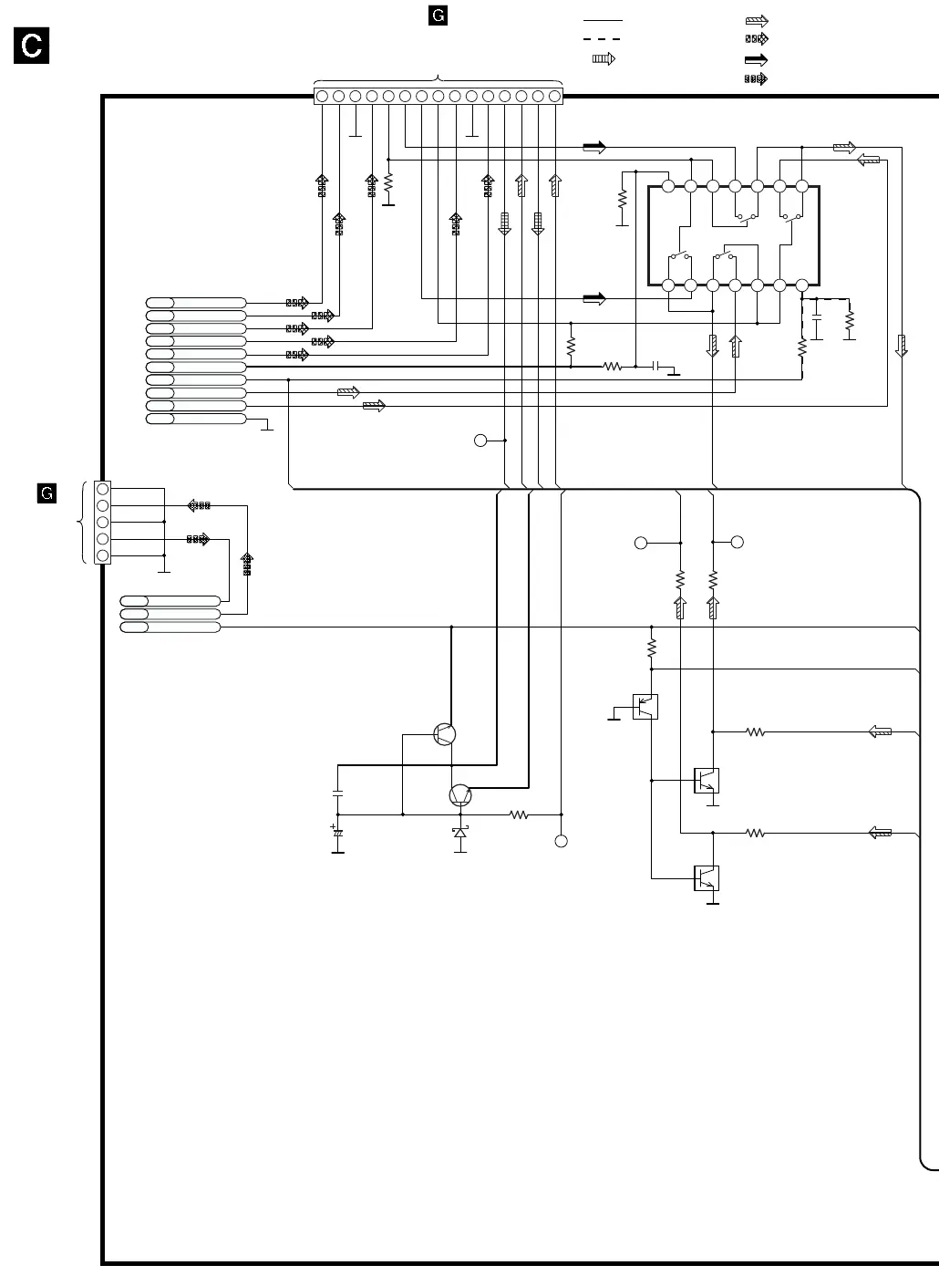
MAIN (AUDIO:A) CIRCUIT
SCHEMATIC DIAGRAM-15
TO
INPUT
CIRCUIT
(CN203) ON
SCHEMATIC
DIAGRAM-36
TO
INPUT CIRCUIT
(CN206) ON
SCHEMATIC
DIAGRAM-36
: +B SIGNAL LINE
: -B SIGNAL LINE
: MAIN SIGNAL LINE
: DVD VIDEO SIGNAL LINE
: AUX SIGNAL LINE
: AM/FM SIGNAL LINE
: VIDEO SIGNAL LINE

Related product manuals