EasyManua.ls Logo

Panasonic SB-WA310 - Page 181

Panasonic SB-WA310
210 pages
Print Icon
To Next Page IconTo Next Page
To Next Page IconTo Next Page
To Previous Page IconTo Previous Page
To Previous Page IconTo Previous Page
Loading...
16V10
100P
0.1
47P
0.1
0.1
22K
8.2K
8.2K
3.9K
16V10
100P
12K
0.01
27
220P
47P
2.2K
2.2K
2.2K
220P
27
1.8
470
0.1
5.6K
6.8K
8.2K
4.7K
47K
22K
22K
47K
100K
4.7K
2.2K
18K
16V10
16V10
50V1
16V10
16V10
50V1
390
0.15
12K
16V10
0.15
100K
100K
50V1
16V10
3.9K
2.7K
50V1
16V10
2.7K
100K
3.9K
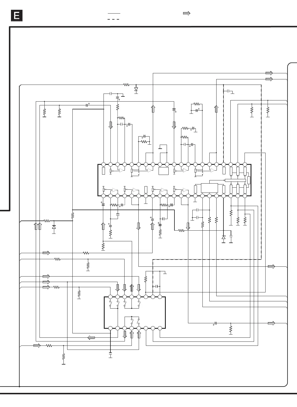
IC371
IC371
4CH VOLUME
C735
C368
C361
C380
C382
C383
IC372
IC372
ANALOG IC
R742
R388
D382
R369
R364
C364
C363
R363
D384
C371
R394
C377
C381
R377
R381
R380
C374
R393
D383
R373
R375
C384
R384
R385
R370
R382
R390
R391
R392
R386
R387
R374
R378
C378
C373
C372
C375
C379
C376
R379
C370
R366
C369
C365
R360
R361
C366
C367
R367
R365
C360
C362
R362
R376
R371
COJBAR000292
B0BC5R000009
UDZSTE176R8B
UDZSTE176R8B
GND2
GND3
PORT5
PORT4
INH
Z0
G
VSS
Z1
A
X0
C
B
X1
VDD
Y0
Y1
Cch
OUT PUT PORT
Cch
Lch
PORT6
Rch
Rch
Lch
SWch
SWch
DGND
GND1
CLOCK
DATA
LATCH
PORT3
PORT2
PORT1
AVDD
AVDDAVDD
DVDD
M62444FPE1
SUR_R
SUR_L
SW_ch
SW_ATT2
SW_ATT1
-9V
+9V
4CHVOL_CK
4CHVOL_CK
4CHVOL_LT
4CHVOL_LT
4CHVOL_DT
4CHVOL_DT
6CHSL
DPLS
6CHSW
6CHC
DPLC
6CHSR
INH1
AVSS
CCH
3
4
5
6
2324
25
26
7
1
2
2728
8
9
10
11
12
13
14
29
30
15
16
31
32
17
18
33
34
35
36
19 20
37
38
39
40
21
22
4142
3 4 5 6
11121314
7
10
2
15
1
16
8
9
R389
47K
R383
REGULATOR CIRCUIT
SCHEMATIC DIAGRAM-33
: +B SIGNAL LINE
: -B SIGNAL LINE
: MAIN SIGNAL LINE

Related product manuals