EasyManua.ls Logo

Panasonic SB-WA310 - Page 182

Panasonic SB-WA310
210 pages
Print Icon
To Next Page IconTo Next Page
To Next Page IconTo Next Page
To Previous Page IconTo Previous Page
To Previous Page IconTo Previous Page
Loading...
82
82
82
82
4.7
4.7
0.01
1.2K
1.2K
0.01
0.01
4.7K
4.7K
82K
120K
0.1
4A
1A
25V2200
50V4.7
560
16V100
16V100
16V10
0.01
0.01
0.01
4.7K
4.7
4.7
25V1000
560
2.7K
47K
1
1
16V10
16V10
47K
2.7K
680
25V1000
470
R797
R796
R795
R794
R817
R816
Q813
Q813
Q814
Q814
Q812
SWITCH
SWITCH
DCDET SWITCH
SWITCH
SWITCH
SWITCH
SWITCH
SWITCH
Q812
Q811
Q811
D792
C864
R860
R865
D803
D803
C862
C865
R868R867
Q810
Q810
R866
R861
L802
C807
FP800
L801
FP801
C808
D814
D815
D814,D815
C775
Q791
Q791
Q790
Q790
Q807
Q807
R815
Q806
Q806
SWITCH
SWITCH
C817
C804
Q801
REGULATOR
Q801
C805
D810
C803
D804
C818
R806
0 0
R801
D805
D801
D801
Q815
Q815
C861
L804
R862
D802
R802
D807
D809
D806~D809
D808
D806
D791
CN201
D811
R803
C811
R818
R814
R791
R864
R863
C863
C866
R792
R819
R804
C813
R805
2SB621ARSTA
B1ABCF000011
B1ABCF000011
2SB14170QA
B0ACCK000005
B0ADCC000002
B1GDCFJJ0002
RL1N4003S-P
L801,L802
G0A200D00002
KTC3875GRTA
KTC3875GRTA
KTA1046
B1ADCF000001
KTC2026
UDZSTE1710B
B0ADCC000002
B0BC5R000009
RL1N4003N02
B1GBCFJN0004
G0C100JA0030
RL1N4003N02
RL1N4003N02
B0ADCJ000020
RL1N4003N02
EGND
SUBAC1
SUBAC2
DCDET
DSP_DCDET
MO10V
MO10V
DSP_DCDET
-9V
-9V
+9V
SUB+B
MUTE_LINE
HP_CTR
PCONT
SYNC
SYS6V
DCDET
+9V
-9V
DSP_A5V
DSP_D5V
+9V
MO10V
11
10
12
2
4
6
8
9
7
5
3
1
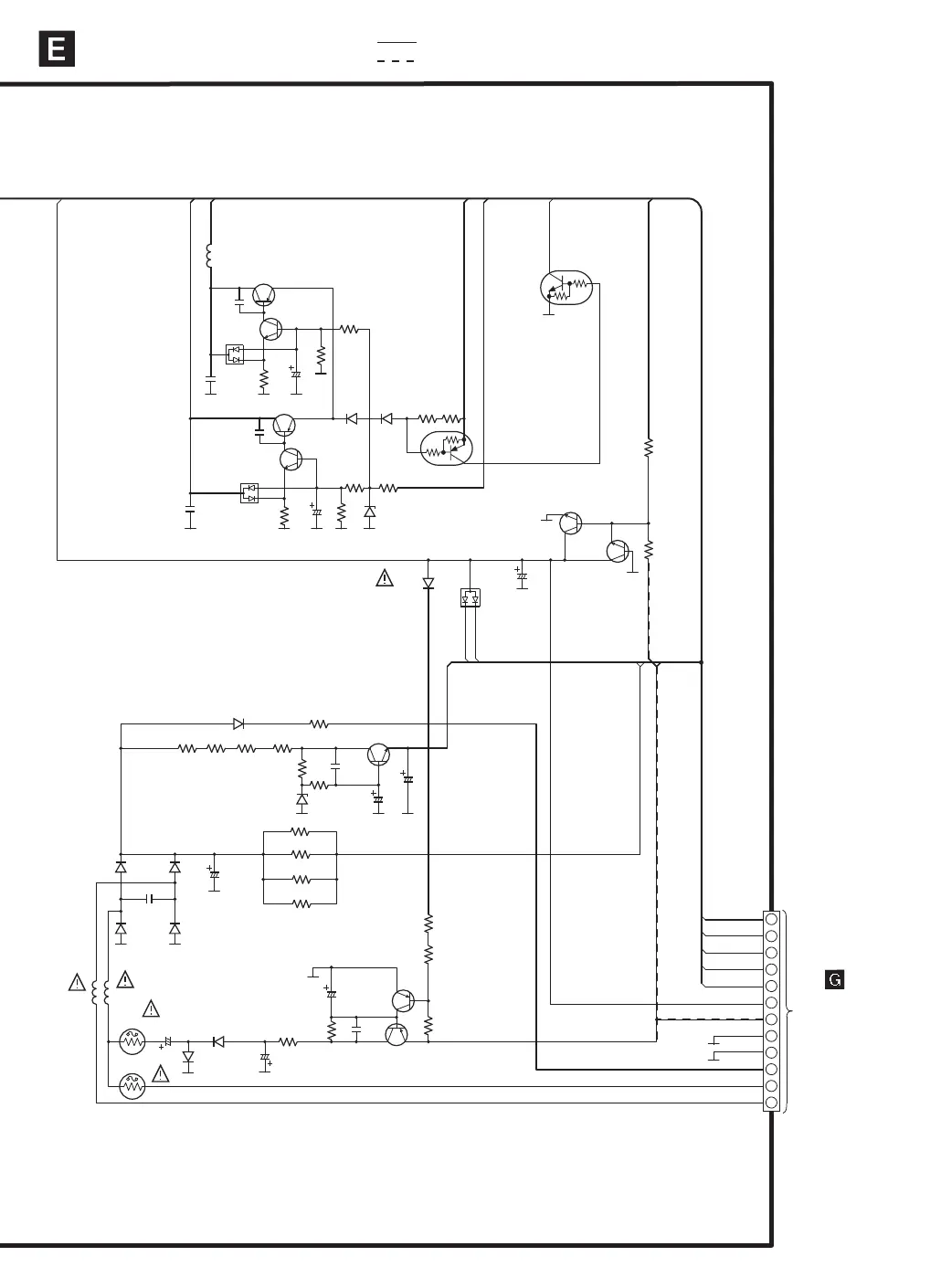
REGULATOR CIRCUIT
SCHEMATIC DIAGRAM-34
TO
INPUT
CIRCUIT
(CP201) ON
SCHEMATIC
DIAGRAM-36
: +B SIGNAL LINE
: -B SIGNAL LINE

Related product manuals