EasyManua.ls Logo

Panasonic SB-WA310 - Page 183

Panasonic SB-WA310
210 pages
Print Icon
To Next Page IconTo Next Page
To Next Page IconTo Next Page
To Previous Page IconTo Previous Page
To Previous Page IconTo Previous Page
Loading...
C1128
C1043
TL1016
TL1007
TL1008
TL1038
R1231
J1
L1260
R1240
C1241
C1264
C1262
C1230
C1253
C1251
C1231
C1291
D1290
C1290
D1280
Q1151
LB1213
LB1211
LB1120
T1150
C1125
LB1212
Q1150
Q1150
Q1153
SWITCHING
SWITCHING
PULSE DRIVE
SWITCHING
Q1153
C1126
D1110
F1101
125V 1.6A
P1101
R1208
C1293
C1121
C1261
C1260
D1260
Q1152
Q1152
C1154
R1153
C1210
D1210
LR1150
L1240
D1241
C1240
IP1240
D1240
R1160
R1161
D1261
R1203
R1202
IC1200
IC1200
D1157
D1152
D1270
C1270
C1280
R1157
D1155
R1158
R1159
C1153
R1155
C1151
R1205
C1200
Q1200
R1206
R1204
R1156
C1152
D1230
D1140
L1121
R1162
C1155
R1154
D1250
R1163
C1140
1
2
3
4
1
2
3
4
D1251
L1250
C1250
L1120
L1290
R1150
D1180
QR1230
QR1230
P1102
P1103
Q1230
Q1230
R1290
R1230
100K
4.7K
6.3V220
10V220
25V100
0.1
16V100
16V470
2700
1
1
1
10V1000
10V1000
0.022
330
22u
10V1000
0.22
100
10K
2400
50V47
50V100
330
3.3
0.1
100K
0.022
2200
0.1
270
4700
33
0.01
1K
1M
100
680
1M
10K
47K
N
A
1
2
A
R
C
0.022
VEE0U97(SPARE)
G0A150G00003
50V22
1
B0JAME000025
B0JAME000037
J0JHC0000012
VLP0056-T
G4D2A0000110
1000P
ERJ3GEY0R00V
B1DEDQ000014
B1DEDQ000014
330
J0JHC0000012
D4EA7471A003
0.068
B0JAPE000008
2SC3311ASA
Q1151
2SC3311ASA
B0HAGM000006
J1ZZA0000004
B0JAME000025
K5G252AA0003
B0JAME000025
B0JAPE000008
C0DAEJC00003
ERROR VOLTAGE DET.
MAZ40360MF
MA2C18500E
MA2C18500E
47
MA165TA5VT
B3PBA0000078
PHOTO COUPLER
MA2C18500E
B0KB00000013
ELF15N005A
270P
2700
B0JAMK000015
250V120
B0JAMK000015
G0A220G00018
ELF15N005A
G0A220G00018
MAZ751000C
UNR511200L
REGULATOR
2SD1819A0L
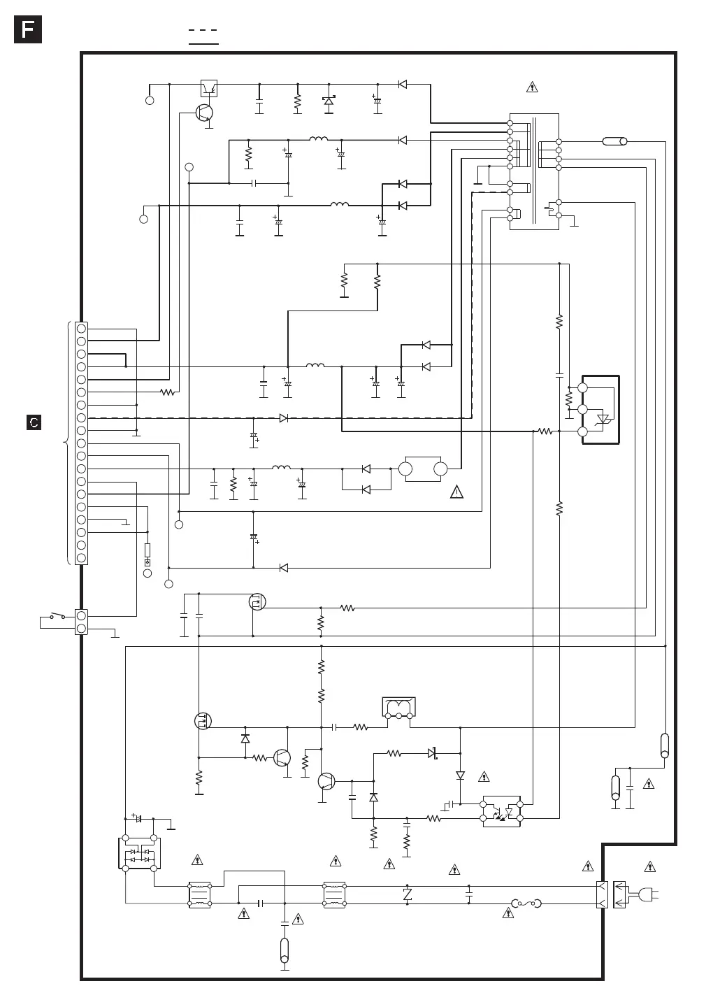
POWER SUPPLY
CONTROL
SW38V
UNREG16V
UNREG9V
UNREG -30V
GND
HE[+]
HE[-]
GND
UNREG 16V
UNREG 6V
UNREG 6V
SW_38V
GND[M]
P_ON_H
TRAY SW
TRAY SW
UNREG 4V
TRAY SW
UNREG 9V
D_GND
D_GND
M_GND
D_GND
KEY 3
KEY 4
TL1009
3
4
2
1
AC IN
120V/60Hz
4
3
2
1
3
2
1
19
18
17
16
15
14
13
12
11
10
2
4
6
8
9
7
5
3
1
2
1
TO
MAIN (SYSTEM
CONTROL:S)
CIRCUIT
(P6601) ON
SCHEMATIC
DIAGRAM-22
POWER CIRCUIT
SCHEMATIC DIAGRAM-35
: +B SIGNAL LINE
: -B SIGNAL LINE
2
3
1
ZA1104 ZA1103

Related product manuals