EasyManua.ls Logo

Panasonic SB-WA310 - Page 191

Panasonic SB-WA310
210 pages
Print Icon
To Next Page IconTo Next Page
To Next Page IconTo Next Page
To Previous Page IconTo Previous Page
To Previous Page IconTo Previous Page
Loading...
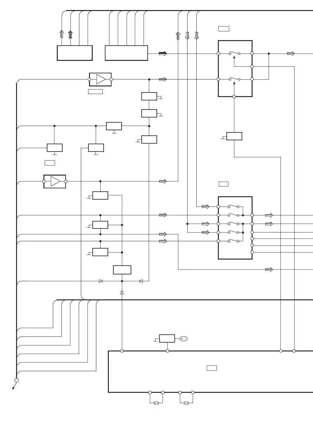
TRV_SW
D_CMD
DCLK
D_ST
DAC MUTE
ZFLAG
SW
SL(R)
CNT
FL(R) 6(2) 7(1)
STATE
DSP CLK
CMD
TRAY CLOSE
TRAY/TRV
TRY-SW
NP MUTE
D302
Q304,
Q305
D303
Q301
AMUTE
QR34301 Q34302
D301
65
DVD MUTE
10
XC IN
50
AUX CTR
49
TUNER CTR
Q302
Q303
Y0
15(14)
11
10
9
6
SL(R)
A
B
C
INH
X0
1(13)
12
2
Z1
3
Z0
5
Y1(X1)
DPLS
FL(R)
DPLC
4
CNT
8(3)
6(5)
IC102
C0JBAS000008
9(4)
IC302
KIA4558FEL
MIXL(R) 6(2) 7(1)
IC34301
C0ABBB000108
QR34411
QR34304
QR34410
(QR34419)
MUTING
MUTING
CONTROL
MUTING
CONTROL
MUTING
RESET
MUTING
CONTROL
QR34303
10(1)
11(2)
12(13)
Q205
SWITCH
SIF
VIN
IIC CLK
IIC DATA
DO
CLK
CE
DI
SD
11 13 15
X102
XC OUT
X OUT
X101
X IN
AUDIO AMP
DUAL OP-AMP
ANALOG SWITCH
TO
DVD BLOCK
MUTING
SWITCH
MUTING
SWITCH
MUTING
SWITCH
MUTING
REGULATOR,
CONTROL
TRAYIN
TRAYIN
RF CONVERTER/
TUNER
TUNER PACK
D
IC372
COJBAR000292
ANALOG IC
12
RESET
Q101
RESET
SWITCH
B
MICRO CONTROLLER
IC101
C2CBGF000166

Related product manuals