EasyManua.ls Logo

Panasonic SB-WA310 - Page 192

Panasonic SB-WA310
210 pages
Print Icon
To Next Page IconTo Next Page
To Next Page IconTo Next Page
To Previous Page IconTo Previous Page
To Previous Page IconTo Previous Page
Loading...
71
MUTE CS
79
TNR_CE
53
4CH VOL CK
51
4CH VOL LT
52
4CH VOL DT
2
1
3
5
4
6
9
8
10
12
11
13
14
15
16 17
18
19
20
21
40
41
39
36
38
35
24
23
22
37
27
2629
28
31
32
30
PORT3
PORT2
PORT1
DVDD
CLOCK
LATCH
DATA
DGND
DATA
VNF2
VIN2
TOUT2
VIN2
TOUT2
VOUT1
VNF1
VIN1
TOUT1
TNF1
TIN1
TIN3
TNF3
TOUT3
VIN3
BB3
VNF3
VOUT3
TIN4
TNF4
TOUT4
VIN4
VIN4
VNF4
VOUT3
PORT5
PORT6
PORT4
-
+
-
+
-
+
-
+
-
+
-
+
-
+
-
+
MCU
I/F
B
Q701Q703
Q702
6(2) 7(1) SL(R)
C
SW
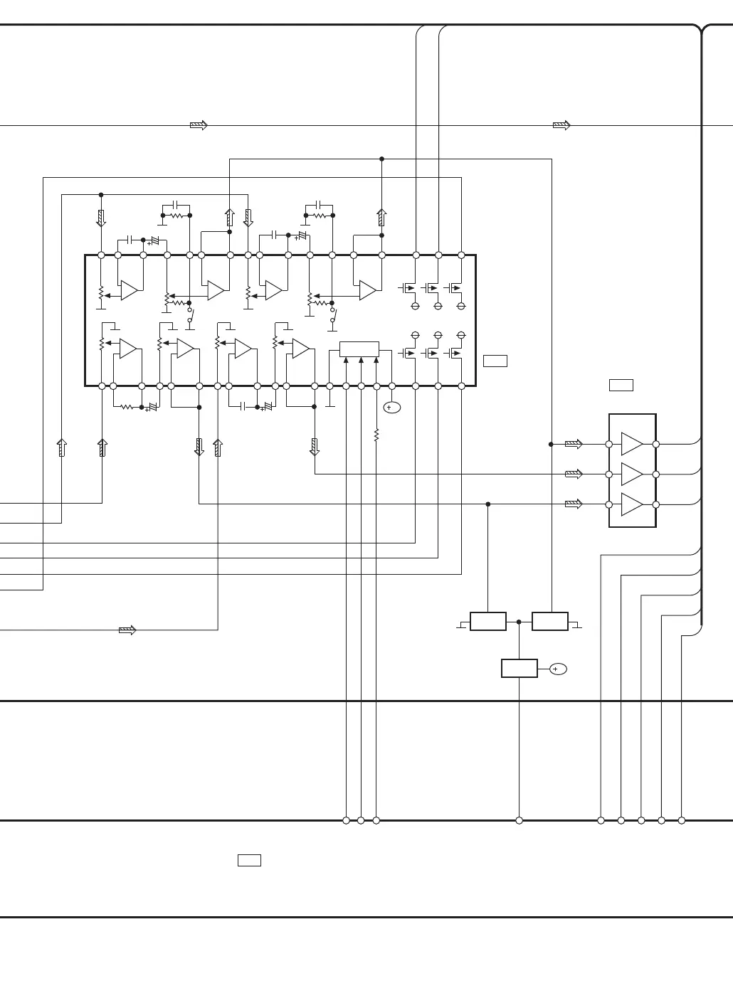
IC701
COABCB000040
13 14
CE
80
TNR_CLK
CLK
81
TNR_DO
DO
82
TNR_DI
TNR_SD
DI
83
SD
9 8
SWATT2
SWATT1
QUAD OP AMP
MUTING
SWITCH
MUTING
SWITCH
MUTING
CONTROL
B
MICRO CONTROLLER
IC101
C2CBGF000166
IC371
M62444FPEL
4CH VOLUME

Related product manuals