EasyManua.ls Logo

Panasonic SB-WA310 - Page 195

Panasonic SB-WA310
210 pages
Print Icon
To Next Page IconTo Next Page
To Next Page IconTo Next Page
To Previous Page IconTo Previous Page
To Previous Page IconTo Previous Page
Loading...
54
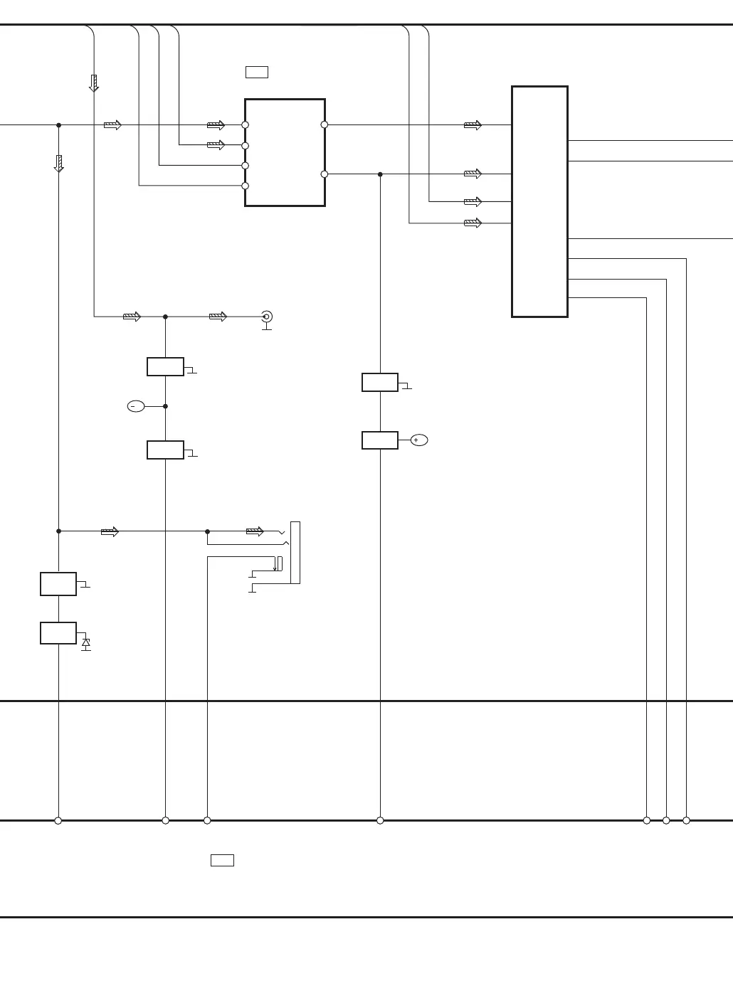
MUTE HP
Q408
Q401
MUTING
SWITCH
(HP)
HP
MUTING
CONTROL
D402
IC751
M62456FPE1
2(23)
1(24)
6
9
ATT1
SW
FL_CH(R)
FL(R)
MUTESW
10
ATT2
21
TO ACTIVE
SUB-WOOFER
BLOCK
JK104
3
7(11)
FL(R)
SUB AC2
SUB AC1
DCDET
SW
17
15
5
C
12(14)
SL(R)
1
2
19
21
68
MUTE LINE
67
HP CTR
60
MUTE SW
47
HP SW
18
AC IN
66
PCONT
SW
SWATT2
LINEL(R)
SW ATT1
Q201
(Q202)
Q203
JK103
L(R)
LINE OUT
HEADPHONE
JK901
C
SL(R)
HPCTR
PCONT
SYNC
Q782
Q781
SUPER BASS
B
SWITCH
MUTING
CONTROL
MUTING
SWITCH
MUTING
CONTROL
B
MICRO CONTROLLER
IC101
C2CBGF000166

Related product manuals