EasyManua.ls Logo

Panasonic SB-WA310 - Page 196

Panasonic SB-WA310
210 pages
Print Icon
To Next Page IconTo Next Page
To Next Page IconTo Next Page
To Previous Page IconTo Previous Page
To Previous Page IconTo Previous Page
Loading...
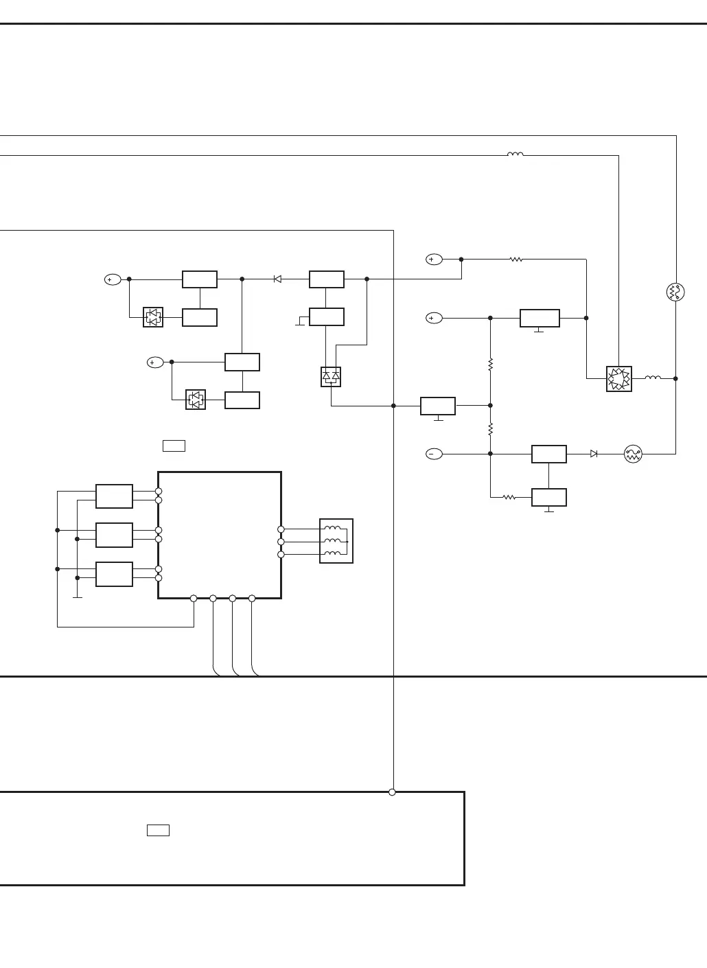
Q813
B
D801,
D802
Q810
Q815
D791
Q801
D806~
D809
78
DCDET
B
B
B
Q790,Q791
L801
Q807
Q806
D815
FP801
FP800
L802
REGULATOR
SWITCH
SWITCH
SWITCH
SWITCHSWITCH
Q814
SWITCH
DCDET
SWITCH
Q811
B
SWITCH
Q812
SWITCH
IC201
C1AB00001472
17
27
H2+
A3
A2
A1
15
16
CAPSTAN DRIVE
R207
H3 HOLL
SENSOR
26
H2-
H1+
H1
25
R208
H3 HOLL
SENSOR
24
H3+
H3-
23
R210
H3 HOLL
SENSOR
22
TL
9
TL
CAP R/F
11
EDS
EC
10
EC
21
VH+
L201
CAPSTAN MOTOR
MAIN COIL
MICRO CONTROLLER
IC101
C2CBGF000166
D804
D803

Related product manuals