EasyManua.ls Logo

Panasonic TH-50LFE7U - Main Block Diagram

Panasonic TH-50LFE7U
34 pages
Print Icon
To Next Page IconTo Next Page
To Next Page IconTo Next Page
To Previous Page IconTo Previous Page
To Previous Page IconTo Previous Page
Loading...
TH-50LFE7U/TH-50LFE7W/TH-50LFE7E
28
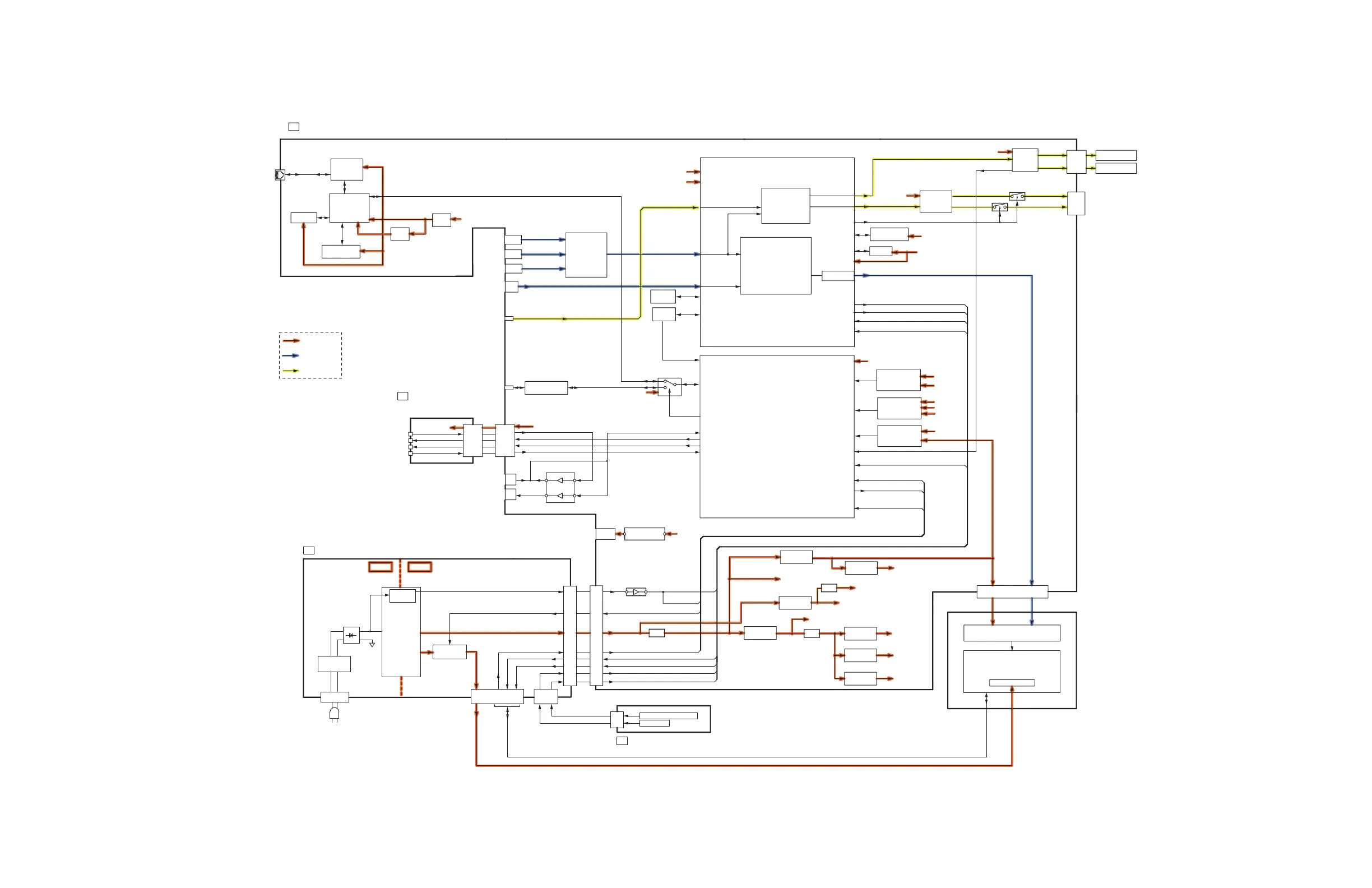
8.2. Main Block Diagram
COLD
HOT
(LED:2TIMES)
(LED:2TIMES)
(LED:13TIMES)
(LED:13TIMES)
(LED:1TIMES)
(LED:4TIMES)
(LED:4TIMES)
(LED:9TIMES)
LINE_OFF
LINE_OFF
LINE_OFF
LINE_OFF
PWM1
BL_SOS
AC
DETECT
POWER SW
CONTROL PANEL KEY
GK
KEY
P
JK7101
POWER SUPPLY
P2
+16V
POWER_ON
AC CORD
P4
LLC
CONVERTER
GK4
BL_SOS
STB+5V/D3.3V
DIGITAL CORE SIGNAL PROCESSOR
LED_G
DDR1.8V
AUDIO
RTC_INT
D1.2V
A
AUDIO
PROCESSOR
PANEL12V_SOS
3.3V
A2
PNL12V
LAN DATA
PANEL12V_SOS
LED_R
BL_ON
PWR5V
(LAN OR RS232C)
+1.8V
PANEL
BACK LIGHT
SOS DET
K10
+9V
LAN TERMINAL
1.8V
RXD/TXD_LAN
POWER_SOS
D3.3V
C.A.T.S. SENSOR
AUDIO
DCDC
VIDEO
PROCESSOR
DSP/AMP
PWR15V
L_+/-
LAN
CONTROL
EEPROM
PWR15V
DDR1.8V
PANEL
+1.2V
AMP
NETWORK
CONTROLLER
UART_SW
(SERIAL IN)
REG_SOS
P15V_24V_EN
USB HIGH
SIDE SW
KEY
MAIN CPU
DCDC
PWR15V
D1.2V
LVDS
SUB CPU
P15V
USB
LCD PANEL
PWM1
+9V
PWR15V
LAN3.3V
LDO
POWER_SOS
SW
DDR2
PNL12V
SW
D3.3V
LAN3.3V
RTC
DCDC
+9V
SW
PNL12V
STB5V_SW
D1.2V
9V
D3.3V
HDMI2
DCDC
+3.3V
LDO
DCDC
MUTE
POWER LED_G
BL_ON
PWR5V
RS232C IN
PWR5V
STB5V
SOUND_SOS
UART SW
P15V
STB+5V/D3.3V
PC/DVI AUDIO IN
D3.3V
DDR1.8V
D3.3V
RXD/TXD
HDMI SW
LDO
PC
REG_SOS
HDMI IN
STB5V
HDMI1
CONTROL
C.A.T.S. SENSOR
POWER LED
A10
DCDC
KEY
P15V_24V_EN
LED_G
C.A.T.S.
AUDIO LINE
LOUT
REMOTE
PWR5V
SPI FLASH
MEMORY
CHARGE OUT
(5V)
SPEAKER(R)
PWR15V
POWER_ON
IR IN
PC/DVI
AUDIO IN
LED_R
DDR1.8V
IR OUT
C.A.T.S. SENSOR
STB5V
STB3.3V_SW
RXD/TXD_PC
SERIAL AUDIO SIGNAL
LVDS DATA
POWER_ON
MII DATA
TRANSCEIVER
EEPROM
RS232C
L,R
DVI-D
K
PWR5V
VIDEO LINE
ROUT
+5V
HD,VD-PC
R_+/-
SPEAKER(L)
A13
POWER LED_R
BL_SOS
POWER LINE
FLASH
MEMORY
AUDIO OUT
R,G,B-PC
REMOTE IN
REMOTE_RECEIVER
REMOTE RECEIVER
P5
BL_ON
BL_SOS
PWM1
A1
+24V SW
+24V
KEY,Power SW
LINE
FILTER
NEUTRALLIVE
LINE_OFF
SUB_ON
COLD
HOT
(LED:2TIMES)
(LED:2TIMES)
(LED:13TIMES)
(LED:13TIMES)
(LED:1TIMES)
(LED:4TIMES)
(LED:4TIMES)
(LED:9TIMES)

Related product manuals