EasyManua.ls Logo

Panasonic TH-50LFE7U - Block (1 of 2) Diagram

Panasonic TH-50LFE7U
34 pages
Print Icon
To Next Page IconTo Next Page
To Next Page IconTo Next Page
To Previous Page IconTo Previous Page
To Previous Page IconTo Previous Page
Loading...
TH-50LFE7U/TH-50LFE7W/TH-50LFE7E
29
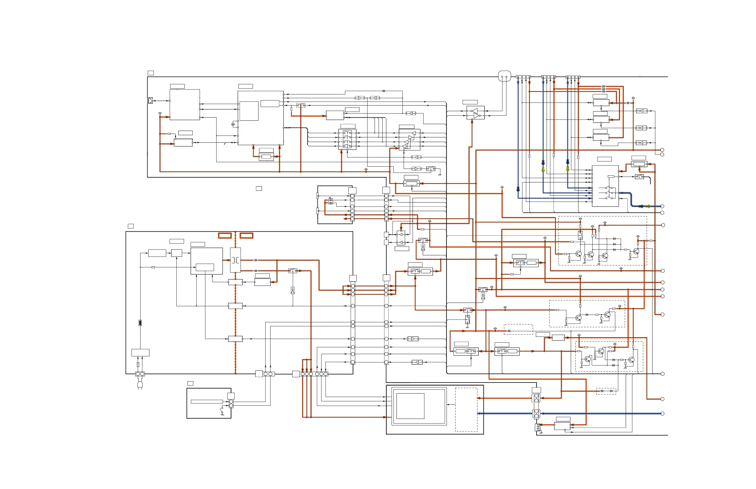
8.3. Block (1 of 2) Diagram
(LED:13TIMES)
HOT COLD
(LED:2TIMES)
(LED:4TIMES)
G
R
SPI_SCK
POWER_SOS
SPI_LAN_SW
SPI_SO_LAN
PWM1
DVI_DET
RXD_LAN
LINE_OFF
5VD_POWER
LAN3.3V_ON/OFF
SPIO_SCLK
KEY
TXD_LAN
POWER_ON
REG_SOS
PWM1
USB_OVLD
SPI_SO
IR_IN
SPI_CS
BL_SOS
RXD_PC
USB5V_ON/OFF
NT_RST
BLON_EN
SPI_SI
P5V_EN
SPIO_SS
BL_SOS
KEY_LOCK
LIGHT_DET
KEY_POWER
LAN3.3V_ON/OFF
TXD_PC
SPIO_MISO
BL_ON
SPI_LAN_WP
SPI_CS_LAN
HPD
HDMI2_DET
KEY0
12VPAN_EN
SPIO_MOSI
LED_R
LED_G
HDMI1_DET
TMSD_IIC
P15V_24V_EN
SPI_SI_LAN
PANEL12V_SOS
KEY_MUTE
MAIN_EN
SPI_SCLK_LAN
PWR5V
STB5V_SW
D3.3V
PWM5V
STB5V
D4168
LAN3.3V
CF7104
D4161
D4164
SW2857
D7401,2
D7408,9
D4174
D4165
D5V
LAN3.3V
PWR5V
D4401
D5V
9V
DDR1.8V
D4402
D5V
PWR5V
D2802
STB5V_SW
F7101
LAN3.3V
STB5V_SW
STB5V_SW
PWR15V
D4400
D4187
EEPROM
WP
CONTROL
REMOTE
ERROR
DET
Q5303
Q4301
Q4087
JK3503
Q5102
SPI
FLUSH
MEMORY
JK4002
LINE_OFF
VCC
DVI_5V
RM2800
Q4024
+1.8V
3
1
EEPROM
BACK LIGHT
K10
+24V
P4
SDA/
SCL
1
LAN TERMINAL
IC7301
14
IC2705
TXD
+16V
OVP DET
RESET
IC4703
9
IC5302
6
MII DATA
5
JK5302
5V->3.3V
IC4706
PWM1
JK5303
JK7101
+5V
Q4093
STB5V_SW
IR IN
DIGITAL SIGNAL PROCESSOR
PC7301
10/100
EtherMAC
w/FIFO
POWER SUPPLY
UART
REMOTE
RECEIVER
IR OUT
DDC IIC
IC2708
2
RXD
+1.8V
NETWORK
CONTROLLER
IC5602
4
+16V
Q2714,15
JK8601
KEY
USB HIGH
SIDE SW
CONTROL IIC
C.A.T.S.
SENSOR
PWR5V SOS
Q4019
IC4806
CHARGE OUT
(5V)
C.A.T.S
LINE
FILTER
PFC
RS232C IN
7
(SERIAL IN)
RESET
EDID_WP
(IC4501)
+24V
PNL12V
Q4030
6
RXD1
SHORT SOS
IC7201
T7202
Q7201
BL_SOS
PWR5V
A
LF7103
LF7104
LF7105
EEPROM
BL_SOS
POWER_ON
KEY,Power SW
Q4602
4
IC3504
13
9
+16V
+24V
G_LED_ON
IC2709
AC CORD
3
GK4
3
5
HDMI1_5V
SHORT SOS
12
2
Q4088
D7106
LCD PANEL
HDMI1_HPD
Q7301,
Q7302
4
Q4138
3
IC4905
7
JK2701
EEPROM
GK
PWM1
X2701
8
CONTROL PANEL KEY
Q4128
3
DVI_HPD
A10
BL_ON
IIC_IF
9
IC5102
11
REMOTE RECEIVER
LAN CONTROL
+3.3V
4
MII_TXD
MII_RXD
1
12
BL_ON
6
POWER SW
A2
PC7303
6
T7301
LAN
DATA
PHOTO
COUPLER
2
3
5
SN2800
6
CLK
IC5201
R_LED_ON
Q2716
P5
IC2703
3.3V
HWCTRL
PHOTO
COUPLER
PANEL
25MHZ
HDMI IN
TXD0
Q7402
Q7405
+12V
11
TMDS DATA CLOCK
SW2851-2855
H3V_I2C1
Q2705
P
POWER LED
DDC IIC
IC4901
HDMI/DVI_D SW
LINE_OFF
Q2704
MII_TXD/
MII_RXD
IC2706
10
JK4004
RX2
3
I2C3
MII_MDC
TMDS DATA
3
Q4091
5
IC4904
3
IC5351
Q4100
11
HDMI IN1
RX1
Q5201
2
1
HDMI1_IIC
PHOTO
COUPLER
Q4129
D3.3V
DVI_IIC
Q7401
PNL12V
Q4099
RECTIFIER
Q4094
CLOCK
8
1
VCC
Q4380
RX3
25MHZ
HDMI2_HPD
SUB_ON
SHORT SOS
9V
HDMI DATA CLOCK
HDMI DATA CLOCK
2
+3.3V
(SHORT SOS)
+3.3V
JK5301
7
+3.3V
2
HDMI2_5V
Q2717,18
PC7302
AC
DETECT
2
IC2701
DDC IIC
Q2719
Q2706
HDMI IN2
Q5101
P2
TRANSCEIVER
TXD1
RXD_232C
7
HDMI2_IIC
IC2704
RS232C
1
TXD_232C
REMOTE
+3.3V
TMDS_IIC
DVI-D IN
PANEL
IC5352
SUB_ON
10
+5V
2
Q4701,02
LLC
CONVERTER
C.A.T.S. SENSOR
K
5V_I2C1
4
IC5301
POWER LED
Q4300
IC7401
LVDS DATA
4
11
A1
40
1
PNL12V
LVDS DATA
13
12
10
8
+24V
+16V
(LED:13TIMES)
HOT COLD
(LED:2TIMES)
(LED:4TIMES)

Related product manuals