EasyManua.ls Logo

Panasonic TH-50LFE7U - Block (2 of 2) Diagram

Panasonic TH-50LFE7U
34 pages
Print Icon
To Next Page IconTo Next Page
To Next Page IconTo Next Page
To Previous Page IconTo Previous Page
To Previous Page IconTo Previous Page
Loading...
TH-50LFE7U/TH-50LFE7W/TH-50LFE7E
30
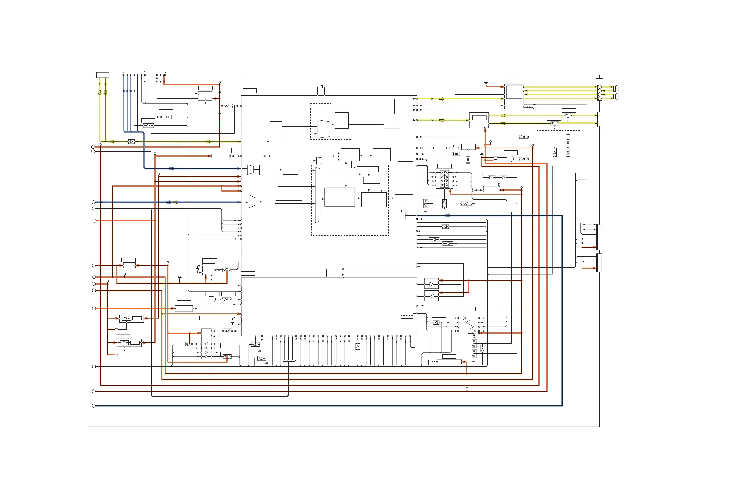
8.4. Block (2 of 2) Diagram
(LED:4TIMES)
(LED:2TIMES)
(LED:13TIMES)
(LED:1TIMES)
(LED:9TIMES)
(LED:9TIMES)
NT_RST
SPI_SI_LAN
RXD_LAN
3V_RXD3
IR_IN
SOUND_SOS
KEY0
P5V_EN
FLASH_WP_SUB
I2C_CONT
I2C_INT
BL_SOS
SOUND_SOS
RC
I2C_CONT
LED_G
MODE
LED_R
RESET
TXD_LAN
RESET
USB_OVLD
MODE
USB5V_ON/OFF
SPI_SW2
KEY_POWER
LINE_OFF
REG_SOS
RXD0
TXD_PC
I2C_CONT
SPI_SCLK_LAN
3V_TXD3
SPI_CS_LAN
TXD0
LIGHT_DET
PC_H_DET
KEY_MUTE
SPI_SO_LAN
VGA_R/PR
PC_V_DET
HDMI_3.3V_DET
TXD0
PANEL12V_SOS
LINE_OFF
PC_H_DET
MAIN_EN
SPI_LAN_SW
PWM1
5VD_POWER
P15V_24V_EN
PC_V_DET
FLASH_WP_SUB
SPI_LAN_WP
RXD0
HPD
I2C_INT
HDMI2_DET
HDMI1_DET
DVI_DET
12VPAN_EN
POWER_SOS
SPI_SW2
LAN3.3V_ON/OFF
WP_SUB
VGA_B/PB
VGA_-G/Y
RXD_PC
KEY_LOCK
IR_IN
BLON_EN
WP_MAIN
STB3.3V_SW
D1.2V
X4801
D5V
DDR1.8V
VGA_5V
9V
X4004
STB5V
D3.3V
PWR15V
PWR5V
9V
STB5V_SW
X3002
PWR5V
D3.3V
AUDIO_OUT_R/L
IC4902
SERIAL AUDIO SIGNAL
DVI_DET
UART SW
LINE_OFF
HDMI2_DET
Q4766
D/A
DSP
I2C
5V->3V
HDMI2_DET
DDR_SDRAM
AUDIO
MUX
AUDIO OUT
SPI_SW2
Q2051
I2C_CONT
I2C_INT
G_LED_ON
CS#
Q4113,15
(R/G/B/H/V )
D1.2V
SP_MUTE
PC IN
PC/DVI_R
TMDS_IIC
19.6608MHz
NT_RST
A/D
EEPROM
PC/DVI_L
PC-R
MUX
IC4761
VCC
Q4125
UART SW
L(+)
CLK2
RC
Q2712
MAIN CPU
3V_RXD1
IC2004
C.A.T.S_SENSOR
Q2054
SP_MUTE
POWER KEY_LOCK
UART SW
I2C2
LINE_OFF
Q4132
MAIN_SUB2
MUX
RXD0
IC2003
INPUTS
5V_I2C1
5V<->3.3V
5
JK3506
UART_SW
USB_OVLD
IC4501
SUB CPU
AUD3.3V
KEYSCAN
USB5V_
ON/OFF
L(-)
Q4057
PANEL12V_SOS
4
DVI_DET
SOUND_SOS
IC4906
Enhancer ADCII
ACM-3D
3x3 Matrix
OSD Blend
A13
PC-B
PWM1
CS_FL
Q2707
IC4762
12
SPEAKER_R
REMOTE
PC_DVI_L/R
VCC
ROUT
IC4506
9V
SPI_SW2
CS#
MAIN_ON
FLASH_WP_SUB
IC4801
VGA_SDA
32.768KHz
SPI_SW
SI/SI00
9
MODE
7
Q4112
SPI_LAN_SW
RESET
Q4106
Q4109
(LAN OR RS232C)
+1.8V
5V_I2C1
H_SYNC
DDR2
SPI_SW2
Q2043
KEY_POWER
LINE MUTE
CS_FL
EEPROM
I2C2
R_LED_ON
+3.3V
MEMORY
CONTROLLER
SPI_SW
2
LAN3.3V_ON/OFF
5V_RXD1
1
3V_TXD3
Q2053
2
Q4761
IC4505
LOUT
3.3V->5V
STB5V
SPI_DI
VGA_SCL
5VD_POWER
FOR
FACTORY
USE
SPI_LAN_WP
SPI_DO_S
3.3V
11
A48
AUDIO AMP
SPI_CLK
6
MUX
IIC_CONT
+1.2V
FLASH
MEMORY
WP_SUB
I2C2
AMP_STBY
SO/SI01
AUDIO
DSP/AMP
MOTION DETECTION
Q4105
Q4801
3V_TXD1
5V_TXD1
Q4802
TXD0
Q4765
Q4118
ANALOG VIDEO DATA
MUTE
3D VIDEO
DECORDER
P5V_EN
3V_RXD3
12VPAN_EN
DDR1.8V
IC3004
PC/DVI
AUDIO IN
REG_SOS
SCLK
I2C3
Q4114
JK4001
1
BUS
CONTROL
3
OSD
CONTROLLER
Q4764
FOR
FACTORY
USE
A40
Q4130,31
SERIAL
I/F
EDID_WP
TEMP SENSOR
DIGITAL SIGNAL PROCESSOR
R(-)
Q4763
5V->3.3V
R(+)
Q3120,Q3121
I/F
3x3
Matrix
SPI_SW
HDMI1_DET
Q4762
IC2707
8
SPI_DI_S
IC4714
OUTPUT
Formater
LVDS DATA
MUX
SPEAKER_L
AUDIO
OUT
CLOCK
GENERATION
IC4803
IC5106
+1.8V
PC_HDMI_SW
LVDS
Tx
IC4763
Analog
Capture
IC5353
Q2713
IC4903
Q4806
HDMI_
3.3V_DET
5V_I2C1
3V_I2C1
P15V_24V_EN
4
BL_SOS
RTC_INT
PC-G
Q4058
I2C2
POWER_SOS
PC_V_DET
V_SYNC
IC4502,03
3
PC_H_DET/HDMI_3.3V_DET
DCDI MOTION
ADAPTIVE
De-interlacing
Scaling
Shaping Filtter
DVI/
HDMI
VIDEO
PROCESSOR
STB+5V
+1.2V
AUDIO
PROCESSOR
2nd Channel
Processing
3.3V
20MHz
BL_ON
Q4805
SUB_MAIN
IC4802
IC2001
IC2002
JK3505
Q2042
STB5V
5V_I2C1
10
IC4504
IC4715
SPI_DO
SLEEP_N
HDMI1_DET
A
IC4702
REAL
TIME
CLOCK
HPD
SERIAL
I/F
13
(LED:4TIMES)
(LED:2TIMES)
(LED:13TIMES)
(LED:1TIMES)
(LED:9TIMES)
(LED:9TIMES)

Related product manuals