EasyManua.ls Logo

Panasonic TH-58PH10UK - SS-Board (1 of 2) and S1-Board Schematic Diagram

Panasonic TH-58PH10UK
149 pages
Print Icon
To Next Page IconTo Next Page
To Next Page IconTo Next Page
To Previous Page IconTo Previous Page
To Previous Page IconTo Previous Page
Loading...
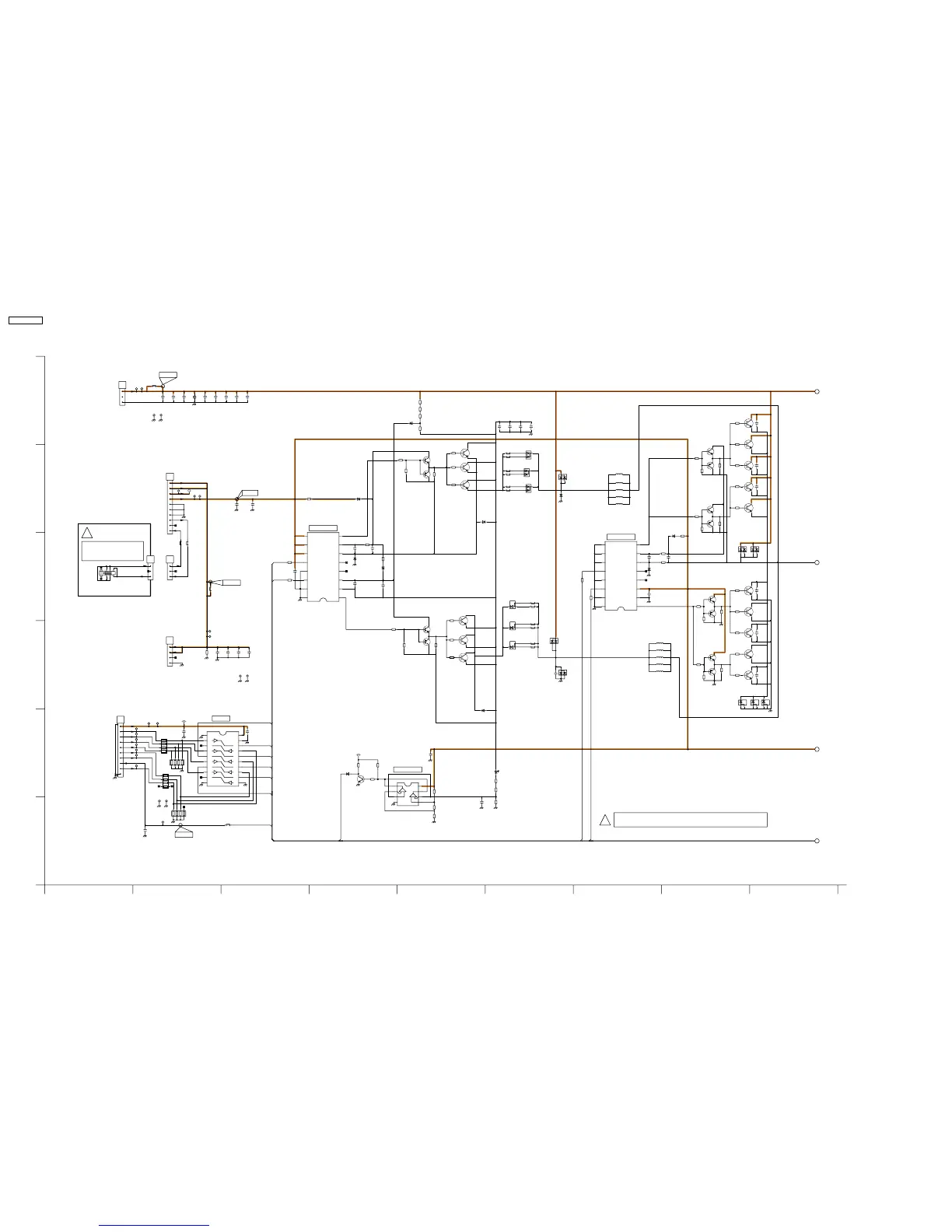
14.50. SS-Board (1 of 2) and S1-Board Schematic Diagram
+
+
+
+
+
+
+
+
+
+
+
+
+
+
+
PUSH
AA_UEH
AA_USL
AA_UEL
AA_USH
AA_UML
AA_UMH
AA_USH
AA_USL
AA_UML
AA_UMH
AA_SOS8
AA_SOS8
75V
5V
L6241
G0ZZ00002183
C0ZBZ0000895
IC6131
1
LO
2
GND
3
VCC
4
NC
5
NC
6
VS
7
VB
8
HO
9
NC
10
NC
11
NC
12
HIN
13
NC
14
LIN
15
GND
16
NC
Q6025
2PG0010000RP
C6203
250V
4u
L6003
G0C1R6KA0119
R6030
7.5
R6257
10k
TP3
R6149
47k
R6032
82k
L6014
G0C1R6KA0119
TP9
C6264
100V
470u
TP8
C6001
630V
5600p
D6071
B0HBSN000008
Q6031
B1ADRD000001
C6091
630V
1000p
C6018
220V
200u
SS34
1
2
3
C6251
16V
1u
Q6143
B1ABPF000014
C6201
250V
4u
C6243
50V
0.01u
Q6024
2PG0010000RP
L6000
J0JJC0000015
R6160
1
TP11
C6017
220V
200u
C0ZBZ0001324
IC6151
1
LO
2
Vcom
3
VCC2
4
NC
5
NC
6
VS
7
VB
8
HO
9
NC
10
NC
11
VCC
12
HIN
13
NC
14
LIN
15
GND
16
NC
D6062
B0HBSN000008
D6091
B0HBSN000008
Q6004
2PG0010000RP
L6084
J0JKB0000049
L6061
J0JKB0000049
C6273
25V
220u
C6016
220V
200u
Q6141
B1ABPF000014
C6037
25V
4.7u
C6154
25V
4.7u
D6092
B0ECKP000047
Q6148
B1ABPF000014
TP16
TP33
R6253
39k
Q6003
2PG0010000RP
TP18
R6181
10
R6244
EXB38V472JV
TP15
R6256
1.69k
R6138
10
L6013
G0C1R6KA0119
TP14
R6031
82k
75
R6134
R6183
47k
C6242
16V
1u
L6066
J0JKB0000049
D6063
B0HBSN000008
C6272
25V
220u
R6255
1k
R6053
7.5
TP34
TP12
L6262
G0ZZ00002183
Q6181
B1ABRD000003
D6024
B0ECKP000047
D6131
B0ECKP000047
L6065
J0JKB0000049
R6182
47k
L6271
G0ZZ00002183
R6148
47k
R6033
56k
R6132
100
R6034
27k
R6024
7.5
5V
D6255
MA2J11100L
D6061
B0HBSN000008
Q6146
B1ABPF000014
L6002
G0C1R6KA0119
R6290
1k
C6003
630V
5600p
C6151
25V
1u
TP2
D6022
MA3DF30000LZ
C6004
630V
5600p
R6142
47k
TP6
Q6172
B1ADRD000001
R6043
7.5
R6021
7.5
Q6149
B1ADPF000004
R6258
2.2k
C6241
10V
100u
L6015
G0C1R6KA0119
R6152
100
D6025
B0ECKP000047
C6261
100V
470u
TP21
SS11
1
3
R6151
100
TP7
L6006
G0C1R6KA0119
R6243
EXB38V470JV
R6055
7.5
C6014
220V
200u
L6010
J0JJC0000015
R6241
EXB38V470JV
Q6043
2PG0010000RP
Q6171
B1ABRD000003
D6001
B0HBSN000008
Q6042
2PG0010000RP
Q6052
2PG0010000RP
Q6002
2PG0010000RP
R6157
1
D6152
B0ECKP000047
Q6023
2PG0010000RP
TP19
R6252
39k
R6041
7.5
C6015
220V
200u
Q6051
2PG0010000RP
L6081
J0JKB0000049
R6171
10
C6132
25V
4.7u
TP22
Q6041
2PG0010000RP
C6135
25V
4.7u
D6083
MA3DF30000LZ
L6062
J0JKB0000049
L6064
J0JKB0000049
D6132
B0ECKP000047
TP10
R6144
47k
L6004
G0C1R6KA0119
R6007
7.5
C0JBAZ000005
IC6241
1G~
1
2
1A1
3
2Y4
4
1A2
5
2Y3
6
1A3
7
2Y2
8
1A4
9
2Y1
10
GND
11
2A1
12
1Y4
13
2A2
14
1Y3
15
2A3
16
1Y2
17
2A4
18
1Y1
19
2G~
20
VCC
C6134
25V
4.7u
L6085
J0JKB0000049
C6023
630V
5600p
R6001
7.5
L6016
G0C1R6KA0119
C6204
250V
4u
D6021
MA3DF30000LZ
D6081
MA3DF30000LZ
L6001
G0C1R6KA0119
TP1
C6202
250V
4u
Q6005
2PG0010000RP
R6159
1
TP13
R6141
47k
L6086
J0JKB0000049
Q6053
2PG0010000RP
Q6022
2PG0010000RP
TP5
Q6001
2PG0010000RP
L6063
J0JKB0000049
R6003
7.5
R6146
47k
VEEXT160V
L6082
J0JKB0000049
IC6251
C0BBBA000022
1
2
3
45
6
7
8
R6136
10
R6173
47k
Q6144
B1ADPF000004
C6021
630V
5600p
SS35
1
2
3
4
R6051
7.5
R6242
EXB38V472JV
R6131
100
R6045
7.5
C6025
630V
5600p
Q6021
2PG0010000RP
C6153
25V
4.7u
D6153
B0ECKP000047
Q6147
B1ADPF000004
D6023
MA3DF30000LZ
D6002
B0HBSN000008
R6210
2.2k
R6254
8.2k
C6011
220V
200u
R6028
7.5
R6137
10
R6172
47k
R6261
100k
SS33
1
2
3
4
5
6
7
8
9
10
TP17
SS12
1
2
3
4
5
6
7
8
9
10
D6151
B0ECKP000047
R6026
7.5
D6032
MA2J11100L
D6253
LNJ301MPUJA
R6009
7.5
TP20
D6072
B0HBSN000008
C6262
100V
470u
R6135
10
5V
R6145
1
Q6142
B1ADPF000004
R6147
47k
75
R6154
C6013
220V
200u
C6252
25V
1u
C6263
100V
470u
L6083
J0JKB0000049
L6011
G0C1R6KA0119
C6152
25V
4.7u
D6082
MA3DF30000LZ
C6012
220V
200u
R6005
7.5
R6143
47k
Q6251
2SD0601A0L
C6031
250V
4u
S34
1
2
3
SW061
K0F162B00002
TP15V
TPVDA
-+
-+
(GREEN LED)
TPVSUS
VSUS
GND
VDA
VDA
NC
P5V
TPSOS8
UEL
UEH
USL
USH
UML
UMH
SOS8_SS
URH
B
E
96873
D
4
C
12
F
5
A
FET DRIVER
FET DRIVER
P-BOARD
TO
(P11)
TO
(P12)
P-BOARD
75V
C3-BOARD
TO
(C35)
(C33)
C3-BOARD
TO
BUFFER
COMPARATOR
SS-BOARD TXNSS1HWTU (1/2)
!
1
2
3
4
NC
STB_PS
STB_PS_ON
S1-BOARD
!
TXNS11XDTU
POWER SW
TH-58PH10UK
SS-Board (1 of 2) and S1-Board Schematic Diagram
TH-58PH10UK
SS-Board (1 of 2) and S1-Board Schematic Diagram
TH-58PH10UK
116

Table of Contents

Related product manuals