EasyManua.ls Logo

Panasonic TH-58PH10UK - HX-Board Block and Schematic Diagram

Panasonic TH-58PH10UK
149 pages
Print Icon
To Next Page IconTo Next Page
To Next Page IconTo Next Page
To Previous Page IconTo Previous Page
To Previous Page IconTo Previous Page
Loading...
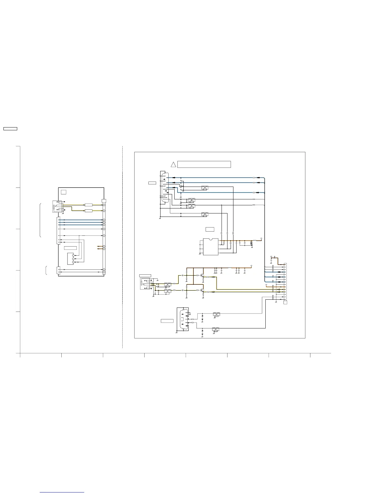
14.10. HX-Board Block and Schematic Diagram
PC_B
PC_G
PC_G
PC_R
PC_HD
PC_B
PC_VD
PC_HD
PC_VD
PC_R
FL3513
J0MAB0000054
1
2
3
4
R3585
56
C3409
16V
0.1u
IC3502
C3EBDC000067
1E0
2E1
3E2
4 VSS 5
SDA
6
SCL
7
WC
8
VCC
R3653
33k
R3509
4.7k
FL3510
J0MAB0000054
1
2
3
4
R3590
56
JK3509
K1FA109B0062
1
2
3
4
5
8
9
6
7
FL3517
J0MAB0000054
1
2
3
4
JK3513
R3668
100
C3404
16V
0.1u
TP69
L3526
ELJPA100KFB
TP75
D3507
MAZ81600HL
C3523
10u
25V
D3504
MAZ30560ML
TP71
R3656
68k
SLOT9V
R3791
100
TP68
C3551
10u
25V
L3555
ELJPA100KFB
R3510
100
R3672
100
R3508
4.7k
R3776
100
R3778
47k
C3524
50V
0.01u
SLOT9V
R3530
180k
C3552
10u
25V
R3529
180k
FL3515
J0MAB0000054
1
2
3
4
R3547
100
Q3532
2SD0601A0L
TP65
TP73
R3548
100
R3511
100
R3790
100
C3562
1u
16V
R3655
33k
D3508
MAZ81600HL
R3400
10k
FL3514
J0MAB0000054
1
2
3
4
TP70
FL3511
J0MAB0000054
1
2
3
4
TP67
TP74
R3654
68k
C3405
10u
25V
R3589
47k
FL3512
J0MAB0000054
1
2
3
4
TP72
HX1
1
2
3
4
5
6
7
8
9
10
11
12
13
14
15
C3406
10u
25V
R3663
1k
FL3516
J0MAB0000054
1
2
3
4
C3561
1u
16V
D3510
MAZ81600HL
R3592
0
Q3531
2SD0601A0L
C3550
50V
0.01u
R3664
1k
P5V
R3777
100
TP66
P5V
D3509
MAZ81600HL
R3593
0
JK3511
K1FB115BA020
1
2
3
4
5
6
7
8
9
10
11
12
13
14
15
R3591
0
JK3513
K2HC103B0105
R3586
56
PC VD
TO
DS14
R
PC B
PC HD
PC G
SDA
TO
DS-BOARD
(DS14)
R
DDC
EEPROM
RXD
TXD
TXD
5
DTR
AUDIO IN
CD
HX-BOARD TZTNP03XDTU
GND
!
L
DDC EEPROM
TXD
R
PC Rs
Q3531
9
6
13
1
P5V
7
13
2
RXD
PC HD
REMOTE IN
SCL
CTS
PCis
PC VD
WC
SDA
1
15
Q3532
3
SLOT9V
R IN
SCL
RXD
PC R
7
VD
L AMP
TXD
5
HD
3
L IN
PC Ls
14
6
JK3509
RS-232C
GND
JK3511
5
GND
1
HX
GND
IC3502
RXD
3
PC B
PC/RS232C Terminal
12
PC IN
PC G
HX1
PC R
9V
2
7
4
18
2
5V
11
RTS
22
D
DSR
E
RI
B
C
A
PR/R
L
8
Y/G
PB/B
GND
L
3
R AMP
19
21
PC IN
TH-58PH10UK
HX-Board Block and Schematic Diagram
TH-58PH10UK
HX-Board Block and Schematic Diagram
TH-58PH10UK
76

Table of Contents

Related product manuals