EasyManua.ls Logo

Panasonic TH-58PH10UK - DS-Board (1 of 2) and H3-Board Block Diagram

Panasonic TH-58PH10UK
149 pages
Print Icon
To Next Page IconTo Next Page
To Next Page IconTo Next Page
To Previous Page IconTo Previous Page
To Previous Page IconTo Previous Page
Loading...
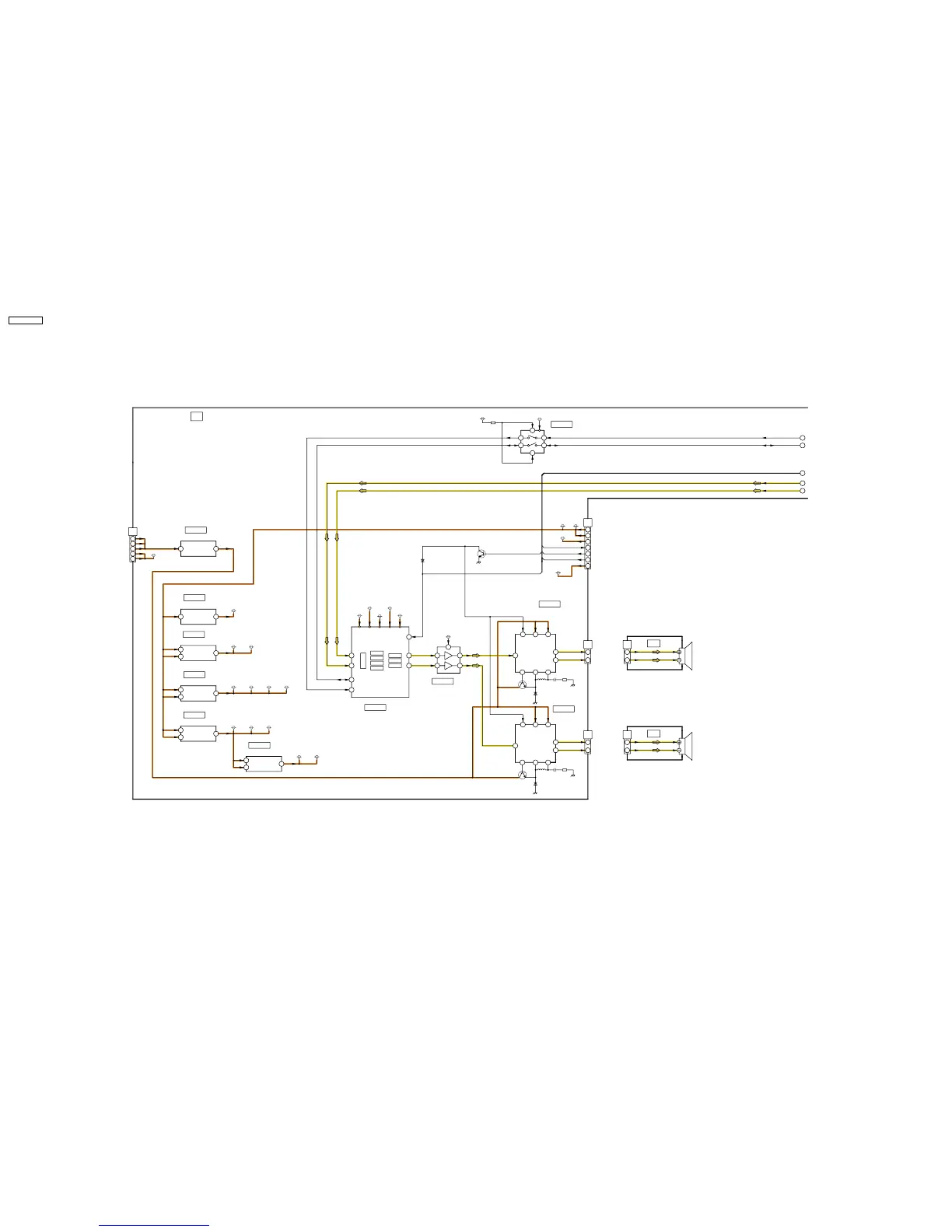
14.12. DS-Board (1 of 2) and H3-Board Block Diagram
AC_GOOD
F_STB_ON
ALL_OFF
RESET
SOUND_MUTE
A+1.8V
A+3.3V
+5V_M
D+1.8V
+9V_2
D+3.3V
A+5V
JK8500
SLOT+9V
D+1.8V
+9V_2
A+5V SLOT+5V
A+1.8V
STB3.3V
FAN+5V
D+3.3V
SLOT+3.3VA+3.3V
+12V
D+3.3V
JK8500
SLOT15V 15V
STB5V_S
P5V
LAN+14V
IC2303
3
2
SW
VDD
VOL
CE
OUT+
VOUT
OUT-
4
-R OUT
17
IC8100
AVR+3.3V
3
TONE
38
AUDIO L
8
AMP
PRE AMP
H37
A
G
C
10W MONO
R
BAL
71
VCC
SDA
22
7
SCL
16
2
MUTE SW
IN
1
1
2
73
IC2301
5
3
8
AUDIO R
6
4
3
21
SW_B
3
SW_OUTSW_E
STBY
BTL AMP R
22
AMP_
20
PRE_
AMP_STB_SW
OUT+
5
-L OUT
S_CLOCK3
5
DS SLOT INTERFACE/SYNC PROCESSOR/SOUND PROCESSOR
15
23
7
10
IC804
VCC
5
AVR+12V
23
Q2300
L
IIC ON/OFF
Q2331
IC3008
DS6
37
3
1
67
8
1
R OUT
DS8
AVR+9V
7
10W MONO
AVR SOUND+12V
1
SDA3
2
H3
SCL3
1
1
IC2302
16
IC802
H3
DS7
LPF
32
IC805
1
AVR+5V
VIN SW
3
1
8
INPUT OUT
PHASE
S_DATA3
S+15V
SW_OUT
IC801
4
1
F+15V
IN
F+15V
IC803
S+15V
VCC
S+15V
STBY
3
AMP_
20
1
OUT-
+R OUT
17 15
SW_E SW_B
TO P6
VIN
VIN
2
SW
VIN
3
SHIFT
SOUND CONTROL
2
+L OUT
BTL AMP L
27
10
2
L OUT
D2303
RSTB
AVR 1.8V
Q2372
3
IC2305
1
1
21
PRE_
AMP_STB_SW
VCC
1
H37
VIN
SW
VIN
VIN
SPEAKER
SPEAKER
R
L
7
P+15V
1
DS4
TO P7
5
P+15V
8
STB+5V
2
9
P+5V
10
ALL_OFF
AC_GOOD
F_STB_ON
8
TH-58PH10UK
DS-Board (1 of 2) Block Diagram
TH-58PH10UK
DS-Board (1 of 2) Block Diagram
TH-58PH10UK
78

Table of Contents

Related product manuals