EasyManua.ls Logo

Penlon Prima 451 - Page 32

Penlon Prima 451
48 pages
Print Icon
To Next Page IconTo Next Page
To Next Page IconTo Next Page
To Previous Page IconTo Previous Page
To Previous Page IconTo Previous Page
Loading...
26 Prima 451 – User Manual
Installation and Pre-use Checks
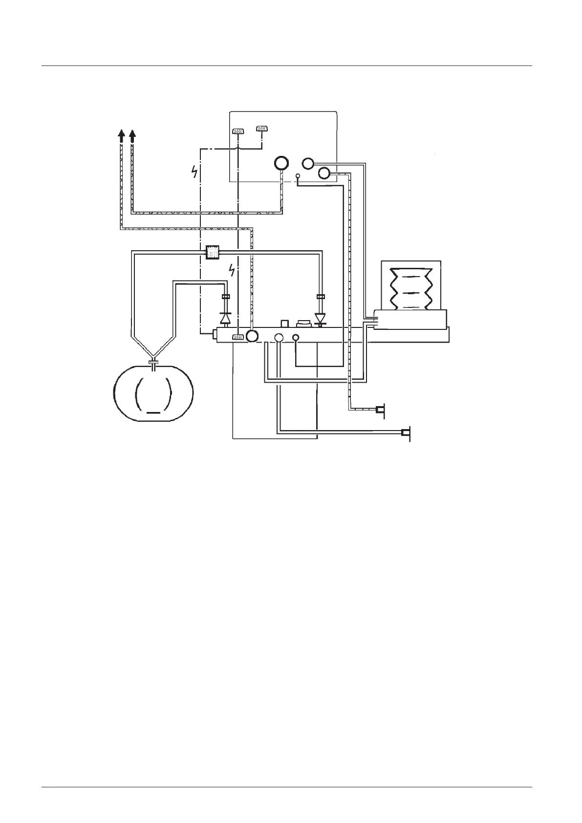
Breathing Circuit
S
c
h
e
m
a
t
i
c - AV-S Ventilator
1. Bellows
2. AV-S Ventilator control unit
3. Outlets to anaesthetic gas scavenging system (AGSS)
4. Bacterial filter
5. Absorber valve block
6. Heat and moisture exchanger
7. Patient
8. Common gas outlet (CGO) block on anaesthetic machine
(fresh gas supply)
9. Auxiliary outlet on anaesthetic machine (drive gas supply)
10. Flow sensor - expiratory (located within the absorber)
11. Flow sensor - inspiratory (located within the absorber)
12. Connectors (AV-S) - sensor - pressure monitor
13. Expiratory Valve - Absorber
14. Inspiratory Valve - Absorber
15. Inlet - from Ventilator bellows
16. Connector - Reservoir bag
17. Inlet - absorber - fresh gas supply
18. Drive gas inlet - AV-S ventilator
19. Drive gas outlet - Ventilator control unit to bellows
20. Outlet - Exhaust valve
21. Inlet - Bellows drive gas
22. Outlet - to breathing system
23. Input socket - Oxygen monitor sensor
24. Input socket:
(i) A200SP Absorber bag/ventilator control position
(ii) Spirometer sensor signal
25. Interface connection on A200SP
26. Adjustable pressure limiting (APL) valve
27. Outlet from APL valve to AGSS
28. Oxygen sensor

Related product manuals