EasyManua.ls Logo

Perkins 415GM - Page 48

Perkins 415GM
124 pages
Print Icon
To Next Page IconTo Next Page
To Next Page IconTo Next Page
To Previous Page IconTo Previous Page
To Previous Page IconTo Previous Page
Loading...
Chapter 3 N39453
Page 40
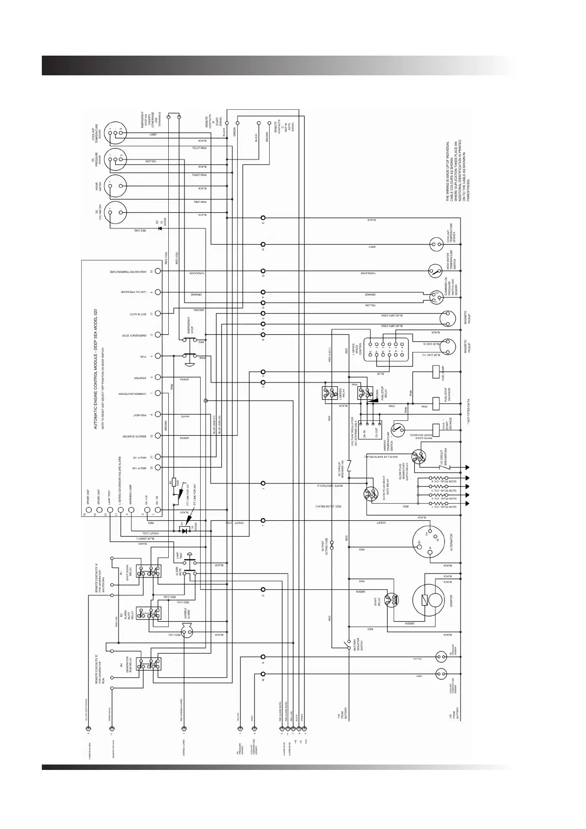
Standard DC circuits
Information derived from 04-1006-1

Table of Contents

Other manuals for Perkins 415GM

Related product manuals