EasyManua.ls Logo

PG Drives Technology S45A - Wiring Diagram: S45 A, S70 A & S90 A; Wiring Diagram: S120 A & 140 A

Default Icon
107 pages
Print Icon
To Next Page IconTo Next Page
To Next Page IconTo Next Page
To Previous Page IconTo Previous Page
To Previous Page IconTo Previous Page
Loading...
PG DRIVES TECHNOLOGY S-DRIVE - INSTALLATION
SK76745/10
27
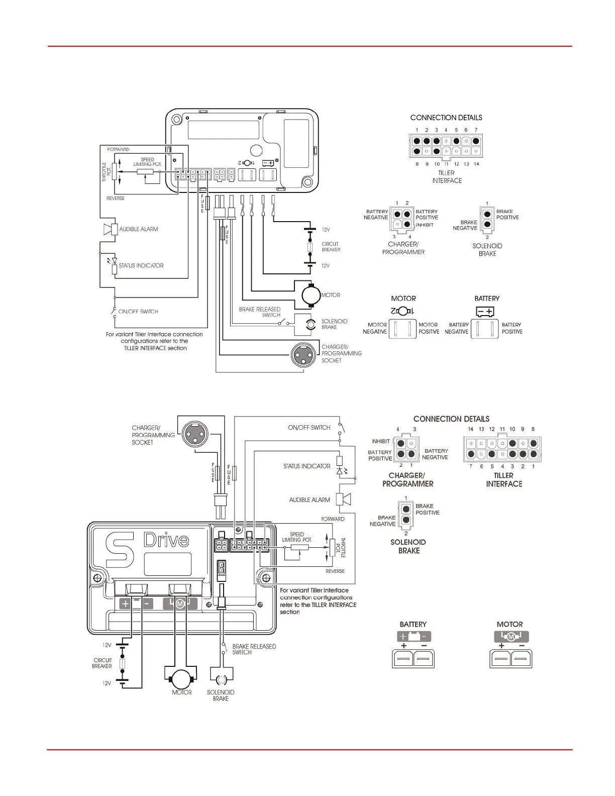
3.1.1 Wiring Configuration S45A, S70A & S90A
3.1.2 Wiring Configuration S120A & 140A

Table of Contents

Related product manuals