EasyManua.ls Logo

Philips DVDR600VR/37 - Page 141

Philips DVDR600VR/37
204 pages
Print Icon
To Next Page IconTo Next Page
To Next Page IconTo Next Page
To Previous Page IconTo Previous Page
To Previous Page IconTo Previous Page
Loading...
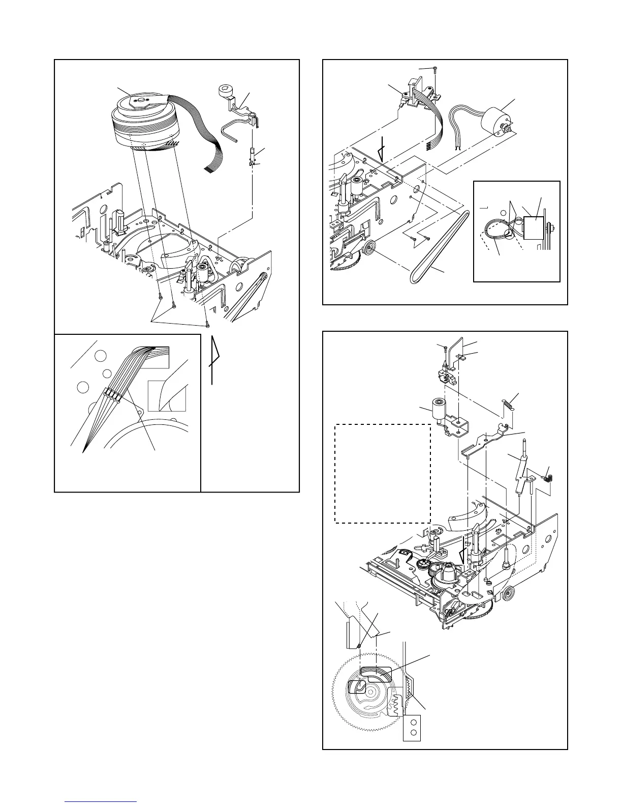
2-4-5 U29NDA_PC
Fig. DM6
Desolder
from bottom
Lead with
Red Stripe
View for A
(S-2)
[7]
(L-14)
[46]
[47]
A
View for A
Desolder
from bottom
Lead with White Stripe
Fig. DM7
A
[8]
[9]
(S-4)
(S-3)
LDG
Belt
[8]
Pin of [12]
Pin of [10]
Groove of [28]
View for A
Fig. DM8-1
When reassembling [10] and
[12], confirm that pin of [10]
and pin of [12] are in the
groove of [28] as shown.
[28]
[11]
[13]
[12]
A
[10]
(L-4)
(S-4A)
(P-3)
(P-2)
Removal of [11]
1) Remove screw (S-4A).
2) Unhook spring (P-2).
3) Release (L-4) while
holding [12] with a
finger.
4) Loosen a finger
holding [12] and
remove [11].

Table of Contents

Related product manuals