EasyManua.ls Logo

Philips DVDR600VR/37 - Page 186

Philips DVDR600VR/37
204 pages
Print Icon
To Next Page IconTo Next Page
To Next Page IconTo Next Page
To Previous Page IconTo Previous Page
To Previous Page IconTo Previous Page
Loading...
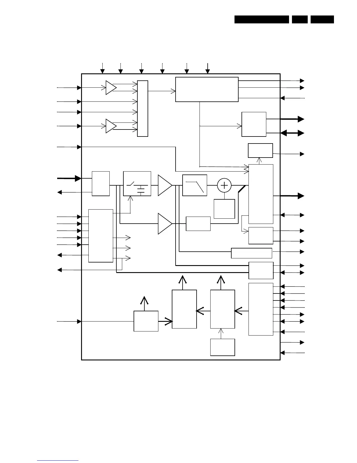
Circuit Descriptions, Abbreviation List, and Data Sheets
EN 35VAD8041 9.
9.8 IC Servo Board
IC7201, TZA1047: Servo Board, Analogue PReprocessor
:5)
95()
9,$9,+
/$63
55)
5)1,1
5)3,1
5()(&1
56(&3
7+('1
7+('3
5:
7,0287
55()
5)3
5)1
5)5()
$$&$/)
$/)$
'
'7/1
'5(1
')(1
60,1
6;'1
&033
&$&$&&$/)
331
021
021
)7&
&)7&
6,'$
6,&/
6,/'
6(5767
65287
6'$
6&/
7(67
,''4767
9''
9'' *1' *1' 9''' *1''
VG
VG
5)$03
%(7$
33 3URFHVVRU
,QSXW
FLUFXLW
6+
1250
9,
2IIVHW
&RQWURO
()0
7,0
7R$/)$
7R1250
UZ
'3'
*DLQ
325
)7&
%XV
,QWHUIDFH
5HJLVWHUV
DQG
ORJLF
021
'$&V
%DQGJDS
UHIHUHQFH
$/)$
5:287
44

Table of Contents

Related product manuals