EasyManua.ls Logo

Philips DVDR600VR/37 - Page 193

Philips DVDR600VR/37
204 pages
Print Icon
To Next Page IconTo Next Page
To Next Page IconTo Next Page
To Previous Page IconTo Previous Page
To Previous Page IconTo Previous Page
Loading...
Circuit Descriptions, Abbreviation List, and Data Sheets
EN 42 VAD80419.
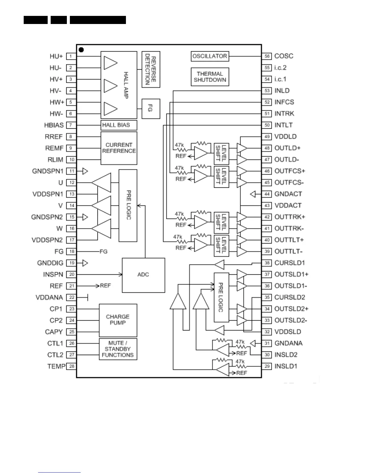
IC7402, SSA56202: Servo Board, Motor Driver
Fig. Block diagram.

Table of Contents

Related product manuals