EasyManua.ls Logo

Philips L9.2EAA - Itt Audio Decoding

Philips L9.2EAA
58 pages
Print Icon
To Next Page IconTo Next Page
To Next Page IconTo Next Page
To Previous Page IconTo Previous Page
To Previous Page IconTo Previous Page
Loading...
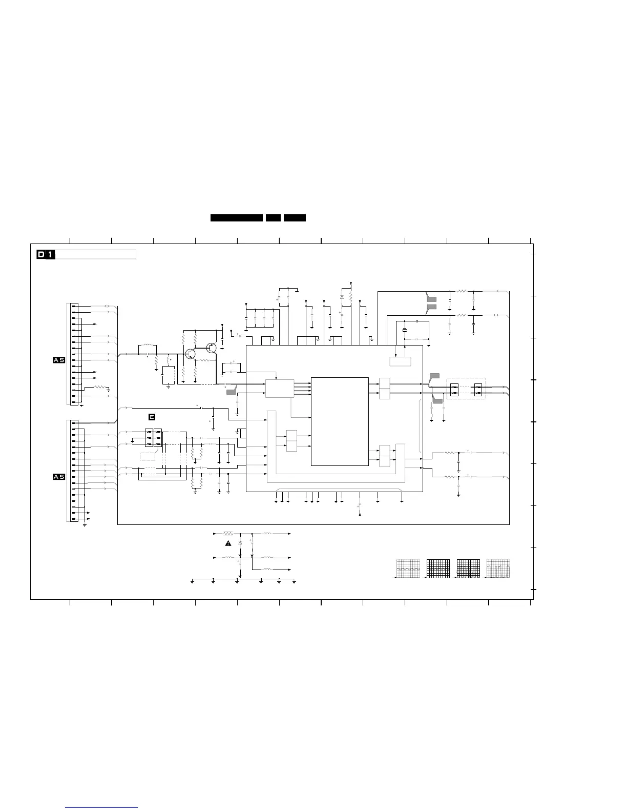
Schematics and PWB’s
GB 39L9.2E 7.
4802 D5
4801 C4
3899 D2
3816 F5
3815 F4
3814 E4
3813 E5
3812 G5
3811 B11
3810 A11
9811 D11
9810 D11
9804 E4
9803 F3
9802 E4
9801 E4
7803 F6
7802 B5
7801 C5
6802 G5
6801 B8
5814 H5
5813 H6
5812 H6
5811 G6
2831 B8
2830 F11
2829 F11
2828 E11
2827 E11
2826 F8
2825 B8
2824 B6
2823 B7
2822 B6
3809 B8
3808 F11
3807 E11
3806 C5
3805 C4
3804 C4
3803 C4
3802 C4
3801 C4
2844 D10
2843 D10
2842 H5
2841 G6
2840 B11
2839 B11
2838 B11
5802 C3
5801 C4
4806 E4
4805 F3
4804 E4
4803 E4
0257 D11
0248A E4
0248 E3
0240 B2
0239 D2
H
G
F
2821 C5
2820 C5
2819 E5
2818 E5
2817 F5
2816 F5
2815 D5
2814 B7
2812 D5
2811 D5
2810 E5
2809 E5
2808 F5
2807 E5
2806 B10
2805 B10
2837 B11
2836 B9
2835 B6
2834 B6
2833 B6
2832 B6
1211
E
D
C
B
A
2804 D5
2803 C5
2802 C4
2801 C3
1801 B9
0258 D11
12111098
109876543
7654321
21
TP
NICAM B
NICAM A
FM2
FM1/AM
SC1-OUT-L
D/A
DACM-R
DEMODULATOR
ANA_IN-
ANA_IN1+
D/A
LOUDSPEAKER R
LOUDSPEAKER L
SCART Switching Facilities
SCART-R
MONO-IN
MONO
IDENT
DSP
SC1-IN-L
LOUDSPEAKER
& NICAM
DECODER
VREFTOP
SOUND IF
AUDIO PLL
SC1-OUT-R
SC2-IN-L
SC2-IN-R
D/A
D/A
DACM-L
A/D
A/D
SCART
SC1-IN-R
SCART-L
SCART 2
SCART-R
SCART 1
NC
SCART-L
9810
+5VA+8V
SIF
AudioOutL|Mono
AudioOutR
+8V
+8V
Ext2AudioR
Ext2AudioL|Mono
Front|Ext1AudioR
Front|Ext1AudioL
MainAudioL|Mono
9811
7
*
E
RES
D1-43
D1-48
D1-41
G
H
D1-44
RES
RES
RES
RES
D
RES
D2-2
11
654321
MainAudioR
21
1211109
543
C
D1-43
B
A
D1-45
D1-24
D1-48
RES
RES
RES
765
876
D1-44
*
2 109
Connectors for ITV only
Dipmate for
8
109876
4
D1-42
(from SIDE_AV Panel)
RES
RES
RES
RES
RES
RES
D1-47
D1-42
D1-25
F
D1-46
*
RES
1V5
D1-45
7V3
3
RES
RES
RES
RES
1254
RES
D1-47
*
3 1211
E
D
C
B
A
2804 D5
2803 C5
2802 C4
2801 C3
1801 B9
0258 D11
0257 D11
0248A E4
0248 E3
0240 B2
0239 D2
H
*
*
D1-41
1
8
1V5
To 0251 of
RES
121
RES
12
*
1110
2V2
RES
G
F
2821 C5
2820 C5
2819 E5
2818 E5
2817 F5
345
2816 F5
2815 D5
2814 B7
2812 D5
2811 D5
2810 E5
2809 E5
2808 F5
2807 E5
2806 B10
2805 B10
2837 B11
2836 B9
2835 B6
2834 B6
2833 B6
2832 B6
2831 B8
2830 F11
2829 F11
2828 E11
2827 E11
2826 F8
2825 B8
2824 B6
2823 B7
2822 B6
3809 B8
678910
821 91011
12
A
B
C
D1-46
64
F
5
3808 F11
3807 E11
3806 C5
3805 C4
3804 C4
3803 C4
3802 C4
3801 C4
2844 D10
2843 D10
2842 H5
H
G
7
Brazil only
E
D
2841 G6
2840 B11
2839 B11
2838 B11
5802 C3
5801 C4
4806 E4
4805 F3
4804 E4
4803 E4
4802 D5
4801 C4
3899 D2
3816 F5
3815 F4
3814 E4
3813 E5
3812 G5
3811 B11
3810 A11
9811 D11
9810 D11
9804 E4
9803 F3
9802 E4
11
123
ITT AUDIO DECODING
To 0240 of
*
D1-24
D1-25
9
2V2
D2-78
RES
D2-49
9801 E4
7803 F6
7802 B5
7801 C5
6802 G5
6801 B8
5814 H5
5813 H6
5812 H6
5811 G6
1
2
7801
2820
10u
4802
4V8
RES
2
D2-3
*
RES
To 0239 of
5811
10u
A21
A20
2844
7802
3816
100R
3808
6R8
3812
3813
9803
4804
4803
4801
3804
3899
4K7
3802
3801
5813
10u
47p
2815
1N4148
100u
2841
15
16
17
VREF1
35
VREF2
27
54
62 63
6801
24
52
53
37
36
49
50
7
STANDBYQ
61
TESTEN
1
31
4
5
11
12
13
38 43 44 45 463 47 60 648142021222325
RESETQ
56
AVSUP
57
CAPL_M
40
29
28
DVSS
19 18
DVSUP
I2C_CL
9
I2C_DA
10
55
2 2630323334
MSP3415D
7803
6
ADR_SEL
AGNDC
42
AHVSS
41 39
AHVSUP
59
58
ASG1
51
48
ASG2
AVSS
SIFGnd
2805
1p5
4806
2802
VlotAuxGnd
9801
3806
220n
A23
MainAudioGnd
2808
A24
2837
47p
2812
Ext1AudioGnd AudioOutGnd
2818
100n
2823
47K
3809
3805
2803
38143815
2824
10u
9804
5801
100n
2814
2817
2833
2839
2843
2801
3807
100R
2836
100n
2807
220n
3803
4u7
5814
4u7
2829
2821
100n
2840
4
5
6
7
8
9
A22
0240
1
10
11
12
13
14
15
16
17
2
3
2828
1n
2827
4u7
0257
1
2
6802
BZX79-F8V2
220n
2809
220n
2810
2816
2834
2832
2811
18M432
HC-49/U
1801
2825
100n
2804
4805
0248
9802
5802
100R
3811
2835
1n
2830
100n
2826
2819
1p5
2806
2831
10u
2822
10u
10u
5812
100u
2842
0258
11
12
13
14
15
16
17
2
3
4
5
6
7
8
9
0239
1
10
0248A
1
2
3
3810
100R
+5VB
+5VA
47p
2838
SIF
Buzzer
LLp|Mtrap
TrebleSw
BassSw
Front|Ext1AudioR
+5VA
AudioOutL|Mono
AudioSupply10V|14VA
Front|Ext1AudioL
Ext2AudioR
Volume
Ext1|2
Ext2AudioL|Mono
AudioSupplyGnd
VlotAux13V
SDA
SCL
SCL
SDA
+5VA
FM|AM|Audio
VlotAux8V
+5VB
+5VA
FM|AM|Audio
+8V
VlotAux8V
VlotAux8V
AudioOutR
VlotAux5V
CL 96532028_050.eps
070499
0.5V / div DC
0.5ms / div
0.5V / div DC
0.2ms / div
A21 A22A20 1V5 DC
A24 SDA uPA23 SCL uP
1V / div DC
20µs / div
1V / div DC
10µs / div

Table of Contents

Related product manuals