EasyManua.ls Logo

Philips MCM9 - Tape Deck Mechanics Overview; Tape Deck Wiring and Electronics

Philips MCM9
77 pages
Print Icon
To Next Page IconTo Next Page
To Next Page IconTo Next Page
To Previous Page IconTo Previous Page
To Previous Page IconTo Previous Page
Loading...
9-2
9-2
1
1
To Autoreverse
Rec/Pb head
Red
Black
White
Blue
Yellow
Red
Black
White
Blue
Yellow
Erase head
Rec/Pb head
Non-Autoreverse version
Autoreverse version
CRO
REC
RVS
REC
FWD
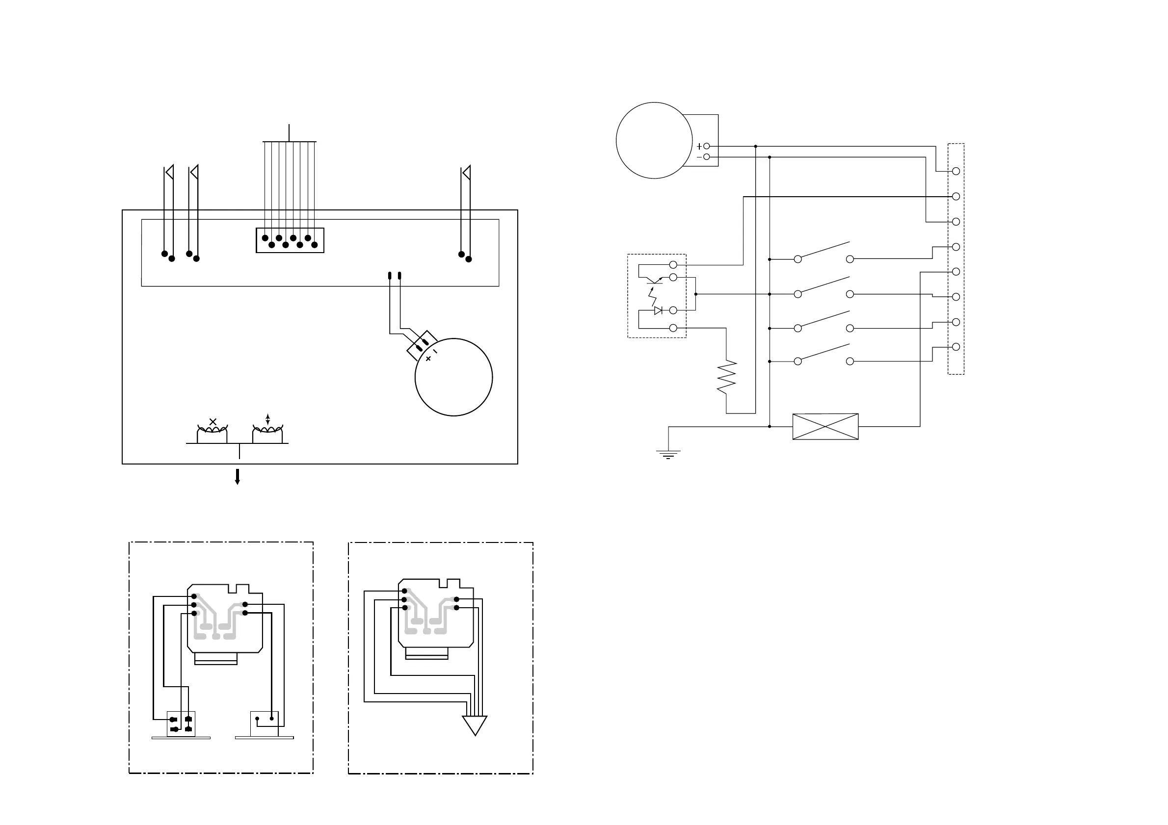
Tape Deck
Motor
To ETF8 Board
Connector 1760 (8P)
TAPE DECK WIRING
To ETF8 Board
Connector 1710 (5P)
TAPE MECHANISM ELECTRONICS
1. Vcc 12V
Pin No.
08FESTVKNA
Mode Switch
CrO2 Switch
Rec Switch (FWD)
Rec Switch (RVS)
Solenoid
Motor
470R
Photo Interrupter
2. Photo Out
3. Gnd
4. Mode Switch
5. Solenoid
6. CrO2 Switch
7. Rec Switch (FWD)
8. Rec Switch (RVS)

Table of Contents

Other manuals for Philips MCM9

Related product manuals