EasyManua.ls Logo

Philips MCM9 - Regulator Board Circuit Diagram; Electrical Schematic Details

Philips MCM9
77 pages
Print Icon
To Next Page IconTo Next Page
To Next Page IconTo Next Page
To Previous Page IconTo Previous Page
To Previous Page IconTo Previous Page
Loading...
#
A
B
C
D
E
F
1171 C2
1400 B9
1401 A1
1402 A1
1403 E1
2400 B5
2402 A7
2403 C5
123456789
123456789
A
B
C
D
E
F
+A
*
*
~
2404 C5
2405 B7
2406 B8
2407 B8
2408 D5
2409 E4
2410 E5
2411 C3
2412 F3
2413 E3
2415 E7
2416 D7
2417 D6
2418 B7
2420 E6
3403 A4
3404 B4
3405 A4
3406 B5
3407 B5
3409 C5
3410 B6
3411 B8
3412 B6
3413 B6
For NON CDR
3414 B6
3415 C7
3416 B7
3417 C7
3418 B8
3419 A8
3420 B8
3421 A8
3422 D3
3423 D2
3424 E2
3425 E3
3426 E3
3427 E4
3428 F4
3430 D6
3431 D6
3432 D6
3433 D7
3434 E7
3435 E7
3436 E2
3437 F2
3438 F1
3439 F1
3440 F1
6400 B4
6401 C4
6402 B5
FOR CDR ONLY
6404 C6
6405 B7
6406 B8
6407 E4
6409 E5
6412 D7
6413 D7
7401 B4
7402 B4
7403 A4
7405 A6
7406 C6
7407 B6
7408 B7
7409 B9
7410 D7
+A/2
For Fan
7411 E6
7412 E7
7413 D3
7414 F3
7415 F3
7417 D5
7419 F1
7420 E1
7421 F2
9172 D2
9174 D2
9401 A6
9404 D3
9405 D4
9406 E1
+12V_M
5V_VCD
VCD_ON
+12V_A
PROVISION
LPC
TO CDR MODULE
*
~
+5V6
~
FOR NON-CDR ONLY
FOR NON-LPS VERSION ONLY
~
FOR CDR ONLY
TO COMBI
6402
BZX79-C15
T2A5 for CDR
FOR MC-500 ONLY
VCD_GND
180R
3431
6406
BZX79-C3V9
VCD_GND
1400
EH-B
7412
BC547B
7415
GND_A
5V6_GND
7411
BC547B
1
2
GND_M
3405
270R
120R
3416
3424
3437
100K
GND_A
7409
BC327-25
9401
1K
3420
VCD_GND
15K
3407
1
3
STP16NE06
7420
2
1402
EH-B
1
2
3
4
5
6
7
8
9
BC547B
7406
7410
BD438
1K
3403
7407
BC547B
120R
3434
5V6_GND
L7805
7417
2
GND
1
IN OUT
3
68R
3415
10K
# 3440
180R
3432
2400
2u2
BC547B
7419
3439
1K
3433
10K
3435
3409
3K3
10u
10K
3410
120R
6407
BZX79-B4V7
2413
5
6
7
8
9
3436
10K
EH-B
1401
1
10
11
2
3
4
100K
3426
5
6
10u
2420
2407
100u
EH-B
1403
1
2
3
4
330R
3419
9404
2403
4u7
2K2
3404
2416
47u
BDX53BFP
7403
5V6_GND
2410
100n
120R
3417
GND_A
VCD_GND
3418
2402
47u
220u for MC-500
9172
22K
3423
470K
7405
BD438
100n
2408
BC547B
100u
2406
6413
BZX79-B3V9
7402
BC557B
10K
3430
2K2
3425
1N4148
6409
# 9406
6401
3406
1K
100n
2404
1N4148
BC547B
7401
2405
10u
2418
4n7
6412
1N4148
9405
5V6_GND
2411
47u
3421
5R6
2412
1u
GND_M
100K
3438
1K
3412
10u
2409
7421
BC547B
GND_M
1K
3414
BC547B
7408
10K
3422
BDW94C
7413
1
23
470R
3411
6404
1N4148
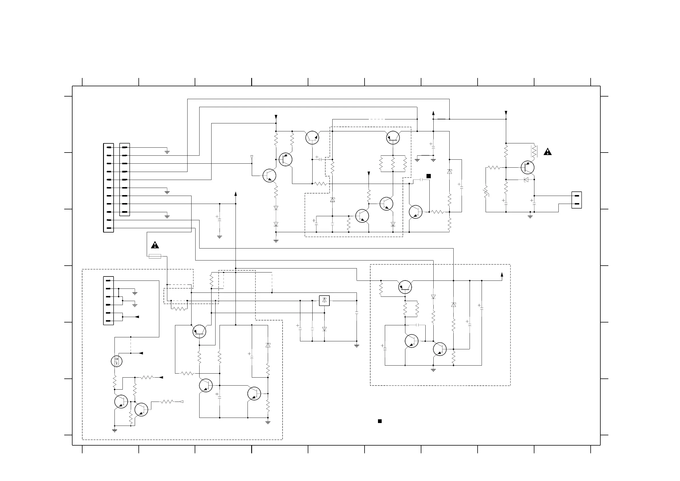
3139 118 53870...8239_210_88966...3441 pt6 dd wk0341
2415
10u
6400
1N4148
150R
3428
2417
1n
6405
BZX79-B10
9174
7414
BC547B
1K
3413
100R
3427
1171
T1A
+A
+12V_M
+A
VCD_ON
+12V_A
+12V_M
+A
LPC
5V_VCD
+5V6
+5V6
5V_VCD
Note : Some values may varies, see respective parts list for correct value.
*
FOR CDR ONLY
5V
5.7V
1.4V
29V
0.65V
12.4V
27.3V
27.9V
4.2V
14.5V
10.35V
9.91V
11.3V
11V
5.7V
0.7V
14.1V
6.34V
11.3V
11-3
11-3
REGULATOR BOARD - CIRCUIT DIAGRAM

Table of Contents

Other manuals for Philips MCM9

Related product manuals