EasyManua.ls Logo

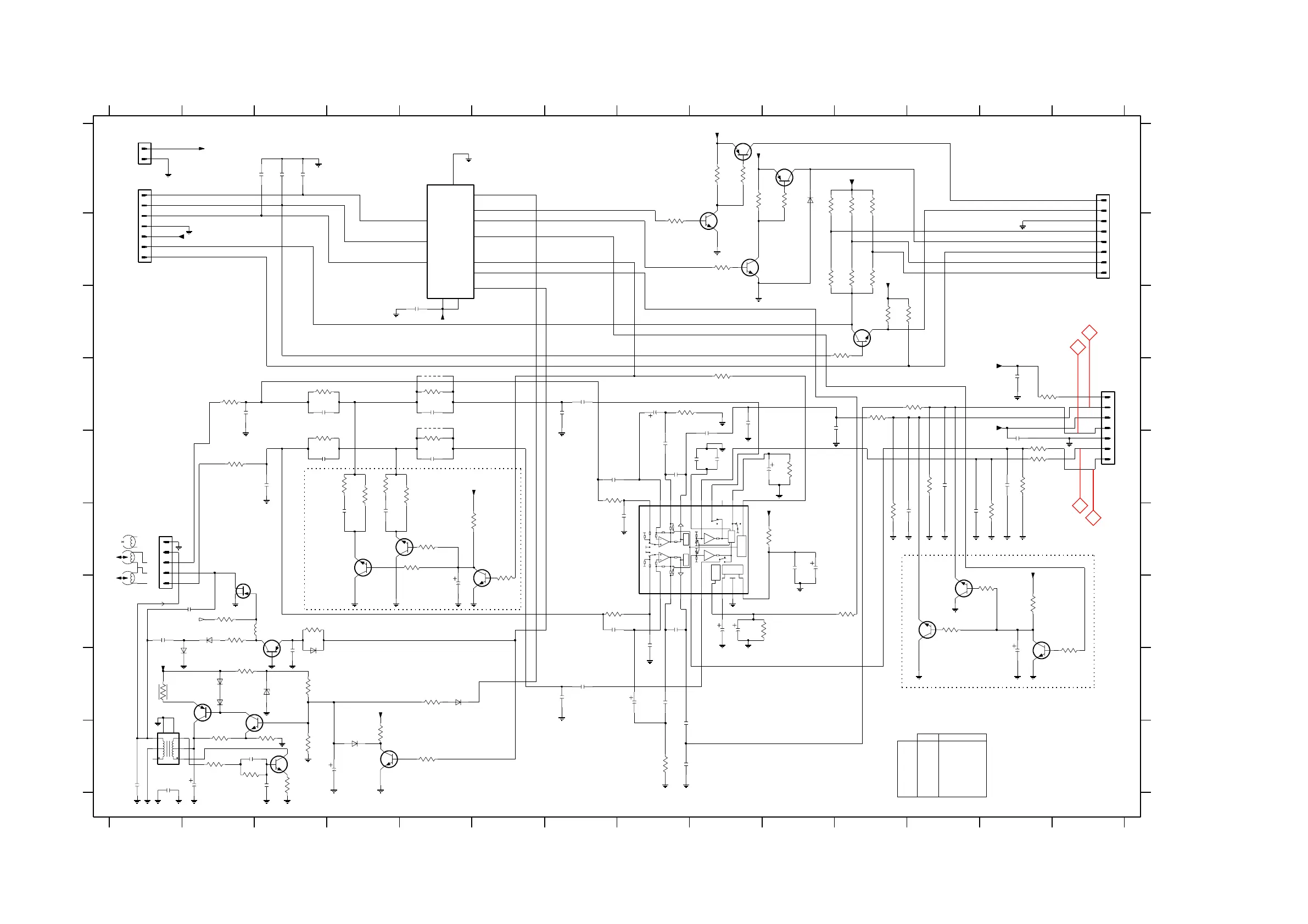
Philips MCM9 - Tape Module Circuit Diagram; Tape Module Electrical Schematic

Philips MCM9
77 pages
Print Icon
To Next Page IconTo Next Page
To Next Page IconTo Next Page
To Previous Page IconTo Previous Page
To Previous Page IconTo Previous Page
Loading...
MUTE
LOGIC
REJECTION
NOR/CHRO
LOGIC
MUTE
PB/REC
RIPPLE
ALC
LR
(NAR)
OSCILLATOR
5 6 7 8 9 10 11 12 13 14
A
B
C
D
E
F
G
H
I
A
B
C
D
E
F
G
H
I
1701 D14
1703 A1
TO / FROM
FRONT BOARD
PMBT 2907
TO / FROM
MECHANISM
* - Variant Parts between AR and NAR versions : please refer to table below;
*
(AR)
3717 1K2 Jumper (4737)
3724 18K 22K
1 2 3 4 5 6 7 8 9 10 11 12 13 14
1234
1706 A1
1710 F1
1760 A14
2621 A3
2622 A3
2623 A3
2625 C5
2701 D2
2702 E3
2703 E13
2704 F12
2709 E7
2710 G7
2711 D9
2712 I8
2713 D9
2714 I8
2715 D8
2716 H8
2717 D5
2718 E5
2719 F4
2720 F4
2721 D7
2722 H7
2723 D7
LEVEL
2724 H7
2725 D10
2727 D3
2728 E3
2729 E8
2730 H8
2731 E9
2732 G2
2743 I1
2747 D13
2761 F10
2768 H13
2769 E12
2770 F11
2780 I4
2781 I3
2782 I2
2784 I1
2785 I2
2786 G1
2787 H3
2788 E13
2789 E9
2790 G8
2791 E8
2793 F8
2794 G8
2795 G5
BIAS
REC/PB
ERASE
MUTING CIRCUIT
xxV - Voltages during Solenoid On.
2796 G9
2797 G9
2798 E9
2799 F10
3607 A11
3608 B10
3609 A11
3610 B11
3611 A10
3612 B11
3614 C11
3624 A9
3626 A10
3628 A9
3630 A9
3678 B8
3680 B9
3686 C11
3709 D8
3710 I8
3711 E7
3712 G7
3717 D5
3718 E5
3719 E4
3720 E5
AF BOARD
TO / FROM
SHIFT REGISTER
3721 E4
3722 E4
3723 D3
3724 E3
3733 E13
3734 F13
3735 E13
3736 E13
3737 G13
3738 G12
3739 G13
3740 G14
3743 E12
3744 F11
3745 D12
3746 D11
3749 D2
3750 E2
3762 H2
3764 F10
3768 D13
3769 H5
3770 I2
3771 I3
3772 I3
3774 H3
3775 I3
3776 I2
** - Provision Part
*
3777 I2
3778 H1
3779 G3
3780 G2
3781 G2
3786 I5
3789 I4
3790 D9
3791 G9
3792 F6
3793 F5
3794 F5
3795 F5
3796 E10
3797 C11
3800 G11
4736 D5
4737 D5
5701 G2
5703 I1
6612 A1
0
6770 H2
6771 H2
6772 H1
6773 G2
6774 G3
*
*
TAPE PRE-AMP IC
*
REC EQ
6776 I4
6777 H3
6778 H5
7610 B5
7612 A9
7614 A1
0
7618 B9
7620 B1
0
7624 C11
7720 F8
7780 I4
7781 I3
7782 H2
7783 I2
7784 G3
7786 G2
7788 G1
4
7789 G1
2
7790 G1
2
7792 F6
7793 F4
7794 F4
*
*
*
AR NAR
3718 1K2 Jumper (4736)
*
*
(NAR)
(AR)
3723 18K 22K
3769 22K 18K
2790 1n5 Open
*
*
2791 1n5 Open
2718 15n Open
2717 15n Open
DC Voltages measured with Fe Recording.
3772 15K 12K
*
*
6776
A
5K6
3722
A
A
7780
A
M
BC817-25
7781
A
M
A
3
4
5
6
7
A
A
A
2n2
2769
BC557B
7782
Lch
Lch
PB_Lin
+MOTOR
+MOTOR
GND_M
Common
MUTE_OFF
MUTE_OFF
MUTE_OFF
MUTE_OFF
REC_Lout
3743
56K
2789
33n
N|C|S
18PB|LEQ
20PB|LI
19PB|LNF
17PB|LO
7 PB|REC|SW
3 PB|REQ
1 PB|RIN
2 PB|RNF
4 PB|RO
15REC|LI
14REC|LO
5 REC|RI
6 REC|RO
RF8
10 VCC
15n
2784
M
22K
3800
27K
3614
A
3608
27K
1u
2785
A
47K
3680
3775
4R7
P
A
3710
33R
7790
BC847B
P
47K
3739
2790
1n5
2791
1n5
33n
2719
A
1u
100K
3686
PMBT 2907
2K2
3607
+5V
A
3609
2K2
2728
2n2
1N4148
P
2781
10n
2787
33n
2720
33n
5
6
2727
2n2
CLNS-2A833 YEZ
5703
7
MT1
8
MT2
1
2
3
4
CP
3
2
D
E0
15
O0
4
O1
5
O2
6
O3
7
O4
14
13
O5
O6
12
O7
11
Os
9
Os
10
STR
1
VDD
16
VSS
8
6771
HEF4094BT
7610
A
2722
1u
1N4148
2732
1u
1
2
3
4
5
6
7
7624
BC847B
3750
120R
1701
FE-BT-VK-N
2n2
2724
10u
2798
3718
1K2
7612
2u2
5701
1K2
3745
2709
1n
22n
2730
2794
220p
3724
18K
3794
1K
100u
A
A
47K
3792
2715
3709
33R
2711
100p
330K
6772
1N4148
2786
100p
3779
1N4148
6778
3735
22K
A
FE-ST-VK-N
1710
1
2
3
4
5
7783
BC847B
3712
100R
+12V
3789
47K
P
3771
1K2
A
10K
3768
2625
100n
4n7
2782
BC847B
7789
1K
3795
BC847B
2704
100p
5
6
7
8
3626
1K
3762
820R
1760
FE-ST-VK-N
1
2
3
4
FE-BT-VK-N
1706
1
2
3790
22K
1n
2731
7620
22u
2780
56K
3797
P
BC847B
100u
3777
150R
BC847B
A
2716
BC847B
7793
7794
4M7
3781
P
A
7720
AN17150A
12ALC
16ALC|LC
GND9
NC 13
11
2K7
3720
A
P
1N4148
1n
2621
A
6774
A
2723
2n2
A
22u
2797
15n
2718
1K2
3717
2710
1n
A
3628
100K
7792
BC847B
1M
3780
100K
3624
6R8
3778
BC847B
2717
15n
3630
470R
3737
1K
7788
3770
1K5
A
6770
1N4148
100p
2703
AA
P
2796
47u
3711
100R
A
2729
7784
BC857B
3793
47K
22n
A
-C
3776
6K8
A
P
470p
2622
2K2
3611
A
6612
1N4003
2721
-C
3786
22K
1
2
2714
100n
M
1703
EH-B
2701
100p
22K
3769
1u
2795
18K
3723
56K
3612
1u
2768
3774
18K
100n
2770
2n2
4M7
3796
2799
3610
120K
P
3678
47K
2725
220p
A
100p
2712
A
P
3791
27K
22K
3736
3719
2K7
A
3772
15K
100p
2702
3749
120R
A
3744
56K
2713
100n
3764
180R
BZX79-F8V2
6777
P
2761
220u
3746
1K2
P
P
3139 118 54891_8239 210 90143...for 3455 pt3_dd wk0411
3733
27K
A
27K
3734
A
2747
33n
A
A
4737
4736
47K
3740
7786
J112
A
1N4148
6773
7618
BC847B
A
1K
3738
2623
470p
2743
22n
+5V
2788
22n
2793
220p
3721
5K6
7614
REC_Lin
REC_Lin
PRE_AMP_VCC
REC
REC
REC
REC_Rin
REC_Rin
REC_Rout
PB_Lout
PB_Rin
PB_Rout
TAPE_R
TAPE_R
TAPE_R
TAPE_L
TAPE_L
TAPE_L
CR_SEL
PHOTO
GND_A
Erase
SOL
MOT
AD1
AD1
Vcc12V
+12V
REC_R
REC_R
+5V
+12V
+5V
REC_L
REC_L
GND_A
Rch
Rch
-CMOS
+12V
REC_RVS
REC_FWD
CR_IN
CR_IN
CR_IN
sol_supply
sol_supply
MODE
GND_M
+12V
+12V
CR_BIAS
CR_BIAS
CR_SEL
BIAS_OFF
BIAS_OFF
BIAS_OFF
GND_P
CLK
CLK
DATA
DATA
DATA
STROBE
STROBE
+MOTOR
+MOTOR
+5V
+12V
11.9V
0.0V
3.1V
11.7V
0.3V
0.0V
0.0V
18.7V
11.6V
11.0V
3.3V 1.6V
0.7V
0.0V
0.0V
0.0V
5.0V
5.0V
0.0V
0.0V
(11.8V)
0.7V
1.1V
11.9
(0.7V)
11.8V
11.0V
(1.1V)
(11.0V)
V
(0.3~1.5V)
(0.8~2.1V)
(0.3~1.5V)
0.0V
0.0V
0.8V
0.6V
0.0V
0.6V
-9.0V
11.9V
1
2
4
3
9-5 9-5
CIRCUIT DIAGRAM

Table of Contents

Other manuals for Philips MCM9

Related product manuals