EasyManua.ls Logo

Philips MCM9 - Audio Section Circuit Diagram; Audio Section Schematic Details

Philips MCM9
77 pages
Print Icon
To Next Page IconTo Next Page
To Next Page IconTo Next Page
To Previous Page IconTo Previous Page
To Previous Page IconTo Previous Page
Loading...
10-8
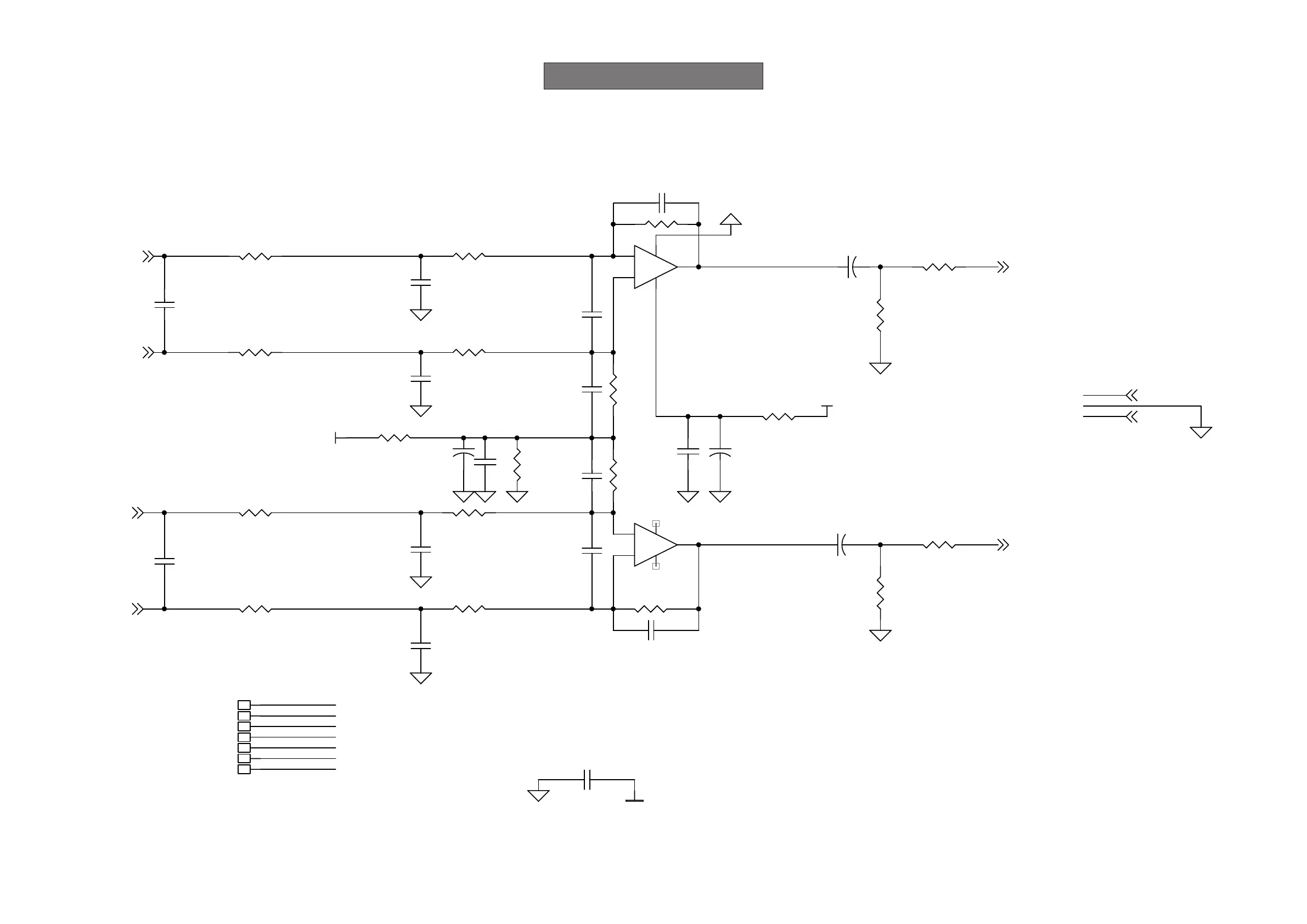
CIRCUIT DIAGRAM
AUDIO SECTION
The C79 ,C91 must be placed as near to the CD18 as
possible
Notes:
Optional
CD_RCH
CD_LCH
AMP_VCC
AGND
DAC_LN
DAC_LP
DAC_RN
DAC_RP
CD_LCH
AGND
CD_RCH
CD_LCH
DAC_LP
CD_RCH
DAC_RP
DAC_LN
DAC_RN
CD_LCH
CD_RCH
AMP_VCC
5V
C75 220pF
C84
1.5nF
C83 100uF/6.3V
T56
C77 100uF/6.3V
R86 47R
C95 220pF
C78
1.5nF
T50
R93
18K
-
+
IC11B
MJN4558
5
6
7
8 4
R92
1K
T51
R82 18K
R84 22K
C93
100pF
T52
R88 22K
C91
1.5nF
T53
C80
100pF
C41 0.1uF
C87 0.1uF
C92
1.5nF
R95 22K
R110 100R
R87 4K7
C86 100uF/6.3V
R91 1K
C88
220pF
-
+
IC11A
MJN4558/YD4558
3
2
1
8 4
R83 4K7
C90 100uF/6.3V
R90
18K
R99 18K
R112
22K
R94 4K7
T54
C85
220pF
C82 0.1uF
R111 100R
C96
1.5nF
R98 22K
T55
R97 4K7
C79
1.5nF
R109
22K
FOR ORIENTATION ONLY
10-8

Table of Contents

Other manuals for Philips MCM9

Related product manuals