EasyManua.ls Logo

Philips MCM9 - Combi Board Circuit Diagrams; Source Selector and Amplifier Schematics

Philips MCM9
77 pages
Print Icon
To Next Page IconTo Next Page
To Next Page IconTo Next Page
To Previous Page IconTo Previous Page
To Previous Page IconTo Previous Page
Loading...
CIRCUIT
CIRCUIT
INPUT
CIRCUIT
DRIVER
CIRCUIT
SEPP OUTP
CIRCUIT
PROTECTION
CIRCUITS
DRIVER SEPP OUTP
RIPPLE
FILTER
CIRCUIT
INPUT
88
88 8
CHIP SELECT
I
2
C BUS
TRANSCEIVER
I/O PORT
DATA LATCHES
PWR
RES
OUT I/O IN
SHIFT
REG
8
CIRCUIT
CIRCUIT
INPUT
CIRCUIT
DRIVER
CIRCUIT
SEPP OUTP
CIRCUIT
PROTECTION
CIRCUITS
DRIVER SEPP OUTP
RIPPLE
FILTER
CIRCUIT
INPUT
A2
FROM MAINS 1203
HP_LEFT
LEFT
GND_A
HP_RIGHT
SUBWOOFER
OUT
FROM/TO HP SOCKET BOARD
GND
GND
7 8 9 10 11 12 13 14
1234567891011121314
A
COMBI BOARD
AMPLIFIER PART
GND
F3.15AL
RIGHT
A1
A1
F
G
H
I
A
B
C
D
E
F
G
H
I
123456
F3.15AL
HP_DET
B1
+50
A2
B
C
D
E
GND
8
SCL
2
SDA
3
SO
1
VDD
13
16
CS0
CS1
15
CS2
14
4
D0
5
D1
D2
6
D3
7
D4
9
D5
10
D6
11
12
D7
7005
M62320FP
B1
47n
2322
3097
3K3
3704
6K8
B1
8
B2
11
GND1
3
GND2
9
IN
5
NF14
NF2
2
O1 7
O2 10
RF1
STBY6
VCC
12
100n
7301
AN7591
2335
10u
2318
3701
470R
5K6
3053
BC847B
7010
2707
100p
100u
2314
3307
470R
3310
4R7
3711
27K
2713
100p
2709
470p
47u
2714
6325
1N4003
2333
47u
100u
2716
C1
3714
4K7
3303
330R
3301
220R
4n7
2307
1u
5302
1u
1u
2701
5301
8
B1
11
B2
3
GND1
9
GND2
5
IN
4 NF1
2
NF2
7O1
10O2
1RF
6 STBY
12
VCC
6306
1N4148
AN7591
7302
4R7
3312
STP16NE06
4n7
2303
10u
2334
7309
1u
2310
C1
YKC21-3416
1004
1
3
2
3035
10K
3K3
3096
5
6
7
100p
2700
7700-B
NJM4556AM
100u
2341
BZX79-C6V8
6324
1u
2032
2K2
3380
6K8
3706
A1
2319
47n
6323
1N4148
BC856B
7307
2304
4n7
27K
3705
100n
2317
BZX79-B24
6315
3028
4K7
1300
4
5
6
7
8
9
C1
2305
47u
EH-B
1302
1
2
3
3340
330R
A1
2708
1u
4K7
3712
1301
3353
1K8
BC856B
7310
3306
470R
6304
BYV28-200/20
3042
1K
100p
2038
7004
BC817-25
BC817-25
7009
2336
10u
6302
1N4003
NJM4556AM
7700-A
3
2
1
8
4
GND_A
1u
5303
27K
3700
YKD21-0026
1307-B
3
4
6303
1N4003
220R
3302
BC857B
7013
3079
4K7
+5V
3326
4K7
470R
3308
2055
22u
39R
3032
3311
4R7
4K7
3328
47n
2321
B1
330R
3331
BC857B
7000
1
2
3
4
GND_A
+5V
FE-BT-VK-N
1014
3342
10K
3379
2K2
100u
2311
2309
1u
BC857B
7313
100u
2046
2033
100u
4n7
3318
3K3
BC817-25
7329
2316
3095
470R
GND_D
+5V6
6002
1N4148
5K6
3337
+5V
6332
1N4148
3707
27K
3315
330R
1N4148
6003
+5V6
2300
10u
10K
3031
330R
3304
470p
2702
2315
4n7
470R
3709
100p
2062
270R
3107
2312
100u
7308
BC847B
5300
1u
2308
4n7
6311
1N4003
9261
0300
100p
2706
3713
10R
3057
1K
22n
2715
+5V
2045
100p
4n7
2302
3014
10K
3329
3K3
2301
4n7
39R
6308
BYV27-200
3066
2
1
470R
3305
STP16NE06
7304
BC847B
1307-A
6301
1N4003
7300
7328
BC817-25
BZX79-B3V9
6307
2061
100p
470R
3094
3341
4K7
3033
39R
3065
39R
7011
BC817-25
2R2
3046
3048
5K6
9214
BC807-25
7006
+5V_CD
(Source Sel. 1018)
1u
2058
2320
47n
3071
10K
100n
2070
3034
10K
3715
10K
2K2
3077
2051
100n
2313
100u
47u
2306
10K
3062
1N4003
6300
2K2
3059
3300
3K9
2K2
3081
3082
2K2
BC817-25
7012
470p
2057
470R
3073
2324
47p
5700
3336
5K6
3323
47K
4K7
3327
2u2
I2C_DATA
I2C_CLK
3314
2K2
4R7
3309
+5V
AMP_ON
AMP_ON
MUTE_SW
MUTE_SW
HP_DET
HP_DET
MUTE_HP
MUTE_HP
AMP_MUTE
MIC_DET
MIC_DET
MUTE_LINE
+5V CD ON
MUTE_LINE
+12V_A
SUB_W
AMP_RIGHT
AMP_RIGHT
AMP_LEFT
AMP_LEFT
CL_DET
(Source Selector part)
+50V
+50V
+12V_A
VOL_LEFT
VOL_RIGHT
A
Combi-Amplifier Part 2001 09 24
POWER STAGE
BUFFER AMPLIFIER
SUPER-G SWITCHES
MUTE
MUTE
MUTE
MUTE
0V
4,4V
1,3V
15,6V
0V
0V
0V
16,6V
1,3V
0V
5,4V
5,4V
5,4V
0V
0V
0V=hedphone detected
5V=no headphone detected
0V=hedphone muted
5V=headphone active
0V=Amplifier switched off
5V=Amplifier active
0V=Amplifier and Subwoofer muted
5V=Amplifier and Subwooferactive
0V
0V
0V
5V
0V
0V
4,9V
0V
0V
0V
0V
14V
8,3V
8,3V
14V
Power Amplifier
7,5V
13V
46,9V
16,7V
46,7V
16,8V 35V
16,7V
16,8V
22,9V
47V
47V
0V
5,6V
17V
35V
23V
47V
0V
5,6V
5,6V
5,6V
5,6V
11,2V
5,6V
3,8V3,8V
8,3V
1,6V
0,6V
0V
7,7V
4,9V
4,8V
-0,5..-2,5V
From Source Selector Part 7506
4,8V
-0,2..-1,5V
4,8V
-0,5..-2,5V
0,7V
-0,2..-1,5V
0,7V
-0,2..-1,5V
0,7V
-0,5..-2,5V
0,7V
4,2V
4,8V
4,2V
.....V measured in MUTE off
.....V
4,4V
1,3V
15,6V
16,6V
1,3V
0V 0V 0V 14V
8,3V
8,3V
14V
Power Amplifier
measured in MUTE active
.....V measured with headphone
.....V
measured without headphone
-0,5..-2,5V
-0,5..-2,5V
#...Not for MC-500
Note : Some values may varies, see respective
parts list for correct value.
#...Not for MC-500
#
330n Polcap for MC-500
*
*
330n Polcap for MC-500
*
*
11-7
11-7
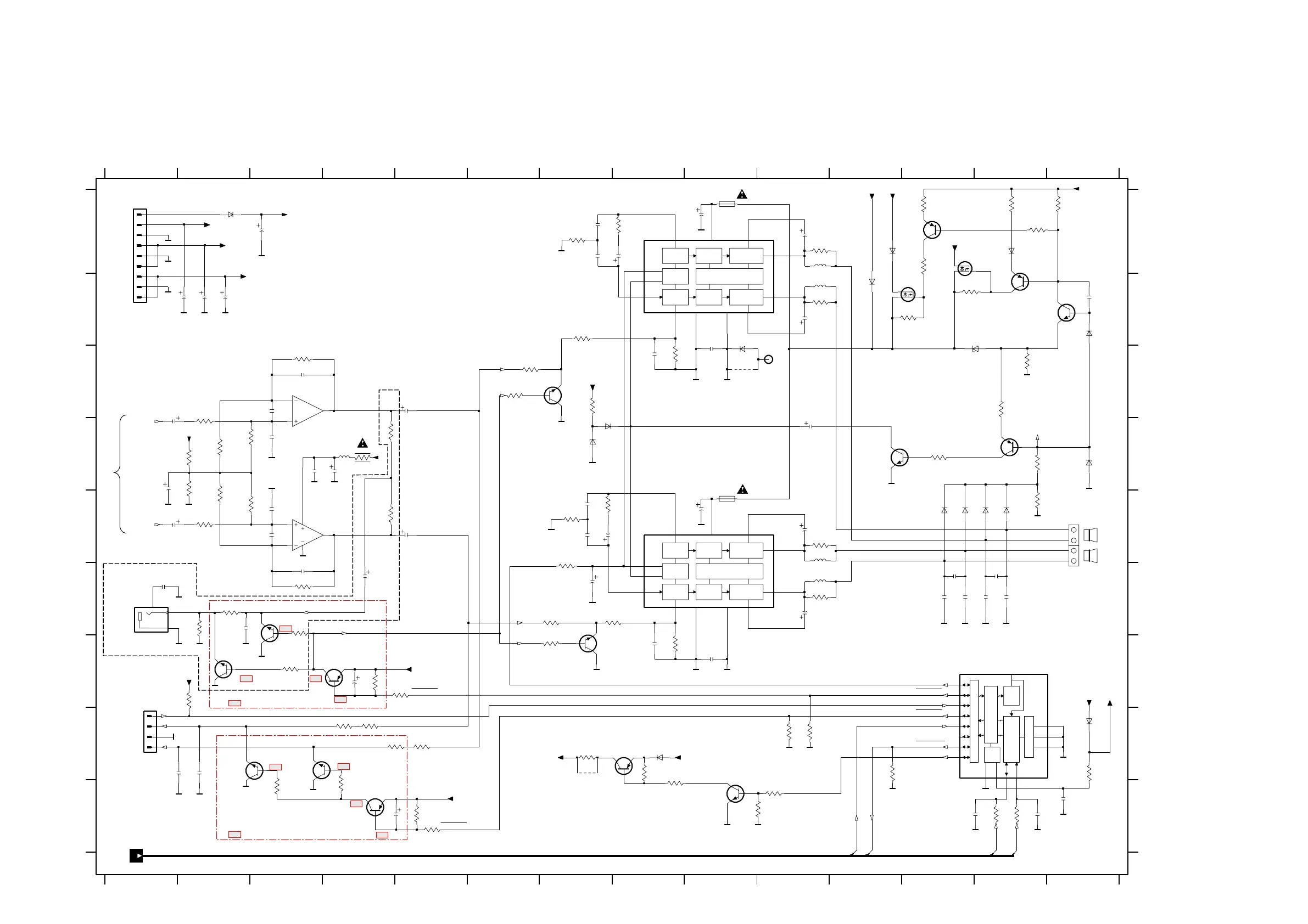
COMBI CIRCUIT - AMPLIFIER PART
0300 C10
1004 F1
1014 G1
1300 E9
1301 A9
1302 A1
1307-A F14
1307-B E14
1315 B1
2032 I5
2033 E5
2038 H2
2045 H2
2046 C5
2051 F1
2055 F4
2057 F2
2058 G4
2061 I13
2062 I13
2070 I14
2300 D9
2301 A7
2302 E7
2303 A7
2304 E7
2305 A7
2306 E7
2307 C8
2308 G8
2309 A9
2310 E9
2311 A10
2312 E10
2313 B10
2314 F10
2315 B9
2316 G9
2317 F13
2318 F12
2319 F13
2320 F12
2321 F13
2322 F12
2324 B14
2333 F7
2334 B1
2335 B2
2336 B2
2340 C14
2341 A3
2700 E3
2701 E1
2702 E3
2706 F3
2707 C3
2708 D1
2709 C3
2713 D3
2714 E3
2715 D4
2716 D1
3014 G2
3028 I5
3031 H10
3032 H4
3033 H4
3034 H10
3035 I5
3042 H3
3046 I7
3048 I8
3053 I8
3057 H4
3059 I10
3062 I9
3065 H5
3066 H5
3071 G4
3073 F2
3077 F2
3079 G4
3081 G3
3082 G3
3094 I13
3095 I13
3096 E4
3097 D4
3105 C2
3106 C2
3107 H14
3300 F7
3301 A7
3302 E7
3303 A8
3304 E7
3305 C6
3306 F7
3307 C8
3308 G8
3309 A10
3310 E10
3311 B10
3312 F10
3314 A14
3315 A12
3318 A13
3323 C13
3326 B12
3327 A12
3328 B12
3329 C13
3331 A13
3336 B7
3337 F8
3340 D13
3341 E13
3342 D11
3353 C7
3364 C12
3365 D12
3366 C13
3367 C14
3379 C6
3380 G7
3700 E2
3701 E2
3704 E2
3705 F3
3706 D2
3707 C3
3709 D2
3711 D2
3712 D2
3713 D4
3714 D2
3715 H11
5300 F10
5301 B10
5302 E10
5303 A10
5700 D3
6002 H14
6003 I8
6300 E12
6301 E13
6302 E12
6303 E13
6304 A11
6306 B14
6307 B13
6308 B11
6311 B9
6315 D14
6323 D7
6324 D7
6325 A2
6328 C13
6332 A13
7000 H4
7004 H2
7005 G12
7006 I8
7009 H3
7010 I9
7011 G2
7012 G3
7013 G4
7300 D9
7301 A8
7302 E8
7304 A13
7307 A12
7308 B14
7309 B12
7310 B13
7313 D12
7326 C12
7328 C6
7329 G7
7700-A E3
7700-B D3
9214 I7
9261 C9

Table of Contents

Other manuals for Philips MCM9

Related product manuals