EasyManua.ls Logo

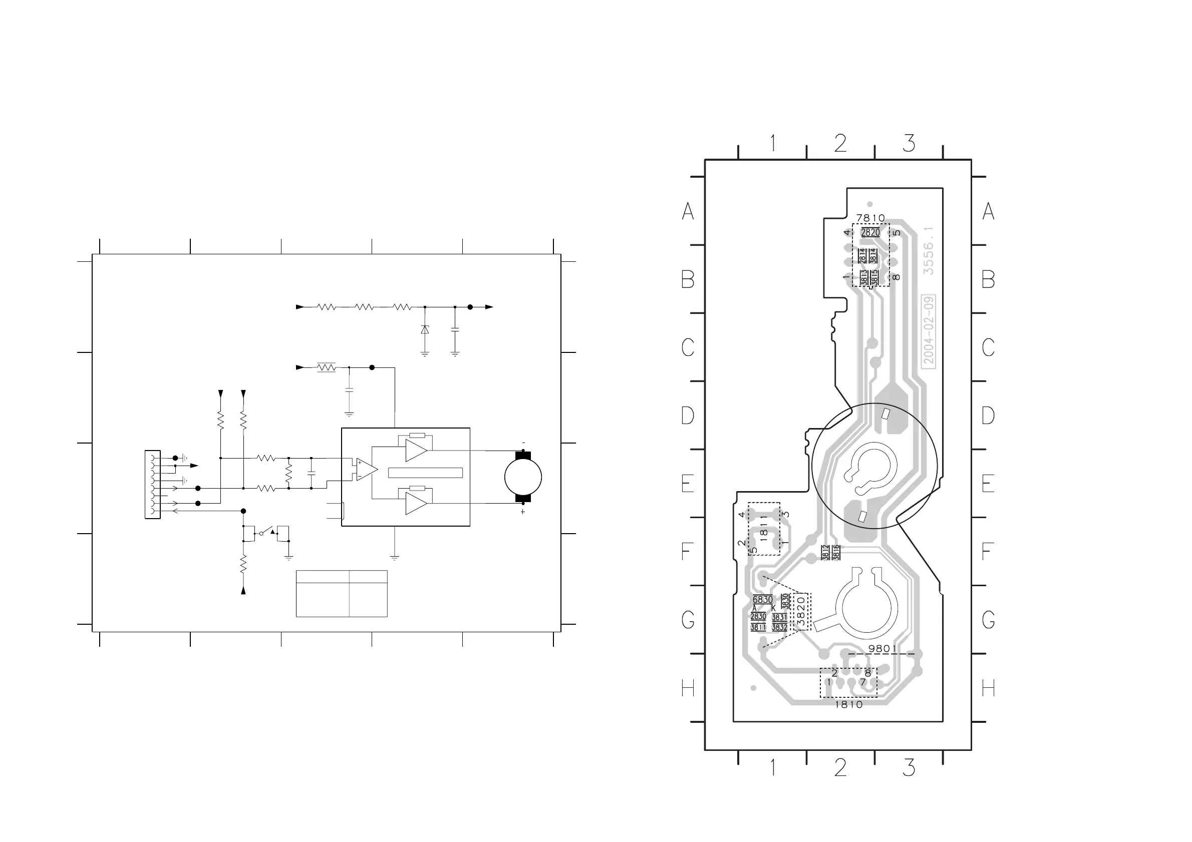
Philips MCM9 - Tray Motor Board Information; Tray Motor Board Layout and Switch Function

Philips MCM9
77 pages
Print Icon
To Next Page IconTo Next Page
To Next Page IconTo Next Page
To Previous Page IconTo Previous Page
To Previous Page IconTo Previous Page
Loading...
10-610-6
1810 H2
1811 F3
2814 B2
2820 A2
2830 G1
3811 G1
3812 F2
3813 B2
3814 B2
3815 B2
3816 F2
3820 G3
3830 G1
3831 G1
3832 G1
6830 G1
7810 B2
9801 H1
TRAY MOTOR
207
TRAY MOTOR BOARD / copper side view
TRAY SWITCH
motor board ICD03 Phonic stage .1, 01032004
NC
TRAY
TRAY SWITCH
1811
MOVING
END POSITION
CLOSED
OPEN
TRAY-MOTOR BOARD (UNIVERSAL LOADER)
TRAY_IN
F811 C2
F812 C2
F816 C2
F820 B3
F830 A5
NC
1811 C2
2814 C3
2820 B3
2830 A4
3811 D2
Indication
Tray Position
MOTOR DRIVER
3820 B3
3830 A4
3831 A3
3832 A3
6830 A4
7810 B4
F810 C1
GND
GND
+12V
45
A
B
C
D
A
SW_INFO
TRAY_OUT
3812 B2
3813 C2
3814 C3
3815 C2
3816 B2
B
C
D
1810 C1
12345
1
TRAY MOTOR
MOTOR BOARD UL ICD03,05032004
+12V
23
220R
3831
7
OUT+
5
OUT-
8
VP
1
7810
AMM7072A
THERMAL PROT
GND
6
IN+
2
IN-
3
4
1
2
3
4
5
6
7
8
4
1
2
08FMN-STK-A
1810
to/from CD main Board
1805
SPVF
1811
3
BZX384-C5V1
6830
10n
2814
100n
2830
220R
3830
220R
3832
39K
3814
82K
3815
100K
3813
3820
2R2
1u0
2820
10K
3812
10K
3816
10K
3811
F830
F811
F820
F816
F812
+5V1
+5V1+5V1
+12V
+12V
+12V
+5V1
F810
M

Table of Contents

Other manuals for Philips MCM9

Related product manuals