EasyManua.ls Logo

Philips MCM9 - CD Section Circuit Diagram; CD Section Schematic Details

Philips MCM9
77 pages
Print Icon
To Next Page IconTo Next Page
To Next Page IconTo Next Page
To Previous Page IconTo Previous Page
To Previous Page IconTo Previous Page
Loading...
10-7
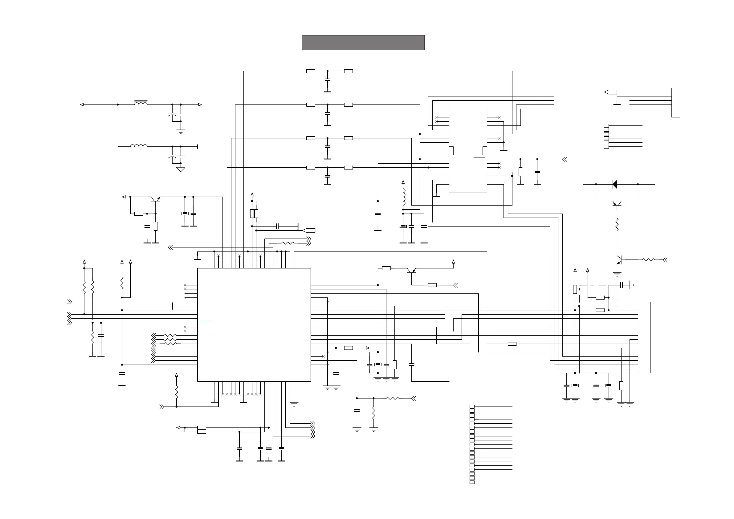
CIRCUIT DIAGRAM
CD SECTION
*
V1,V2 is input,v2,v3,v4 is output
Alternative
SONY-KSM213VCH
TEST POINTS:
NOTE:Tnn=TEST POINT (PAD 1.0mm)
F
X1
FO
MOT-
E
RAD+
1V7
VREF
MOTOR2
RA
FOC+
FOC-
D
MOT+
A
SL
SLE+
B
C
SLE-
LD
OUT1+
OUT1+
RAD-
VR
MD
MOT+
MOT-
SLE-
SLE+
HOME_SW
VCC
X1
E
D
A
B
C
F
LD
VR
MD
FOC+
RAD+
RAD-
FOC-
VREF
SE_CFLG
1V7
SE_REST
VCC
HOME_SW
MOT+
MOT-
SLE+
SLE-
OUT1+
VREF
VREF
DAC_LRCK
SE_SCL
DAC_LN
V4
SE_LRCK
SE_CFLG
SE_CLK
V5
DAC_BLCK
SE_SDA
SE_BLCK
SE_EF
V3
V5
DAC_LP
DAC_DATA
SE_RESET
DAC_RN
STAT US
SE_DATA
V3
V4
DAC_RP
3V3_CD
VB
3V3_CDA
3V3_CDA
3V3_CDA
3V3_CD
3V3_CD
3V3_CD
3V3_CDA
3V3_CD
3V3_CD
3V3_CDA
3V3
8V
5V
C40 0.1uF
C52
0.1uF
R34
3K3
C56
10pF
R41
8K2
C57
0.1uF
T31
+
C35
47uF/6.3V
12
C32
0.1uF
C31
100uF/6.3V
T305
R71 470R
T32
R37
5K1
C38
0.1uF
+
C46
100uF/6.3V
12
C33
100pF
+
C60
100uF/6.3V
12
T33
Q2 BC807-25
+
C53
100uF/6.3V
12
R60 100R
T301
R67 100K
R40
3K9
C26
0.1uF
C43
0.1uF
R106 0R
C36
0.1uF
R52 4.7K
R54 10R
R36
5K1
T34
R107 2R2
FB6
1K@100MHz
R70 18R
C30
2.2nF
CN9
DA11B//JST 16FMN-STK-A
1
2
3
4
5
6
7
8
9
10
11
12
13
14
15
16
IC4
SAA7824HL
1
2
3
4
5
6
7
8
9
10
11
12
13
14
15
16
17
18
19
20
21
22
23
24
25
26
27
28
29
30
31
32
33
34
35
36
37
38
39
40
41
42
43
44
45
46
47
48
49
50
51
52
53
54
55
56
57
58
59
60
61
62
63
64
65
66
67
68
69
70
71
72
73
74
75
76
77
78
79
80
LPWR
EXTF
MONITOR
SENSE
VSSA1
IREF
VDDA1
VRFO
D1
D2
D3
D4
R1
R2
CEQ
VDDA2
VSSA2
OSCO
OSCIN
VSSA3
DACGND
DARP
DARN
DAREF
DALN
DALP
DAVP
BUVP
BUIR
BUOR
BUOL
BUIL
BUGND
LKILL
RKILL
CRDY
CDAT
CCLK
CFLG
VSSD
VDDD
SDI
WCLI
SCLI
EF
DATA
WCLK
SCLK
CLK16
CLK12
RESET
SDA
SCL
RAB
SILD
STATUS
RCK
SUB
SFSY
SBSY
VSD2
DOBM
VDD1
RA
FO
SL
MOTO1
MOTO2
VSD3
VDD2
V1
V2
V3
V4
V5
TEST1
TEST2
TEST3
TEST4
LASE
T306
R65
24K
C39
0.1uF
+
C49
470uF/16V
12
T35
R44 2K7
T302
R39
6K8
T308
R49
8K2
C29
0.1uF
R38
3K9
R58
2R2
R61 100R
T36
R57 4K7
R55 10K
R53 2R2 Q4 BC807-25
R64 10R
T304
R45
10R
T303
T37
1801
ph6
1
2
3
4
5
6
C54
0.1uF
R35
0R
T309
C44 0.1uF
T307
R66 91R
R42
100K
C59
22nF
T38
C42
0.1uF
R68 4K7
R48
1K
T308
C48
22nF
T39
R63 4R7
C51
0.1uF
Q1 BC817-25
1
23
R69
4K7
T310
T30
IC3
MM1469PH/D9258
1
2
3
4
5
6
7
8
9
10
11
12
13
1415
16
17
18
19
20
21
22
23
24
25
26
27
28
DO1.1
DO1.2
DI1.1
DI1.2
REG
REO
MUTE
GND1
DI2.1
DI2.2
DO2.1
DO2.2
GND2
OPOUTOPIN-
OPIN+
DO3.1
DO3.2
DI3.1
DI3.2
VCC1
VCC2
VREF
DI4.1
DI4.2
DO4.1
DO4.2
GND3
T304
R62 100R
L1 100uH
C106 0.1uF
C45 0.1uF
C28
100uF/6.3V
R51 100R
R59 4K7
T311
D1 PMEG2010EA
C27
0.1uF
C47
47nF
C50
0.1uF
+
C58
100uF/6.3V
12
L5
100uH/1A
T313
Q3 BC817-25
1
2 3
C34
2.2nF
+
C55
47uF/6.3V
12
T312
R46
10K
R56 10K
HOME_SW
HOME_SW
FOR ORIENTATION ONLY
10-7

Table of Contents

Other manuals for Philips MCM9

Related product manuals