EasyManua.ls Logo

Philips MX1060D - Page 50

Philips MX1060D
59 pages
Print Icon
To Next Page IconTo Next Page
To Next Page IconTo Next Page
To Previous Page IconTo Previous Page
To Previous Page IconTo Previous Page
Loading...
12-3 12-3
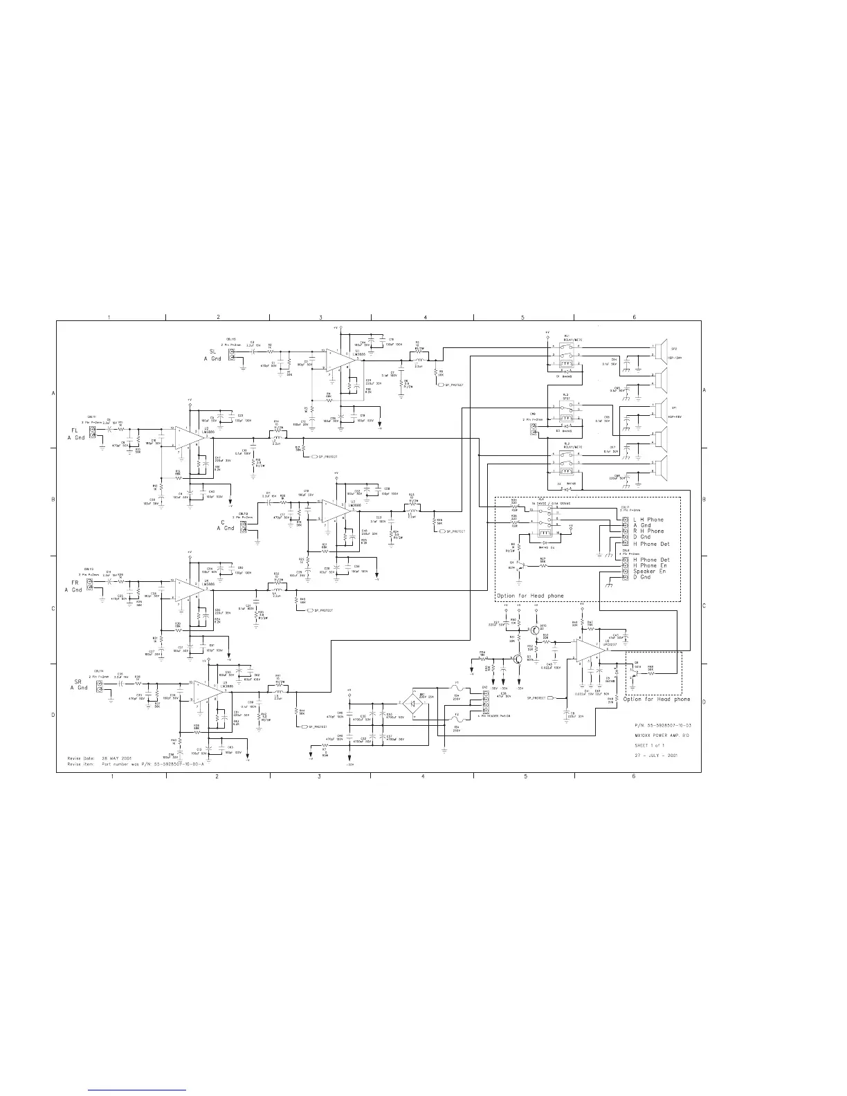
CIRCUIT DIAGRAM
BR1 D4
C1 A3
C10 A1
C11 B2
C12 A3
C13 D2
C14 C1
C15 A2
C16 A4
C17 B3
C18 B3
C19 A3
C2 A3
C20 B1
C21 C2
C22 A2
C23 B4
C24 A3
C25 C1
C26 C1
C27 C5
C28 C3
C29 C3
C3 A2
C30 D3
C31 C2
C32 D3
C33 D1
C34 D2
C35 D1
C36 A3
C37 C1
C38 D5
C39 D2
C4 B2
C40 B2
C41 D6
C42 D6
C43 C6
C44 A3
C45 C5
C46 D3
C47 B2
C48 B3
C49 D3
C5 A2
C50 C2
C51 D2
C52 B3
C53 D4
C54 C2
C55 D2
C56 D2
C57 D4
C58 B4
C59 C3
C6 A1
C60 C2
C61 C2
C62 D2
C63 D2
C64 A6
C65 A6
C66 A6
C67 A6
C68 B6
C7 A4
C8 D5
C9 A1
CBL17 B6
CBL6 C6
CN3 D5
CN4 A2
CN5 A1
CN6 C1
CN7 D1
CN8 B2
CN9 A5
D1 A5
D2 B5
D3 A5
D4 B5
D5 D6
F1 D4
F2 D4
L1 A4
L2 A3
L3 B4
L4 C3
L5 D3
Q2 C5
Q3 C5
Q4 C5
Q6 D6
R1 A3
R10 A1
R11 A1
R12 B2
R13 B1
R14 A3
R15 B2
R16 B2
R17 A3
R18 A3
R19 B3
R2 A2
R20 B3
R21 B3
R22 C3
R23 B4
R24 B4
R25 B3
R26 B4
R27 C5
R28 C1
R29 C1
R3 A4
R30 C2
R31 C1
R32 C3
R33 C2
R34 C2
R35 B5
R36 B5
R37 D1
R38 D1
R39 D2
R4 A3
R40 D2
R41 D3
R42 D2
R43 D2
R44 D3
R45 C3
R46 C6
R47 C6
R48 D6
R49 D6
R5 A3
R50 C5
R51 C5
R52 C5
R53 C5
R54 C5
R55 D5
R6 A4
R7 D3
R8 A4
R9 B5
RL1 A5
RL2 B5
RL3 A5
RL4 B5
SP1 A6
SP2 A6
U1 A3
U2 A2
U3 B3
U4 C2
U5 D2
U6 C6

Table of Contents

Related product manuals