EasyManua.ls Logo

Philips MX5800SA - Circuit Diagram

Philips MX5800SA
129 pages
Print Icon
To Next Page IconTo Next Page
To Next Page IconTo Next Page
To Previous Page IconTo Previous Page
To Previous Page IconTo Previous Page
Loading...
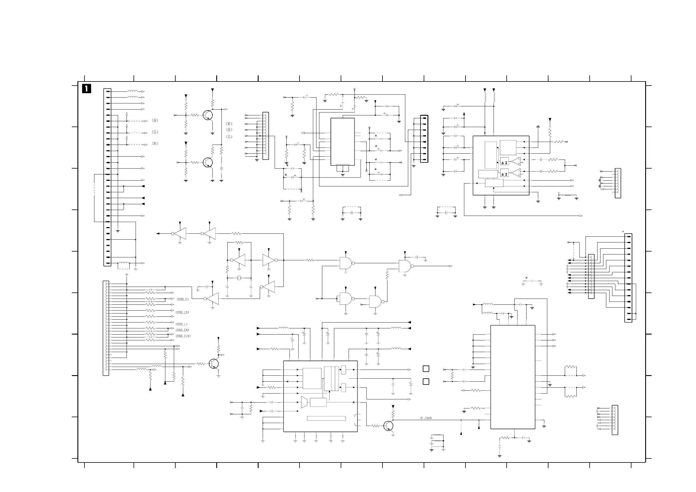
CIRCUIT DIAGRAM 1
11-7 11-7
ADC
CLOCK
CONTROL
ADC
DIGITAL
INTERFACE
DECIMATION
FILTER
DC-CANCEL
FILTER
GND
V+
NC
AUDIO FEATURE PROC.
DAC
NC
SLICER
IEC958
DECODER
L3-BUS
INTERFACE
CLOCK & TIMING CIRCUIT
DAC
INTERPOLATOR
NOISE SHAPER
From DVD module
A
B
C
D
E
F
G
H
I
A
B
C
D
E
F
G
H
I
1100 A1
1102 E1
1104 A5
1105 B13
1106 E13
1107 H13
1108 D13
@
12345678910111213
12345678910111213
2
1111 E4
1112 B8
2101 E2
2102 F2
2103 F2
2104 G2
2110 C4
2120 E3
2121 E4
2122 E4
2123 E8
2131 G5
2132 G6
2133 G6
2134 G7
2135 G7
2136 G7
2137 G7
2138 H8
2139 H8
2141 H5
2142 H4
2143 H5
2150 A9
2151 A9
2152 A9
2153 B9
2154 B9
2155 B9
2156 C9
2157 B11
2158 C11
2159 D9
2160 G9
2161 H9
2162 I10
2163 I11
2164 F11
2165 F10
2166 E11
2167 B7
2168 C7
2169 B7
2170 B7
2171 B5
2172 C5
2173 C6
2174 B5
2175 A6
2176 A8
2177 A8
2178 A6
2179 A7
2180 D7
3101 E2
3102 F2
3103 F2
3104 F2
3105 F2
3106 F2
3107 F2
3108 G2
3109 G2
3110 A3
3111 A3
3112 A3
3113 A3
3114 B3
3115 C3
3116 B3
3117 B3
3118 B4
3120 H2
3121 G3
3122 G3
3123 H2
3124 H3
3125 D4
3126 E4
3127 E6
3128 E8
3131 G5
3132 H5
3133 H9
3134 H8
3135 I7
3137 G12
3138 H12
3150 B12
3151 B12
3152 B12
3153 C12
3154 D4
3155 H10
3156 I10
3157 H10
3158 C6
3159 C5
3160 B6
3161 A5
3162 A6
3163 A7
3164 B5
3170 H4
3667 F2
4101 C1
4102 E12
4103 A2
4104 B2
4105 B2
2
*
From DVD module
4109 I9
4110 C7
4111 C9
4115 G12
4116 H12
4119 E1
4120 C5
4121 B7
4122 C7
5100 A1
5101 A1
5102 G2
5103 G2
5131 F10
5132 F10
*
5133 G8
5140 E1
5150 A10
5151 A10
5152 F5
5153 F8
7101-A D3
7101-B D4
7101-C F4
7101-D F5
7101-E D5
7101-F E3
7102-A E6
7102-B E8
7102-C E6
7102-D E8
7111 A3
7112 C3
7113 G4
7131 G5
7132 I8
7150 B11
7151 F10
7152 C6
*
*
@
@
@
* : PROVISION
*
@: FAR-PSCAN (5900) ONLY
*
*
d
GND_V
+3v3
10p
2122
+5V
5
OUT2
OUT3
6
13
7101-B
MC74VHC04
3
7
14
4
1M0
3125
14
8
d
15p
Q10
3153
12K
+3V3
74LVC00
7102-B
4
5
7
14
6
GND_D
3120
10K
GND_V
Q10
UDA1361TS
7150
Q10
12K
3152
3137
1K
d
GND_D
+3V3_D
BC847BW
7113
di_d
di_d
+3V3_D
GND_D
3161
75R
100n
2171
+12V
MIC_GND
10K
3134
d
7
8
9
3132
5100
di_d
d
10u
2170
100n
2169
di_a
di_pll
100n
2180
4
5
6
7
8
910
15p
2104
1104
14FMN-SMT-A-TF
13
7
14
11
3126
220R
+5V
1M
3160
10u
75R
3164
2174
3159
75R
10u
2173
2175
10u
10u
2172
GND_V
GND_V
4120
GND_V
GND_V
2176
100n
2
3
4
5
6
7
8
9
15 16
1
10
11
12
13
14
100n
2162
2139
50V10u
3102
100R
2123
100n
di_d
3131
10R
2133
47u
di_a
di_a
25V
4122
adc
100u
2142
2135
10V
11
7
14
10
GND_V
180p
6
d
+5V
7101-E
MC74VHC04
d
MC74VHC04
7101-C
5
7
14
10p
2121
10R
3132
24
25
26
27
28
29
3
30
4
5
6
15
16
17
18
19
2
20
21
22
23
1
10
11
12
13
14
8
910
1102
1
2
3
4
5
6
7
08FMN-SMT-A-TF
1105
4101
Q10
1u0
2158
100u
5153
adc
di_a
2159
100n
PSCAN_GND
Q10
2157
1u0
100R
3105
2103
15p
+3v3
+3V3
d
3157
di_d
47R
4110
di_d
3158
1M
di_d
GND_V
7101-F
MC74VHC04
13
7
14
12
di_d
GND_V
+5V
47R
3127
adc
2138
100n
di_a
Q10
2150
100u
2160
100n
di_d
GND_D
5133
di_a
d
d
100u
d
5101
dd
MIC_GND
2168
10u
10n
2141
47R
3154
2137
100u 10V
5131
100u
di_a
10
VSSD
12WS
100n
2161
d
11BCK
13 DATAO
14FSEL
7PWON
6SFOR
8SYSCLK
16
VDDA
9
VDDD
1VINL
3VINR
2 VREF
4 VREFN
5 VREFP
15
VSSA
Q10
47u
2155
4105
4104
4103
BC847BW
7132
75R
3162
22K
3121
2179
10u
+3v3
3163
75R
2143
100n
d
100n
2134
100n
GND_V
d
Q10
2153
+3V3_ADC
di_a
+3v3
di_a
30
4
5
6
7
8
9
7102-D
74LVC00
12
18
19
2
20
21
22
23
24
25
26
27
28
29
3
1100
1
10
11
12
13
14
15
16
17
47u
2177
100n
2120
75R
3133
100R
3101
3667
100R
di_d
di_d
5102
Q10
5150
10K
d
+3v3
3124
1K2
3156
1
IN1B
11
IN2A
14
IN2B
IN3A
8
IN3B
9
2
7
3
OUT1
CTL
12
15
4
10
16
IN1A
GND_V
7152
NJM2584M
Φ
3-CIRCUIT
VIDEO SW
10u
2178
25V47u
2131
d
GND_V
d
2167
100n
BC847BW
7111
2154
di_d
100n
Q10
47u
2132
2136
2
3
4
5
6
7
8
10V100u
d
1112
FE-ST-VK-N
1
3107
100R
di_a
47K
3135
Q10
5151
23
VSSAPLL
7
VSSD
12
VSSDC
Q10
2152
47u
SPDIF
4 TEST1
18 TEST2
28 TEST3
25
TEST4
22
VDDA
14
VDDADAC
24
VDDAPLL
3
VDDD
6
VDDDC
15VOUTL
17VOUTR
VREF 19
21
VSSA
20
VSSADAC
7131
9 L3-CLK
8 L3-DATA
10 L3-MODE
16LOCK
11 MUTE
1
2
27
5 RESET
26 SEL-STATIC
13
di_d
UDA1351TS
adc
BC847BW
100R
3108
7112
di_d
di_d
10K
3122
10K
3116
74LVC00
7102-C
9
10
7
14
8
d
1
7
14
2
3104
100R
7101-A
MC74VHC04
08FMN-SMT-A-TF
1107
1
2
3
d
3128
47R
5132
100u
+3v3
+12V
+3V3_D
d
d
d
3112
10K
+3v3
MIC_GND
14
15
2
3
4
5
6
7
8
9
2165
100n
FMN
1108
1
10
11
12
13
4102
MIC_GND
100R
3106
4n7
2163
d
d
5103
d
3111
18K18K
3115
d
10K
3114 3110
4111
10K
100n
2166
adc
4K7
3123
Q10
2156
100n
Q10
3151
47R
Q10
47R
3150
100n
2164
4121
AT-49
1111
16M9344
di_d
3170
75R
47p
2101
d
Q10
100n
2151
3117
1K0
3113
2u2
5140
1K0
RXP5
25
RXP6
26
SCL|CCLK
28
SDA|CDOUT
1
SDOUT
18
U
20
VA+
6
VD+
23
10
RST_
9
RXN0
5
RXP0
4
RXP1
12
RXP2
13
RXP3
14
RXP4
15
3
FILT
8
H|S_
24
INT
19
OLRCK
17
OMCK
21
OSCLK
16
RERR
11
RMCK
7151
CS8415A
AD0|CS_
2
AD1|CDIN
27
AGND
7
DGND
22
EMPH_
di_d
4119
100R
3103
4109
10K
3155
di_pll
1
2
7
14
3
+3V3
+3v3
7102-A
74LVC00
3138
1K
4116
4115
GND_D
d
22n
2110
220R
3118
10K
3109
100u
5152
7
8
9
14 15
PSCAN_GND
1
10
11
12
13
2
3
4
5
6
13FMN-SMT-A-TF
1106
2102
adc
mute_av
C_Mono
Y_Mono
cvbs
0_6_12
scart1
scart0
MC74VHC04
7101-D
9
7
U
Y
V
B
G
R
dig_out
I2C_DATA
I2C_CLK4
INTREQ
Y_PSCAN
Y
U
G
+3v3_osc+3v3_osc
0_6_12
green_y
blue_u
red_v
+3V3_ADC
+12V
+5V_v
-5V_v
+3V3
+5V
+5V
+3V3_sense
+3V3
B
blue_u
R
red_v
dig_in_1
dig_in_2
di_l
PCM_LS_RS
PCM_C_LFE
PCM_L_R
DPLII_CLKIN
384FS
Y_PSCAN
I2C_CLK4
+5V
V
dig_in_1
SPDIF_MCLK
I2C_CLK4
I2C_DATA
EM0
di_r
I2c_data_dvd
+3v3_nand
k_sclk
k_wclk
k_data
k_pcmclk
front_irq
+5V
scart0
scart1
Y_Mono
C_Mono
cvbs
mute_av
SPDIF_LRCLK
SPDIF_SCLK
SPDIF_SDATA
dig_in_2
scl_dvd
sda_dvd
clk_sel
dac_rst
clk_sel
+3v3_nand
256fs
+3v3_nand
+3v3_nand
MCLK
+3v3_osc
+3v3_osc
+3v3_osc
+3v3_osc
front_irq
+5V
INTREQ
I2c_clk_dvd
k_sclk
k_data
k_wclk
mic_in
k_pcmclk
I2c_clk_dvd
I2c_data_dvd
DSD_R
DSD_RS
DSD_LFE
PCM_BCLK
PCM_WCLK
256fs
3139 113 3503 pt4 sheet 1 dd wk321
3,3V
3,3V
3,3V
5V

Other manuals for Philips MX5800SA

Related product manuals