EasyManua.ls Logo

Philips MX5800SA - Front Control Part - Circuit Diagram

Philips MX5800SA
129 pages
Print Icon
To Next Page IconTo Next Page
To Next Page IconTo Next Page
To Previous Page IconTo Previous Page
To Previous Page IconTo Previous Page
Loading...
6-14
6-14
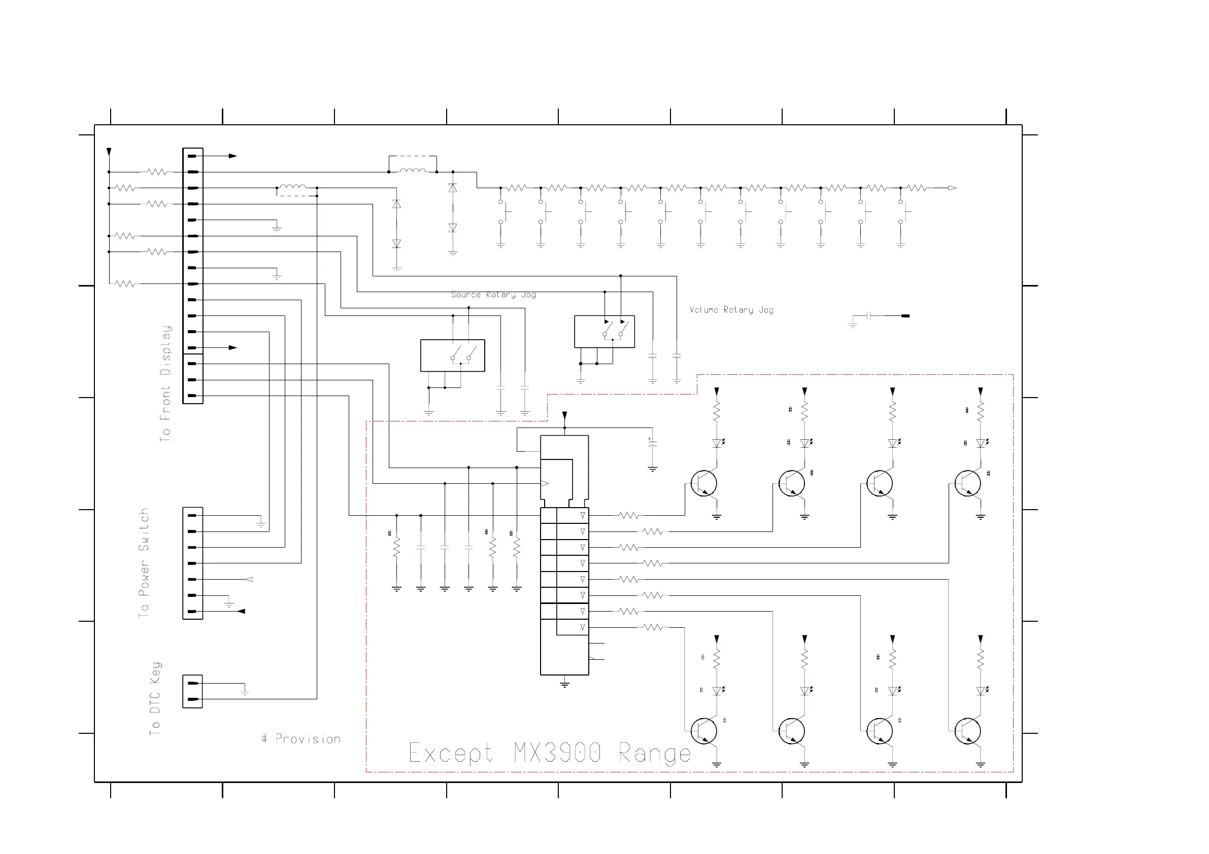
FRONT CONTROL PART - CIRCUIT DIAGRAM
STB
D1
EN1
SRG8
B
C
D
E
1300 A1
1301 A4
1302 A4
1303 A5
1304 A5
1305 A5
1306 A6
1307 A6
1308 A6
1309 A7
1310 A7
1311 A7
1313 C1
1314 B4
1315 B3
1316 E1
1320 B8
2300 C5
2302 B7
2304 B5
12345678
12345678
A
B
C
D
E
A
2305 B6
2306 B4
2307 B4
2308 D3
2309 D3
2310 D4
3303 A4
3304 A4
3305 A5
3306 A5
3307 A6
3308 A6
3309 A6
3310 A7
3311 A7
3312 A7
3330 A1
3331 A1
3332 A1
3333 A1
3334 A1
3335 A1
3336 A8
3337 D5
3338 D5
3339 D5
3340 D5
3341 D5
3342 D5
3343 D5
3344 E5
3345 C6
3346 C7
3347 C7
3348 C8
3349 E6
3350 E7
3351 E7
3352 E8
3353 D3
3354 D4
3355 D4
4340 A3
4341 A2
5300 A3
5301 A2
6300 C6
6301 C7
6302 C7
6303 C8
6304 E6
6305 E7
6306 E7
6307 E8
6308 A4
6309 A4
6310 A3
6311 A3
7300 C5
7301 C6
7302 C7
7303 C7
7304 C8
7305 E6
7306 E7
7307 E7
7308 E8
7307
BC847B
PREVIOUS
1302
PLAY
Key1
Key0
EH-S
1316
2306
10n
10K
GND_B
150R
LTL-816TDK3
6300
3338
TUNING
1308
120R
3344
120R
3337
GND_B
47p
2310
3330
2K7
820R
3308
GND_B
120R
3346
220R
3304
BC847B
13
12
11
9
10
1
16
8
7303
74HC4094D
3
2
15
4
5
6
7
14
GND_B
7300
120R
3339
6305
1304
LTL-816TDK3
3352
7301
BC847B
120R
7308
BC847B
2K7
3311
3355
10K
10K
3354
CLK
1307
GND_B
BC847B
7304
1309
PROGRAM
3303
GND_B
GND_B
120R
3343
120R
3341
1K8
33103306
390R
3305
270R
SWEETSPOT
1301
47p
2309
2305
120R
3349
10n
NEXT
1305
GND_B
LTL-816TDK3
6303
LTL-816TDK3
6302
3309
1K2
3332
1303
GND_B
STOP
16
2
3
4
5
6
7
8
9
7306
BC847B
1300
FE-ST-VK-N
1
10
11
12
13
14
15
1314
EVE 1 3
2
MT1
4
MT2
5
2304
10n
560R
3307
BASS
1311
LTL-816TDK3
2308
GND_B
6301
47p
120R
3351
3312
TREBLE
1310
4K7
120R
3350
GND_B
A
3
B
2
C
4
5
1315
EVE
1
4340
2u2
5301
6306
LTL-816TDK3
3335
10K
120R
3342
GND_B
100n
2302
RT-01T
1320
5300
2u2
10K
3336
7302
BC847B
3334
10K
LTL-816TDK3
6304
BZX384-C6V8
GND_B
16V10u
2300
BZX384-C6V8
6311
GND_B
6310
BZX384-C6V8
6309
BZX384-C6V8
6308
2307
10n
120R
3340
GND_B
4341
120R
10K
3353
GND_B
GND_B
3333
10K
LTL-816TDK3
6307
1306
7305
BC847B
1
2
3
4
5
6
7
SURROUND
FE-ST-VK-N
1313
1
2
3331
2K7
120R
3347
120R
3348
120R
3345
+D +D +D +D
+D +D +D +D
LedShClk
LedShStr
LedShData
+D
Stdby_Key
Rot_Vol_A
Rot_Vol_B
Stdby_LED
Stdby_LED
RC6
RC6
+C
LPS_LED
LPS_LED
Stdby_Key
+C
+D
+C
Rot_Jog_A
Rot_Jog_B
8239 210 9412 pt5 dd wk0334

Other manuals for Philips MX5800SA

Related product manuals