EasyManua.ls Logo

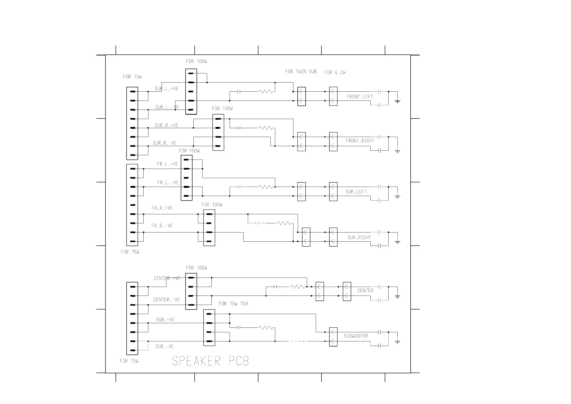
Philips MX5800SA - Speaker (SPK I) Boards - Circuit Diagram

Philips MX5800SA
129 pages
Print Icon
To Next Page IconTo Next Page
To Next Page IconTo Next Page
To Previous Page IconTo Previous Page
To Previous Page IconTo Previous Page
Loading...
#
#
#
#
#
To Amp
To Amp
To Amp
To Amp
To Amp
To Amp
#
1303-A E4
1303-B B4
1303-C A4
1303-D D4
1303-E C4
1303-F B4
1304-A B3
1304-B A3
1304-C D3
1304-D C3
1304-E B3
1313 A1
1314 D1
1315 B1
1316 A2
1234
1234
A
B
C
D
E
A
B
C
D
E
22R
3001
1317 B2
1318 E2
1319 E2
1320 C1
1321 D2
2000 A4
2001 A4
2002 B4
2003 B4
2004 C4
2005 C4
2006 C4
2007 C4
2008 D4
2009 D4
2010 E4
2011 E4
2012 A2
2013 B2
2014 C2
2015 C2
2016 D3
2017 E2
3000 A3
3001 B3
3002 C3
3003 C3
#
#
To Amp To Amp
To SPK II
# Provision only
#
#
#
#
3004 D3
3005 E3
9500 E3
T-341142-1-00
1303-E
9500
10n
2007
2008
330p
1
T-341142-1-00
1303-A
GND
LQR1910
1304-B
3
4
2
3
4
1317
EH-B
1
4
GND
10n
2003
220n
2013
220n
2016
T-341142-1-00
1303-F
11
12
22R
3000
9
220n
2014
220n
2015
1315
EH-B
1
2
3
4
5
6
7
8
1314
EH-B
1
2
3
4
5
6
7
8
10n
2000
1
2
3
4
T-341142-1-00
1303-B
3
1320
EH-B
1
2
3
4
5
1321
EH-B
LQR1910
1304-D
7
8
1304-E
9
10
T-341142-1-00
1303-D
7
8
2
LQR1910
1304-A
1
2
LQR1910
2006
10n
10n
2005
2004
10n
330p
2009
10n
2002
3005
GND
10n
2001
22R
3003
22R
7
8
T-341142-1-00
1303-C
5
6
22R
3002
1313
EH-B
1
2
3
4
5
6
220n
2017
9
10
220n
2012
1
2
3
4
1319
EH-B
1
2
3
4
EH-B
1
2
3
4
5
1318
EH-B
LQR1910
1304-C
5
6
1316
GND
2010
10n
10n
2011
22R
3004
GND
GND
8239 210 93446 dd wk0334
SPEAKER (SPK I) BOARD - CIRCUIT DIAGRAM
8-4
8-4

Other manuals for Philips MX5800SA

Related product manuals